GM Service Manual Online
For 1990-2009 cars only
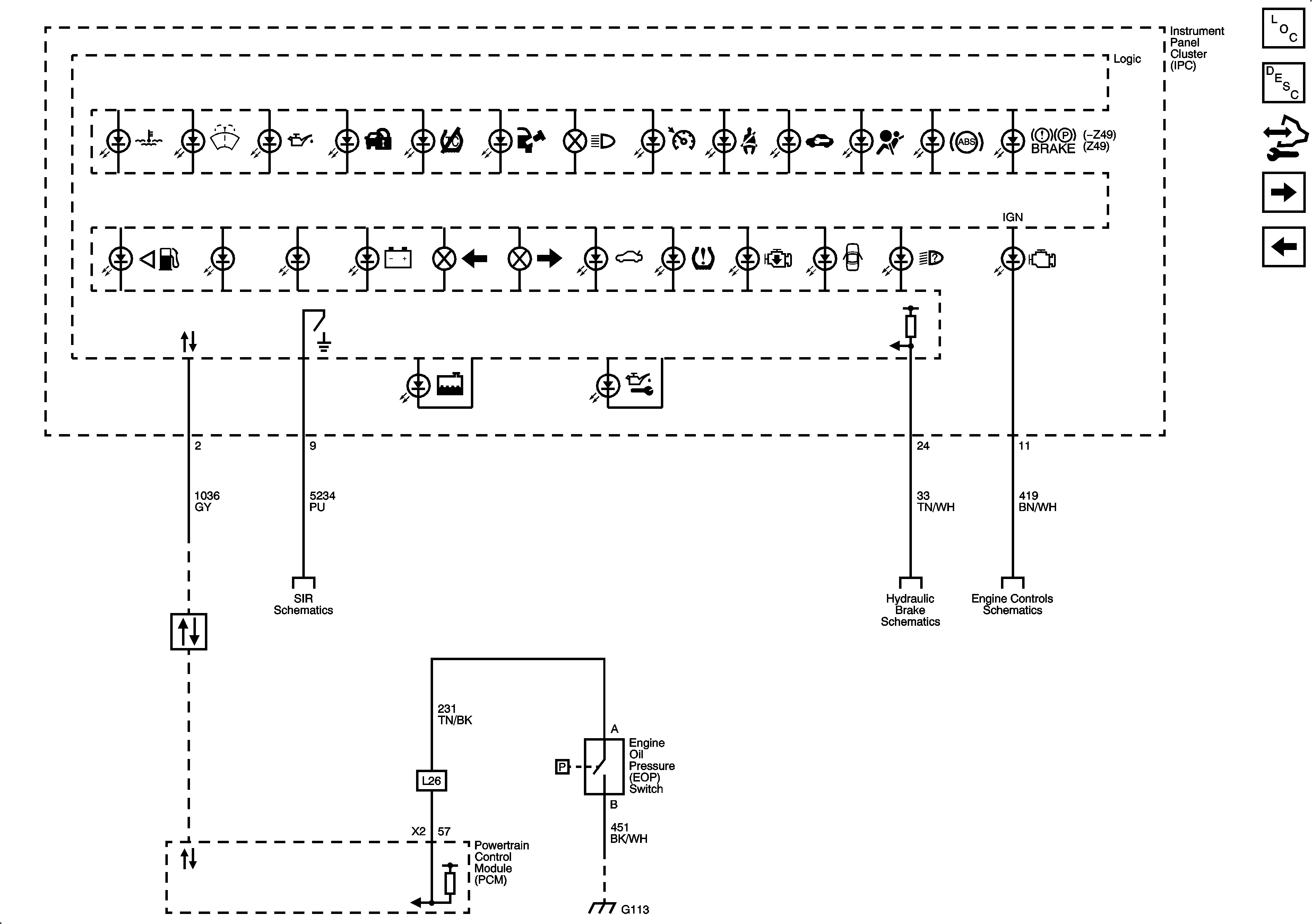
Figure 1:

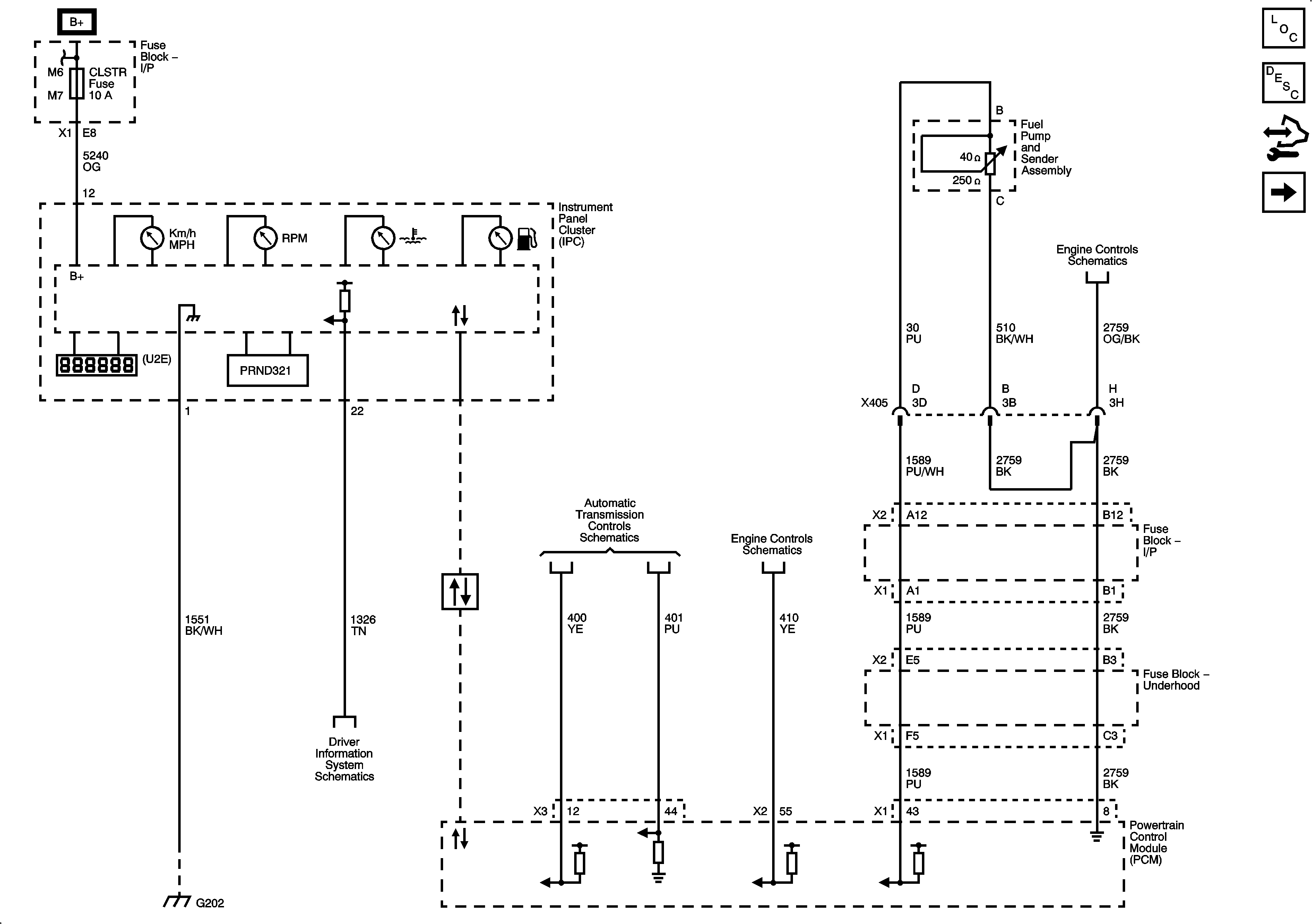
Power, Ground, Serial Data, and Gages - L26


Object Number: 1888873  Size: FS
Master Electrical Component List
Instrument Cluster Description and Operation
Control Module References
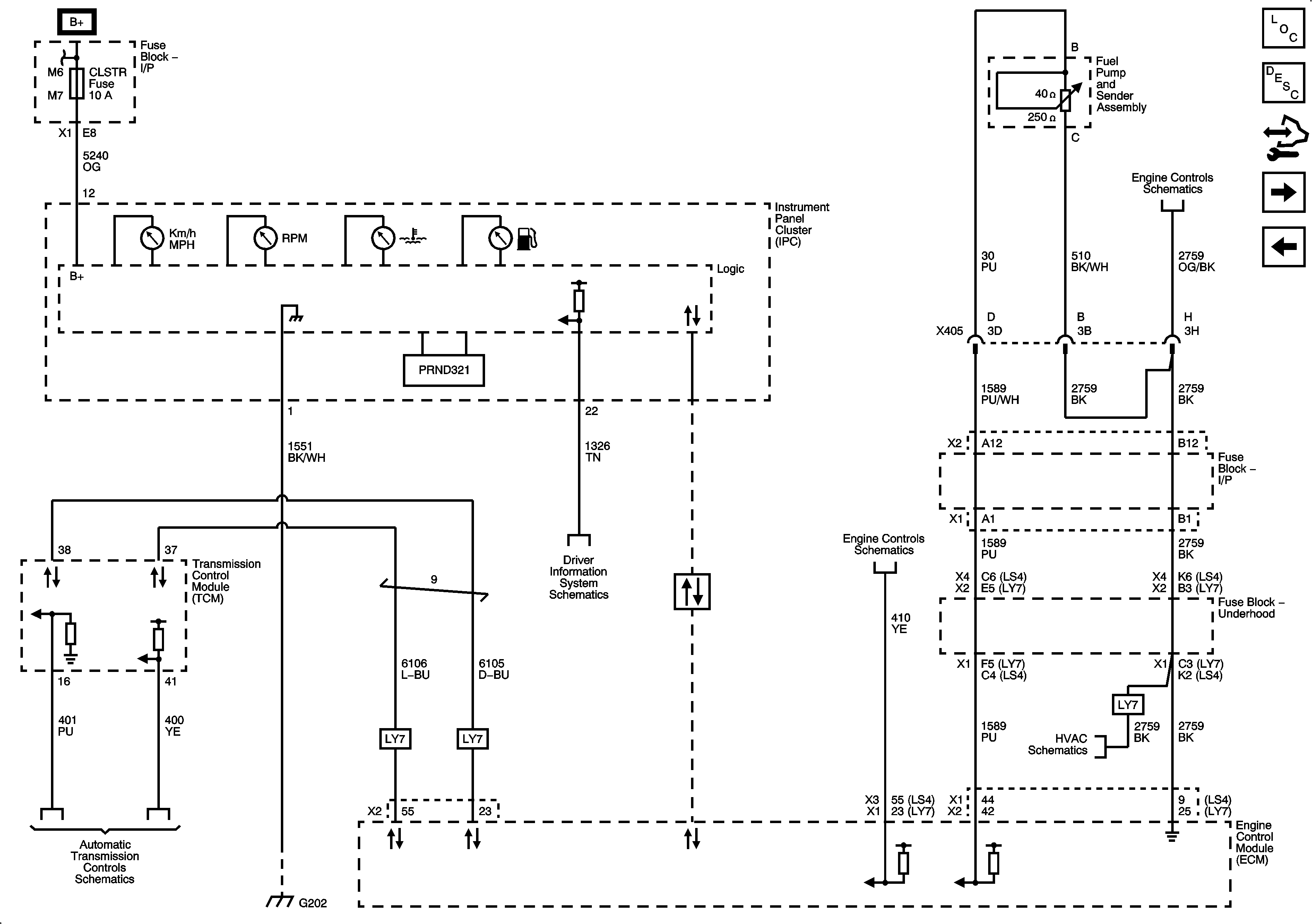
Power, Ground, Serial Data, and Gages LY7
Figure 2:

Power, Ground, Serial Data, and Gages - LY7


Object Number: 1888876  Size: FS
Master Electrical Component List
Instrument Cluster Description and Operation
Control Module References
Indicators U2E
Power, Ground, Serial Data, and Gages L26
Figure 3:

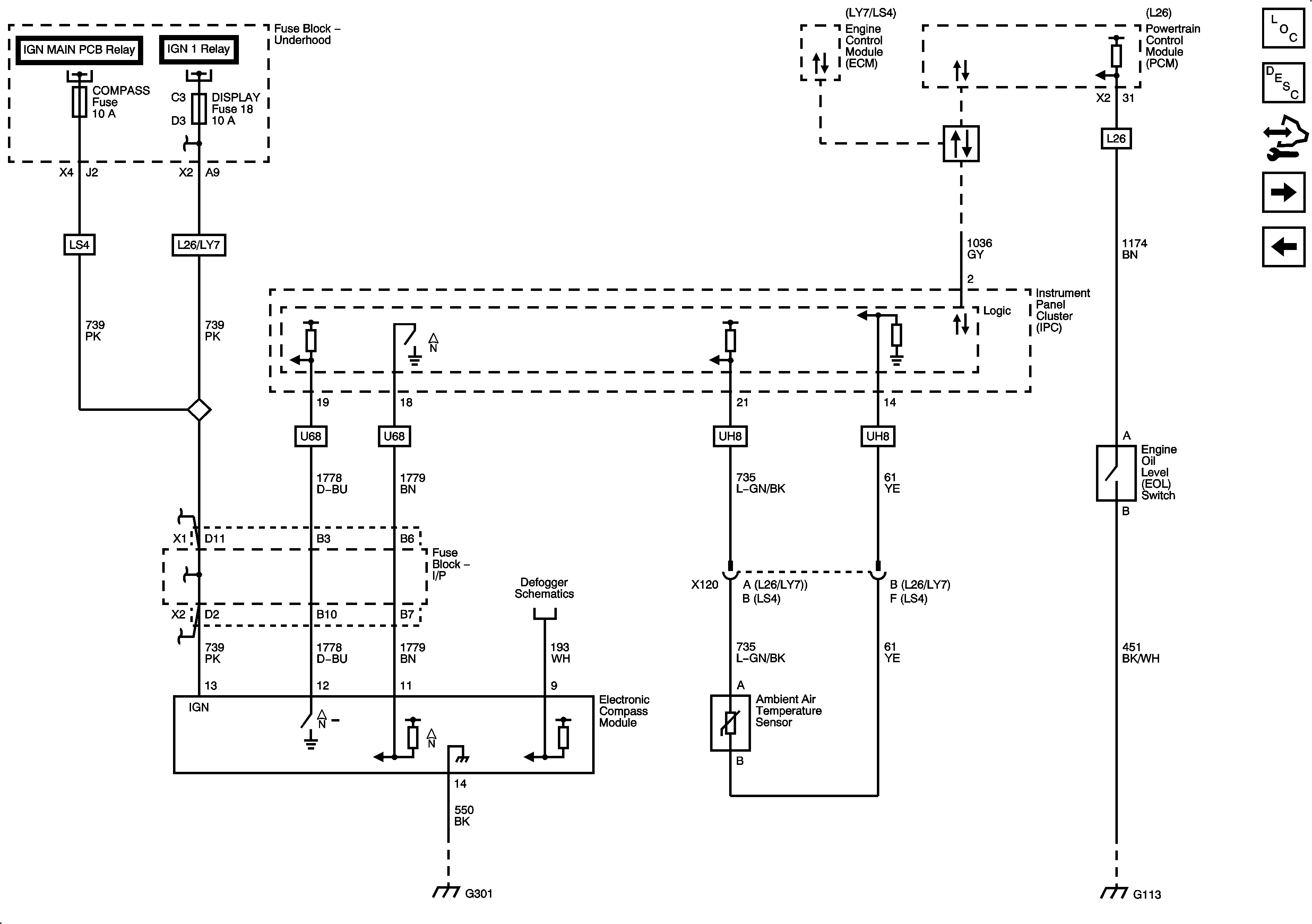
Ambient Air Temperature Sensor, Electronic Compass Module, and Oil Level Switch


Object Number: 1888882  Size: FS
Master Electrical Component List
Indicator/Warning Message Description and Operation
Control Module References
Indicators UH8
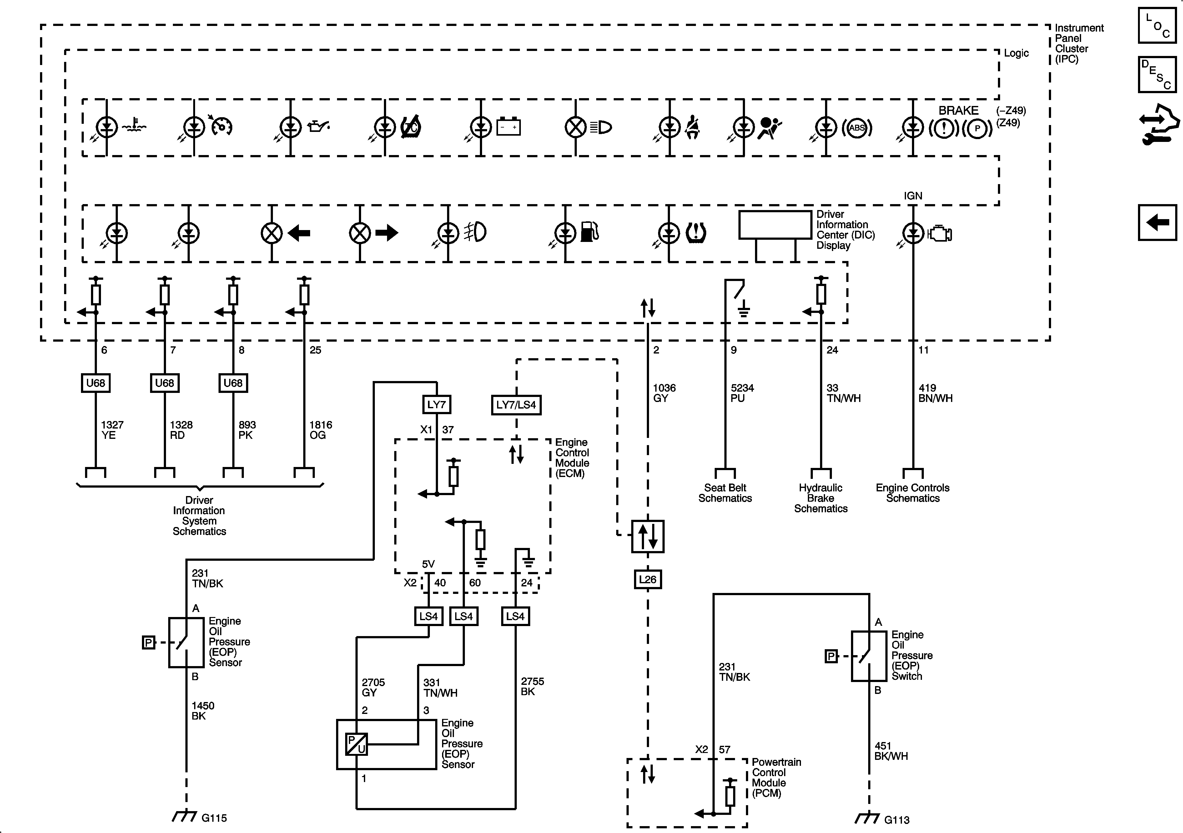
Figure 4:

Indicators - U2E


Object Number: 1888878  Size: FS
Master Electrical Component List
Indicator/Warning Message Description and Operation
Control Module References
Indicators UH8
Power, Ground, Serial Data, and Gages LY7
Figure 5:

Indicators - UH8


Object Number: 1888880  Size: FS
Master Electrical Component List
Indicator/Warning Message Description and Operation
Control Module References
Ambient Air Temperature Sensor, Electronic Compass
Indicators U2E