GM Service Manual Online
For 1990-2009 cars only
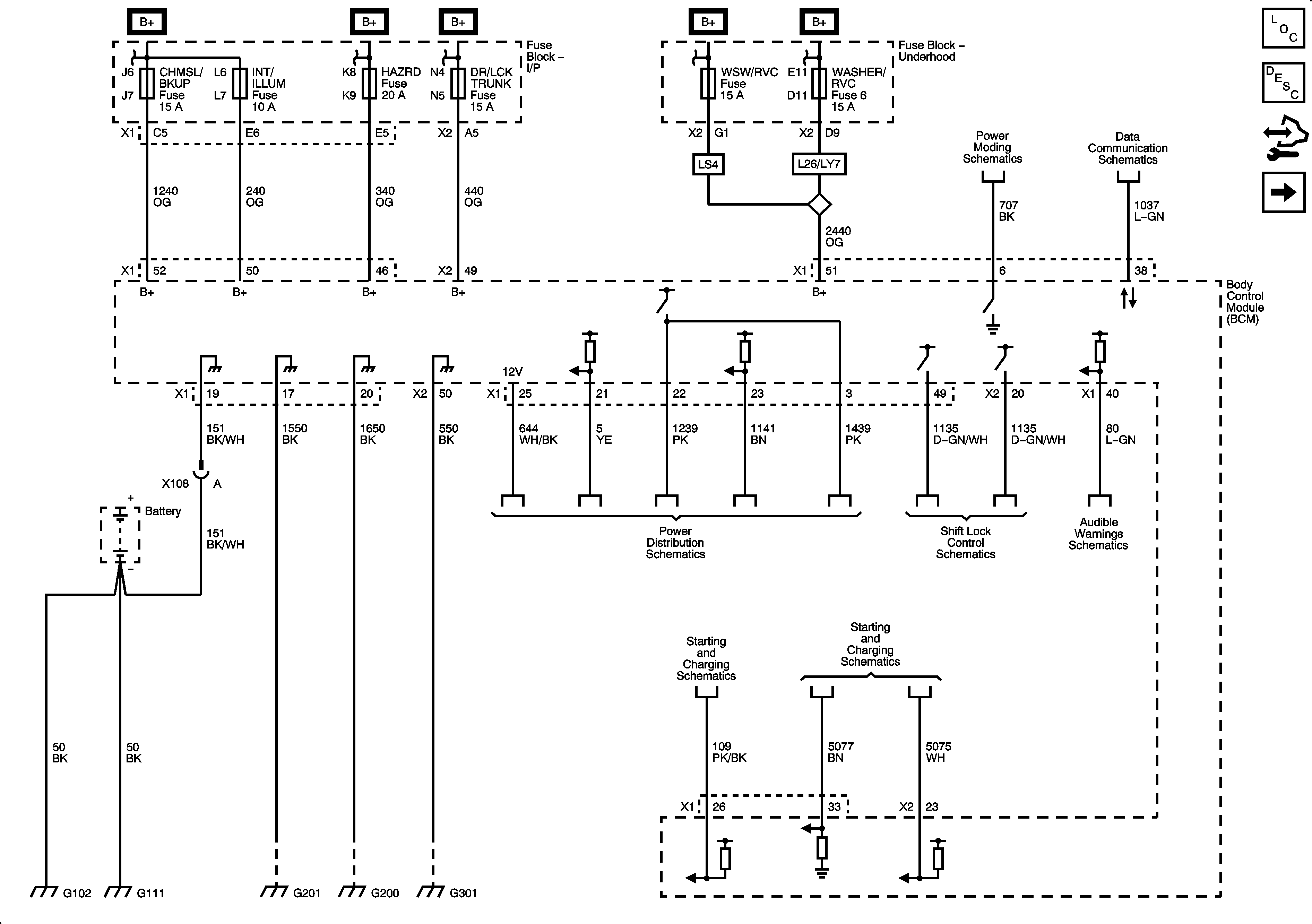
Figure 1:

Power, Ground, Serial Data, and Subsystem References 1 of 4


Object Number: 1889379  Size: FS
Master Electrical Component List
Body Control System Description and Operation
Control Module References
Subsystem References 2 of 4
Figure 2:

Subsystem References 2 of 4


Object Number: 1889382  Size: FS
Master Electrical Component List
Body Control System Description and Operation
Control Module References
Subsystem References 3 of 4
Power, Ground, Serial Data and Subsystem References 1 of 4
Figure 3:

Subsystem References 3 of 4


Object Number: 1889386  Size: FS
Master Electrical Component List
Body Control System Description and Operation
Control Module References
Subsystem References 4 of 4
Subsystem References 2 of 4
Figure 4:

Subsystem References 4 of 4


Object Number: 1889389  Size: FS
Master Electrical Component List
Body Control System Description and Operation
Control Module References
Subsystem References 3 of 4