GM Service Manual Online
For 1990-2009 cars only
Makes
🢒
Buick
🢒
2008
🢒
LaCrosse
🢒
Power and Signal Distribution
🢒
Wiring Systems and Power Management
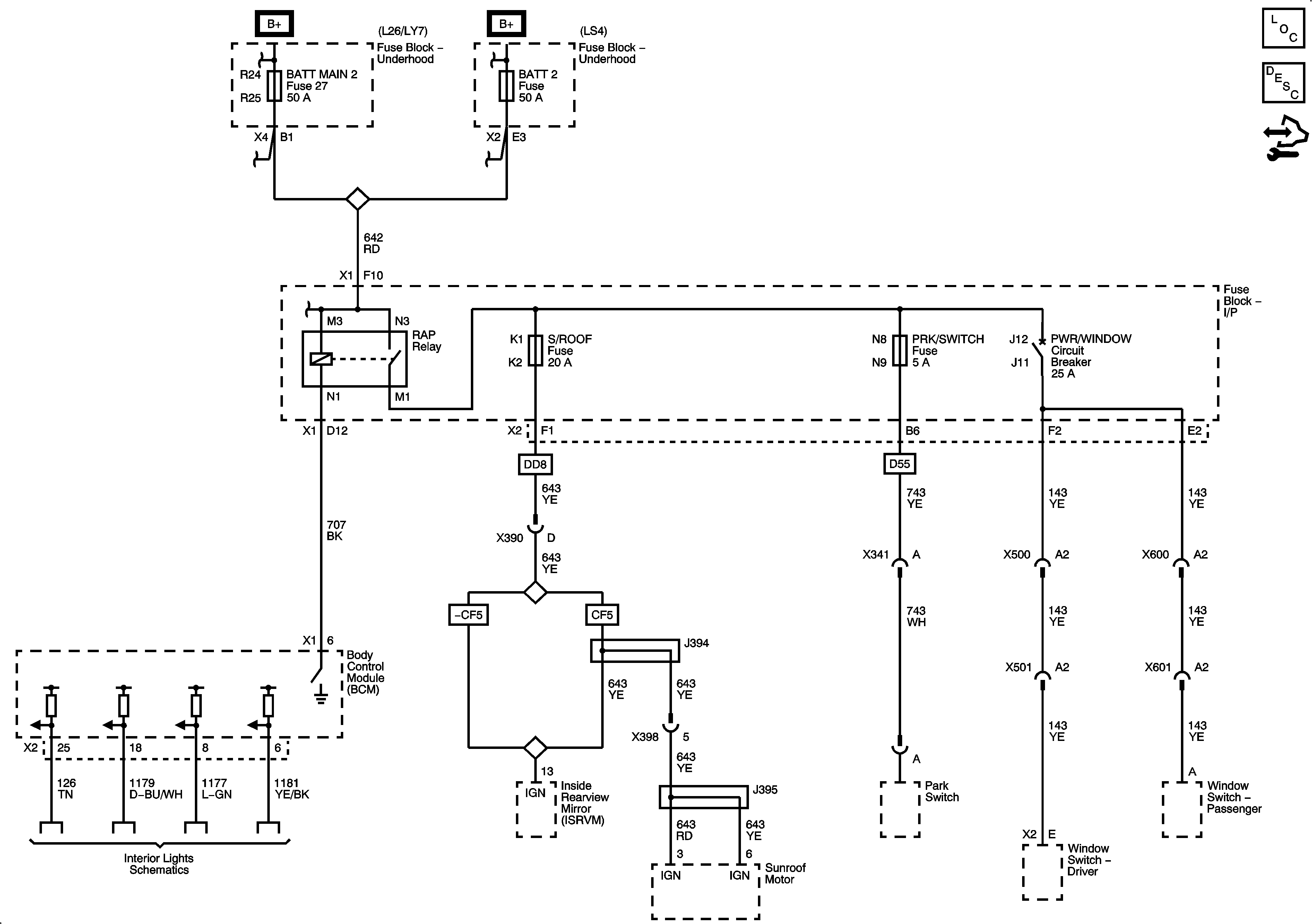
🢒 Power Moding Schematics
Master Electrical Component List
Power Mode Description and Operation
Control Module References