GM Service Manual Online
For 1990-2009 cars only
Makes
🢒
Buick
🢒
2008
🢒
LaCrosse
🢒
Safety and Security
🢒
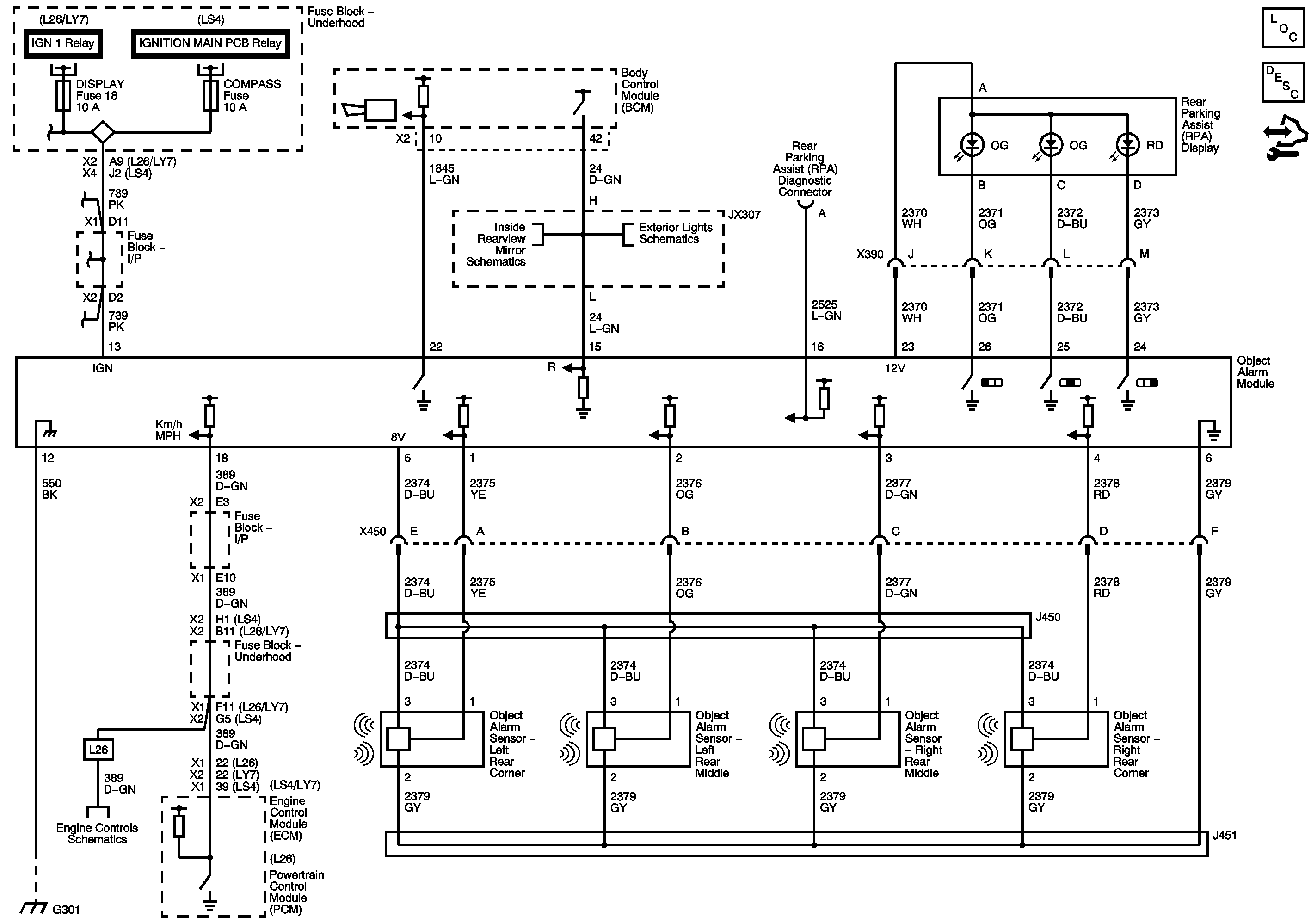
Object Detection
🢒 Object Detection Schematics
Master Electrical Component List
Object Detection Description and Operation
Control Module References