GM Service Manual Online
For 1990-2009 cars only

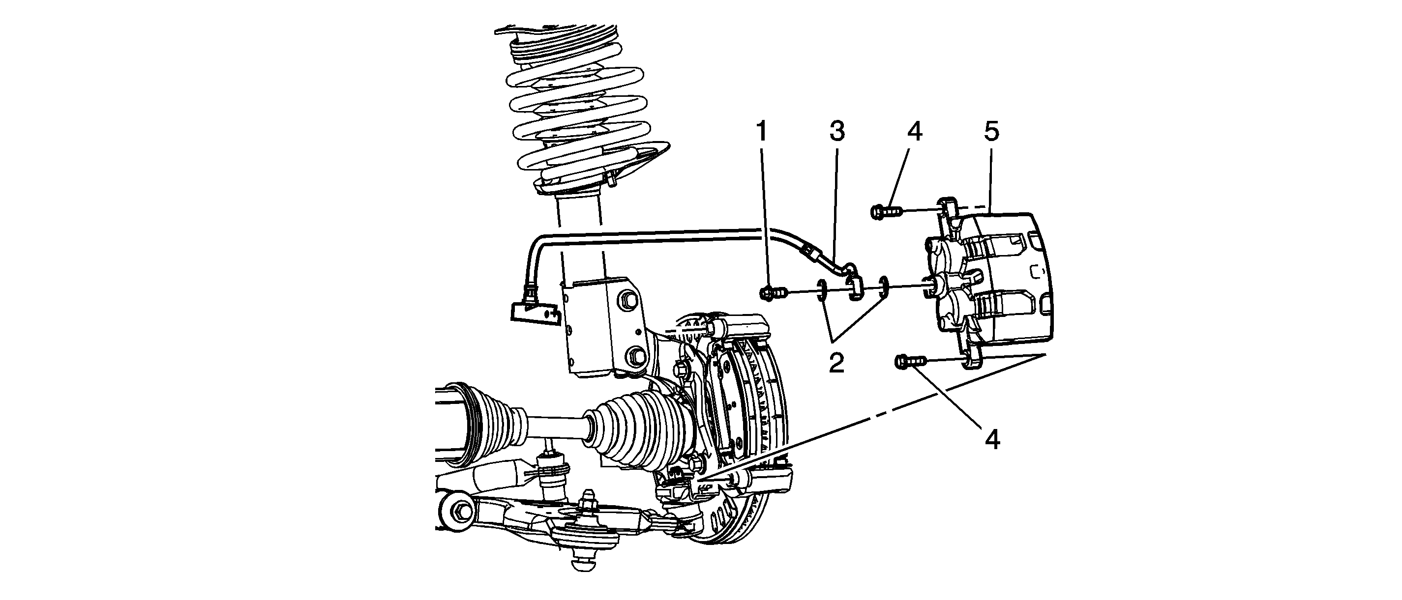
Object Number: 1657709  Size: SF

Callout

Component Name

Caution: Refer to Brake Fluid Irritant Caution in the Preface section.

Caution: Refer to Brake Dust Caution in the Preface section.

Preliminary Procedures

  1. Raise and support the vehicle. Refer to Lifting and Jacking the Vehicle.
  2. Remove the tire and wheel. Refer to Tire and Wheel Removal and Installation.

1

Brake Hose Fitting Bolt

Notice: Refer to Fastener Notice in the Preface section.

Tighten
54 N·m (40 lb ft)

2

Brake Hose Fitting Gasket (Qty: 2)

Tip
DO NOT reuse the brake hose fitting gaskets. Install NEW gaskets.

3

Brake Hose

Procedure

  1. Cap or plug the brake hose fitting to prevent brake fluid leakage and contamination.
  2. Relocate the brake hose to the side. Secure the brake hose with the fitting facing UP at the highest point without damaging the brake hose.

4

Guide Pin Bolt (Qty: 2)

Tighten
36 N·m (27 lb ft)

5

Brake Caliper

Procedure

  1. Bleed the hydraulic brake system. Refer to Hydraulic Brake System Bleeding.
  2. With the engine OFF, gradually apply the brake pedal to approximately 2/3 of its travel distance.
  3. Slowly release the brake pedal.
  4. Wait 15 seconds, then repeat steps 2-3 until a firm brake pedal is obtained. This will properly seat the brake caliper pistons and brake pads.
  5. Fill the master cylinder reservoir to the proper level. Refer to Master Cylinder Reservoir Filling.
  6. Burnish the pads and rotors. Refer to Brake Pad and Rotor Burnishing.