GM Service Manual Online
For 1990-2009 cars only
Makes
🢒
Buick
🢒
2008
🢒
LaCrosse
🢒 Controls JL4
Controls JL4
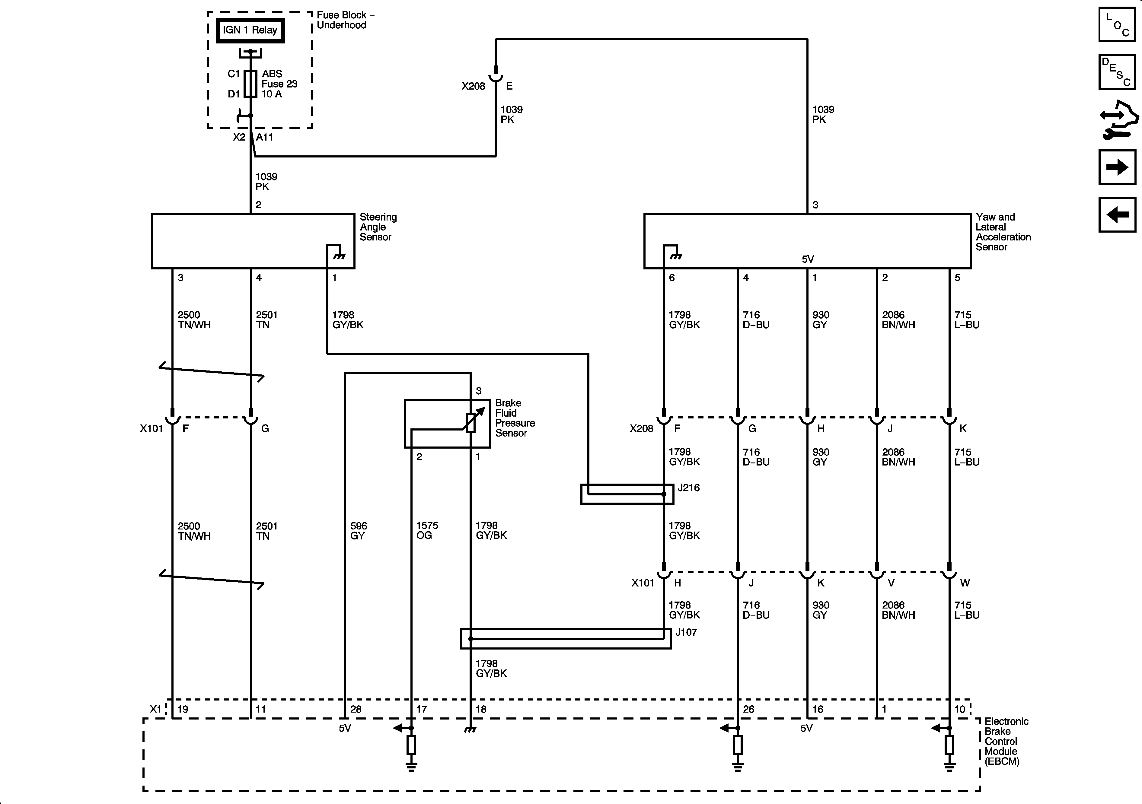
Active Brake and Stability Controls - JL4
Master Electrical Component List
ABS Description and Operation
Control Module References
Wheel Speed Sensors
Active Brake and Stability Controls (JL4), and Brake Pedal Position (BPP) Sensor