GM Service Manual Online
For 1990-2009 cars only
Figure 1:

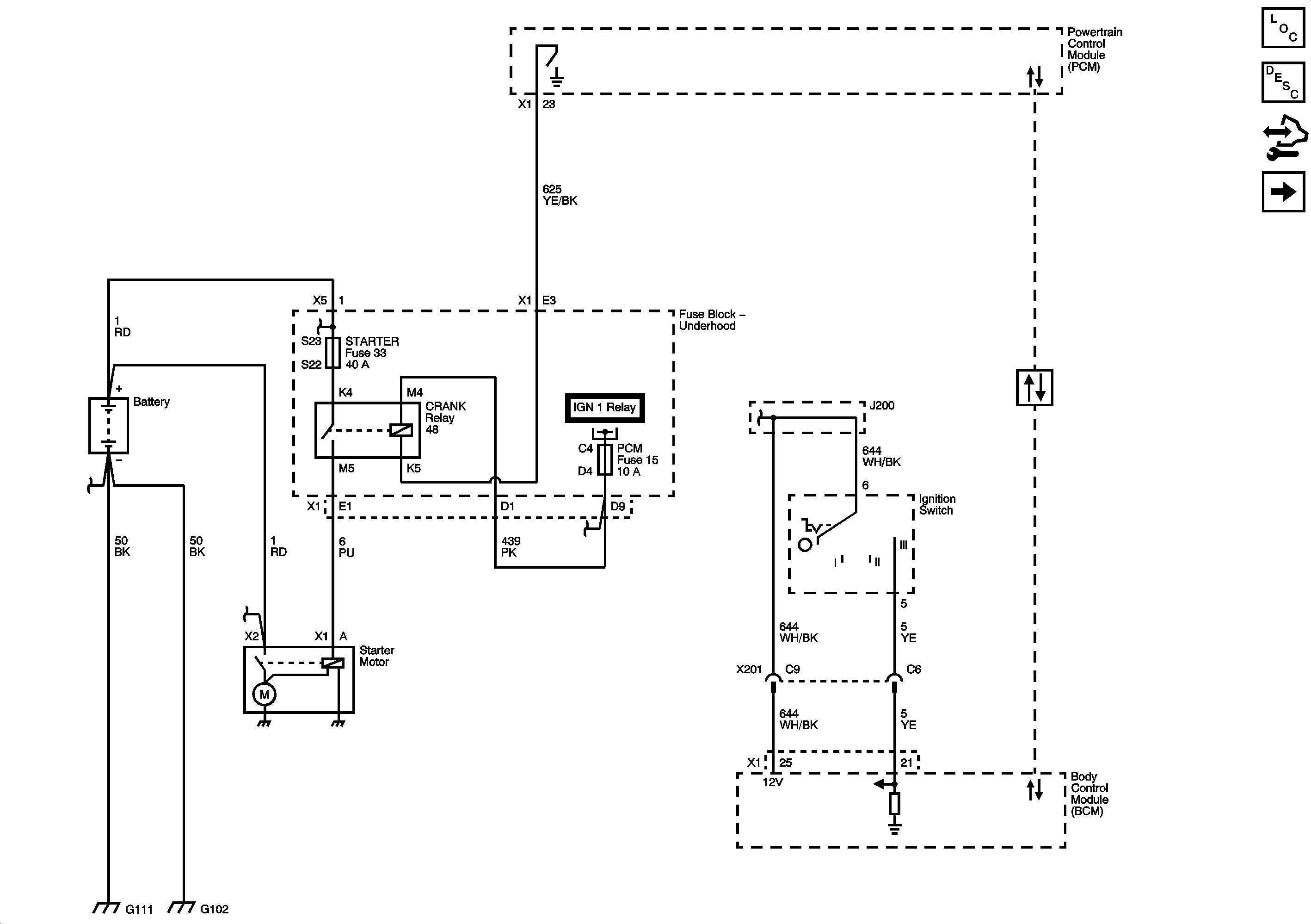
Starting - L26


Object Number: 2081629  Size: FS
Figure 2:

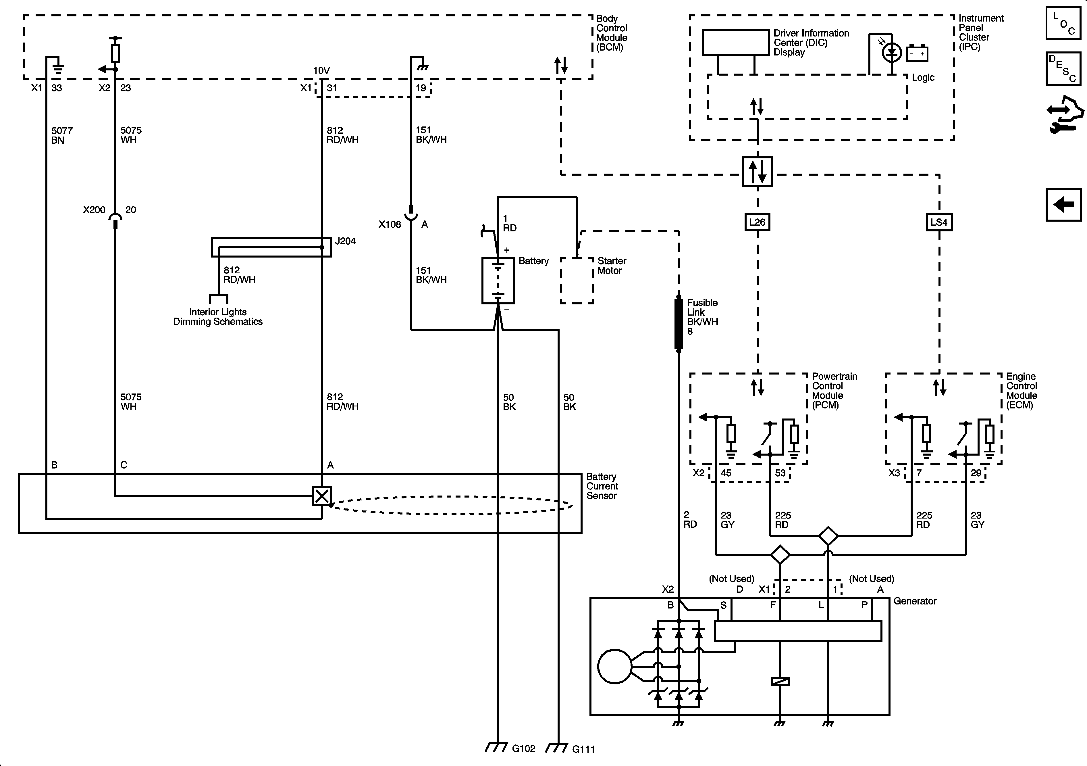
Starting (LS4)


Object Number: 2081639  Size: FS
Figure 3:

Charging


Object Number: 2081644  Size: FS