GM Service Manual Online
For 1990-2009 cars only
Figure 1:

G100


Object Number: 2082206  Size: FS
Figure 2:

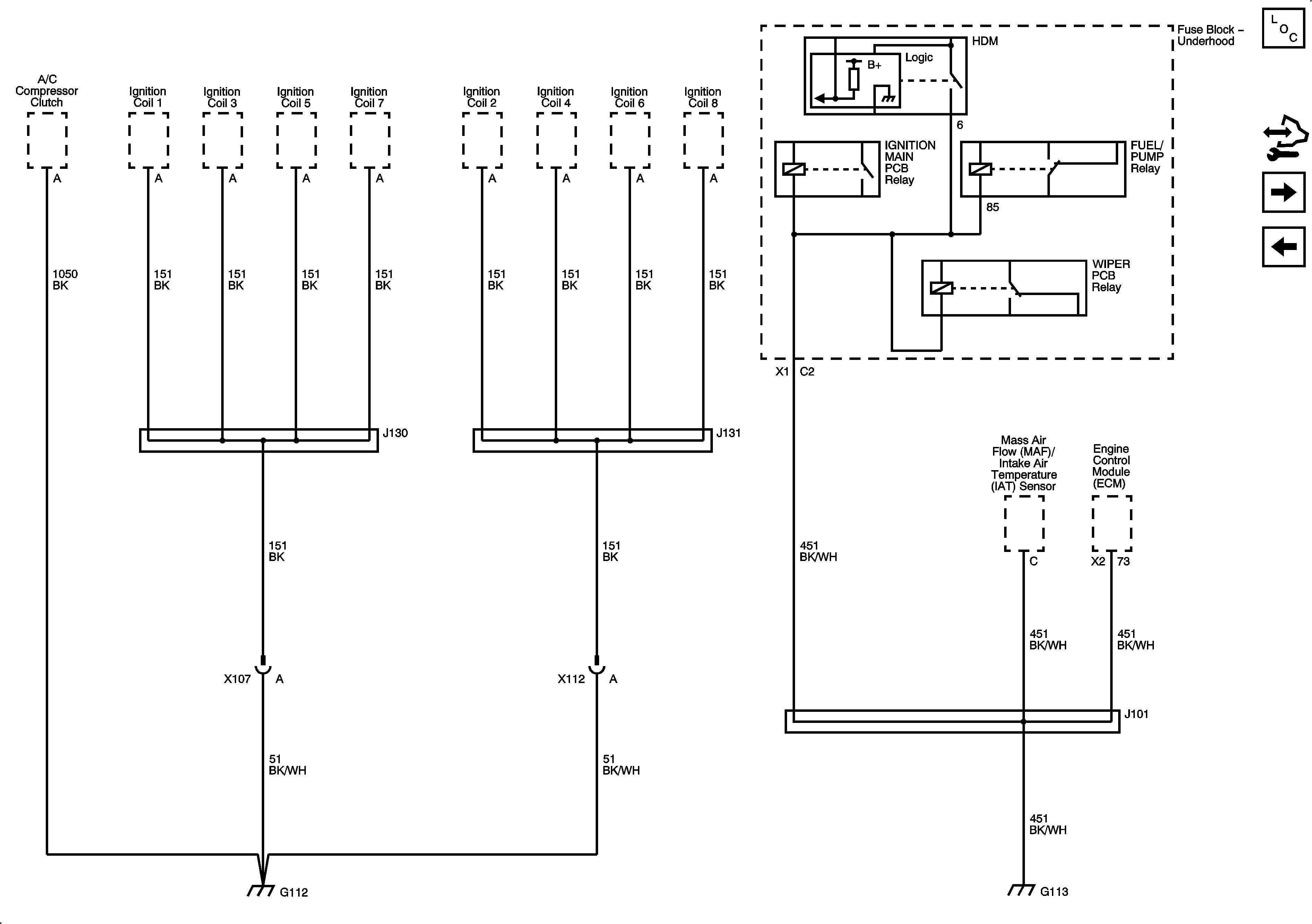
G101, G102, G111, G112, and G113 (L26)


Object Number: 2082207  Size: FS
Figure 3:

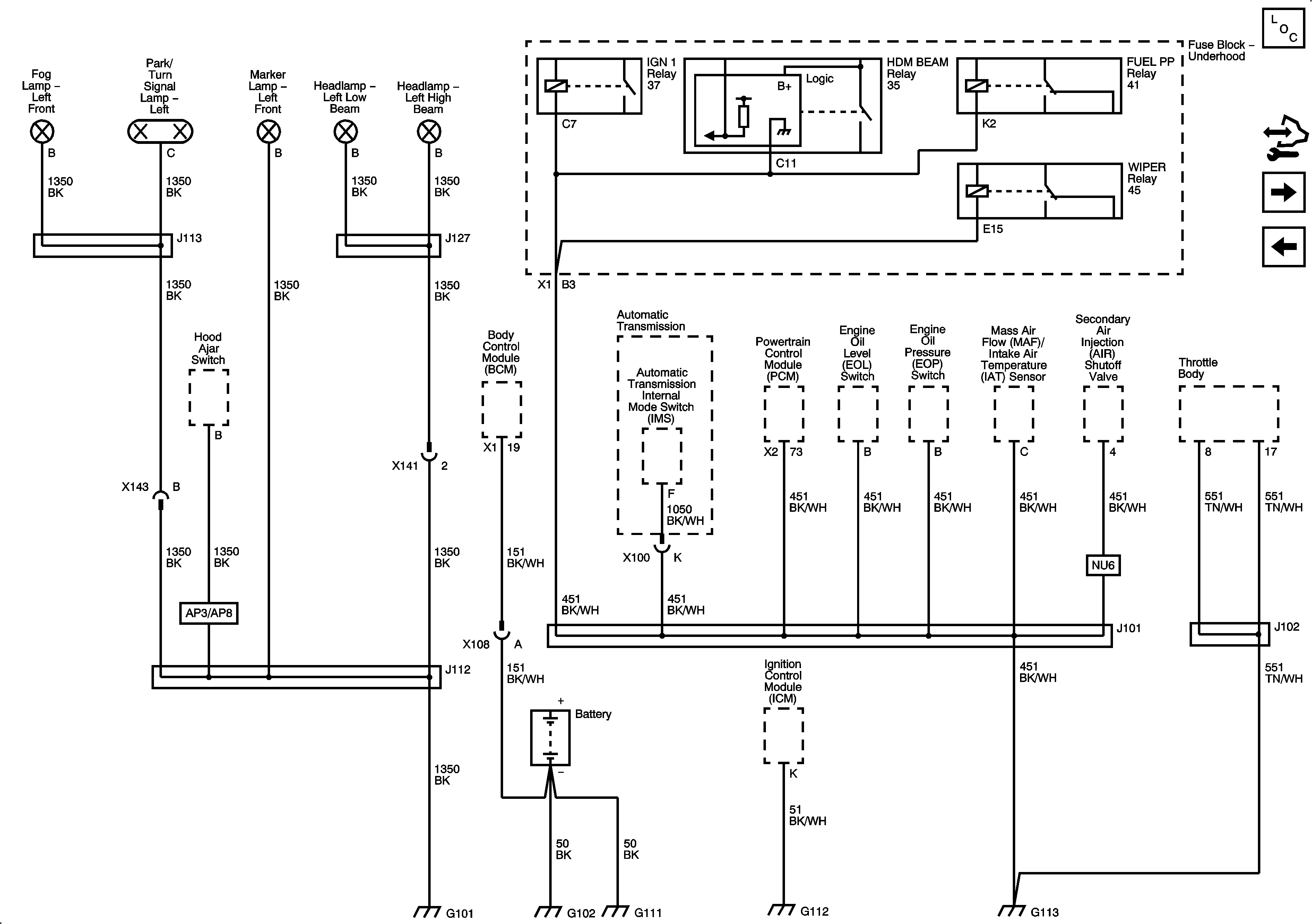
G112, G113 (LS4)


Object Number: 2082209  Size: FS
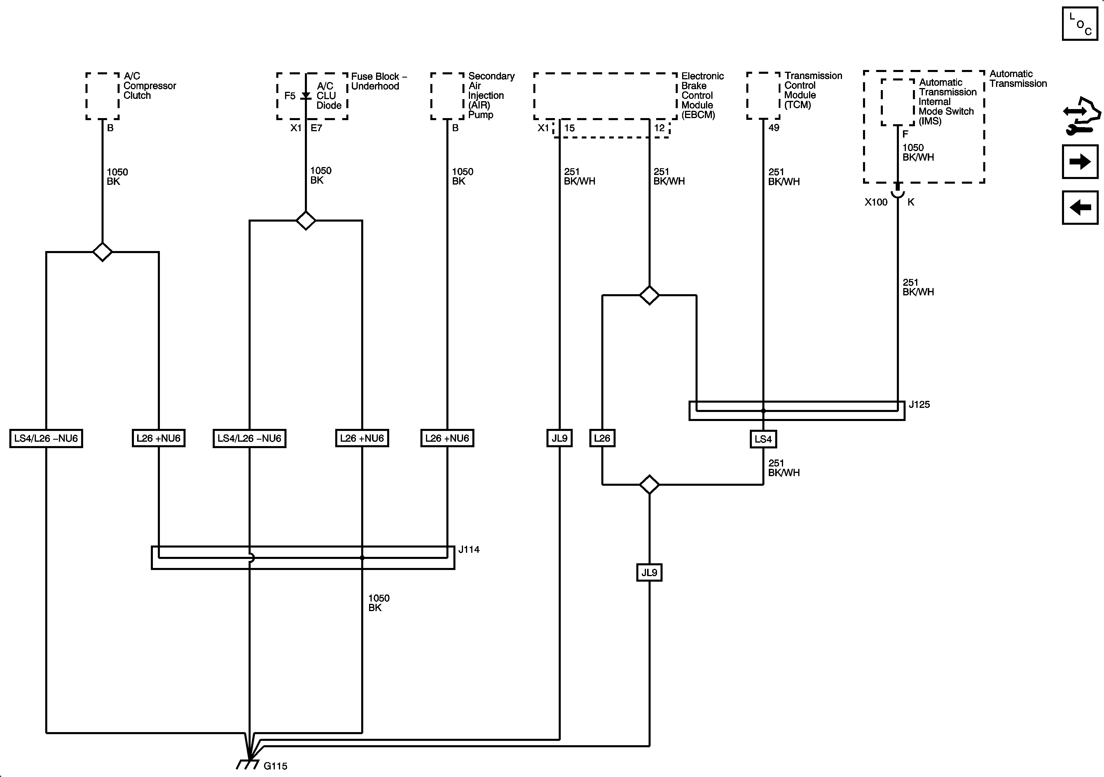
Figure 4:

G115


Object Number: 2082210  Size: FS
Figure 5:

G200


Object Number: 2082213  Size: FS
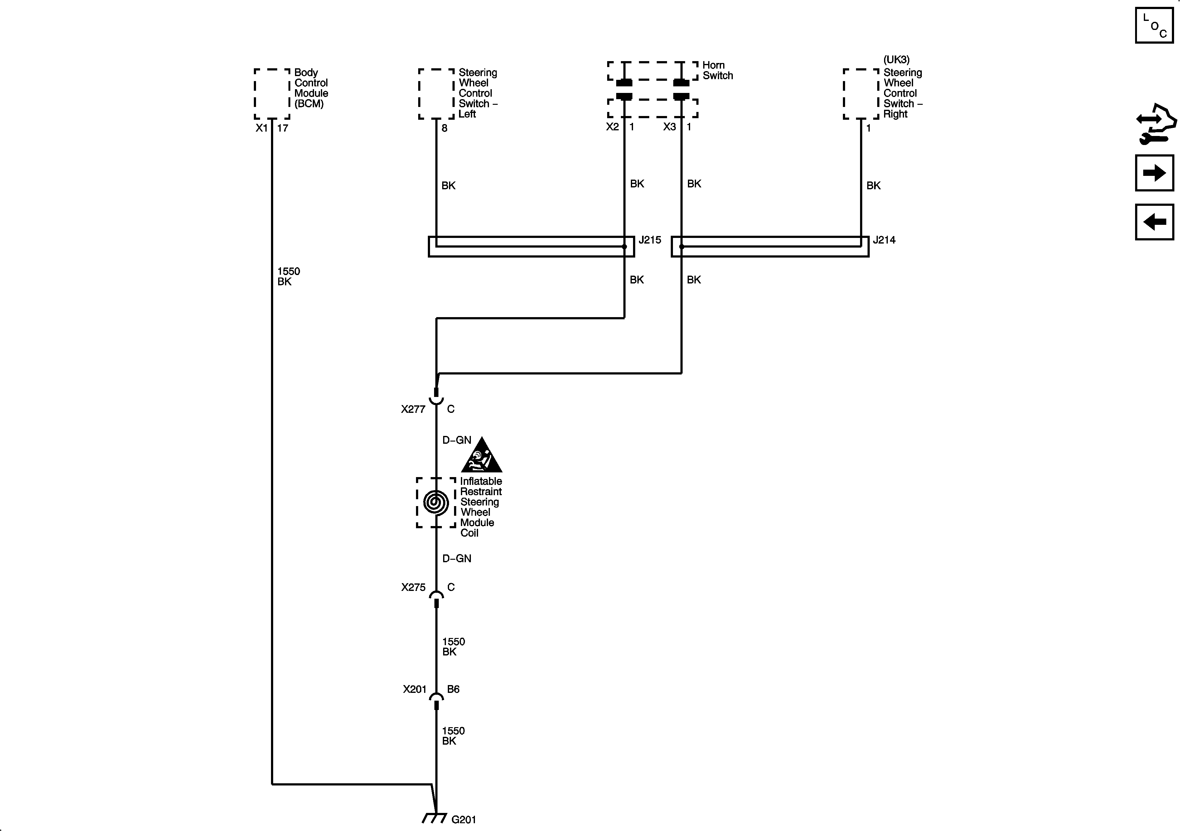
Figure 6:

G201


Object Number: 2082214  Size: FS
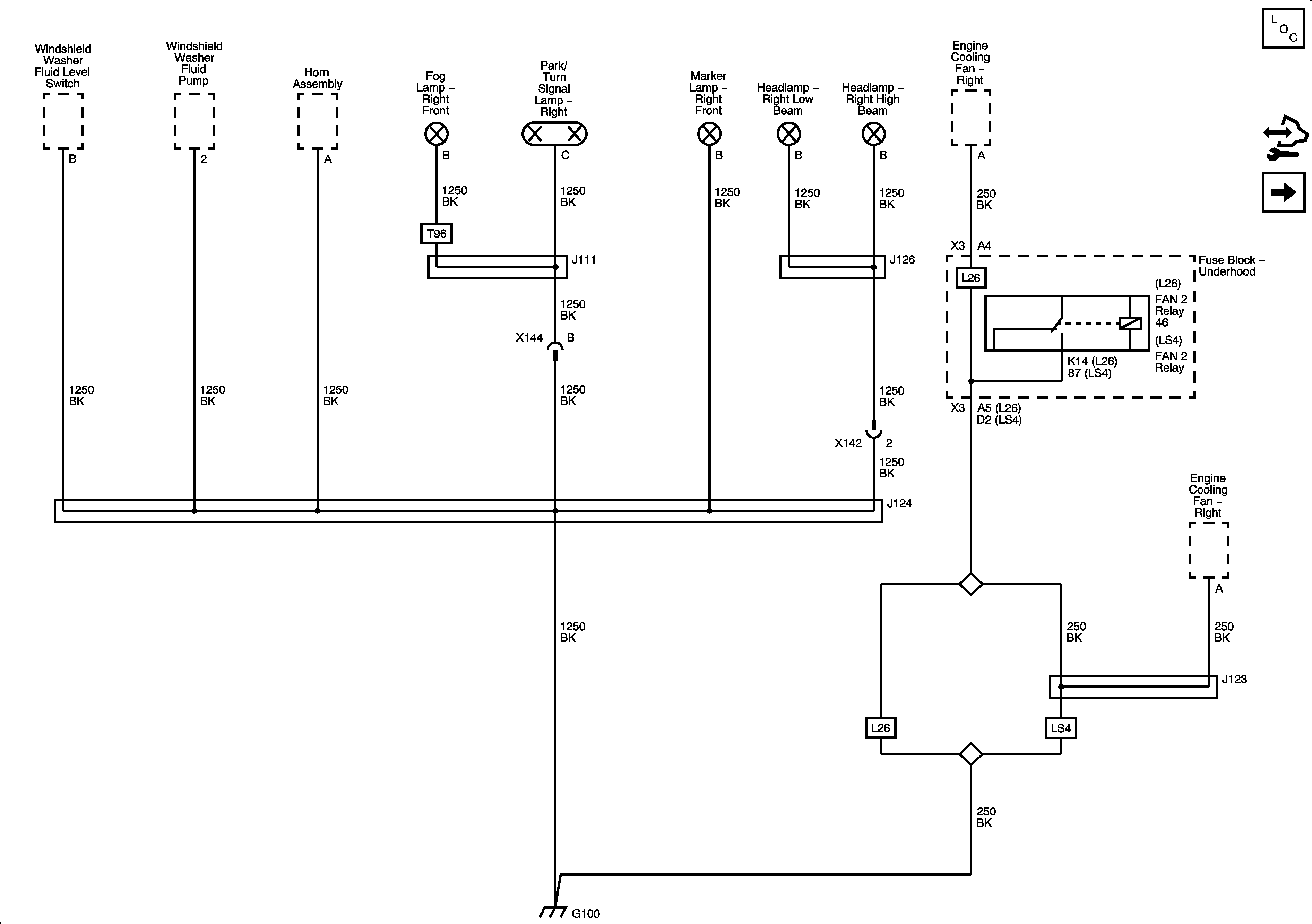
Figure 7:

G202


Object Number: 2082215  Size: FS
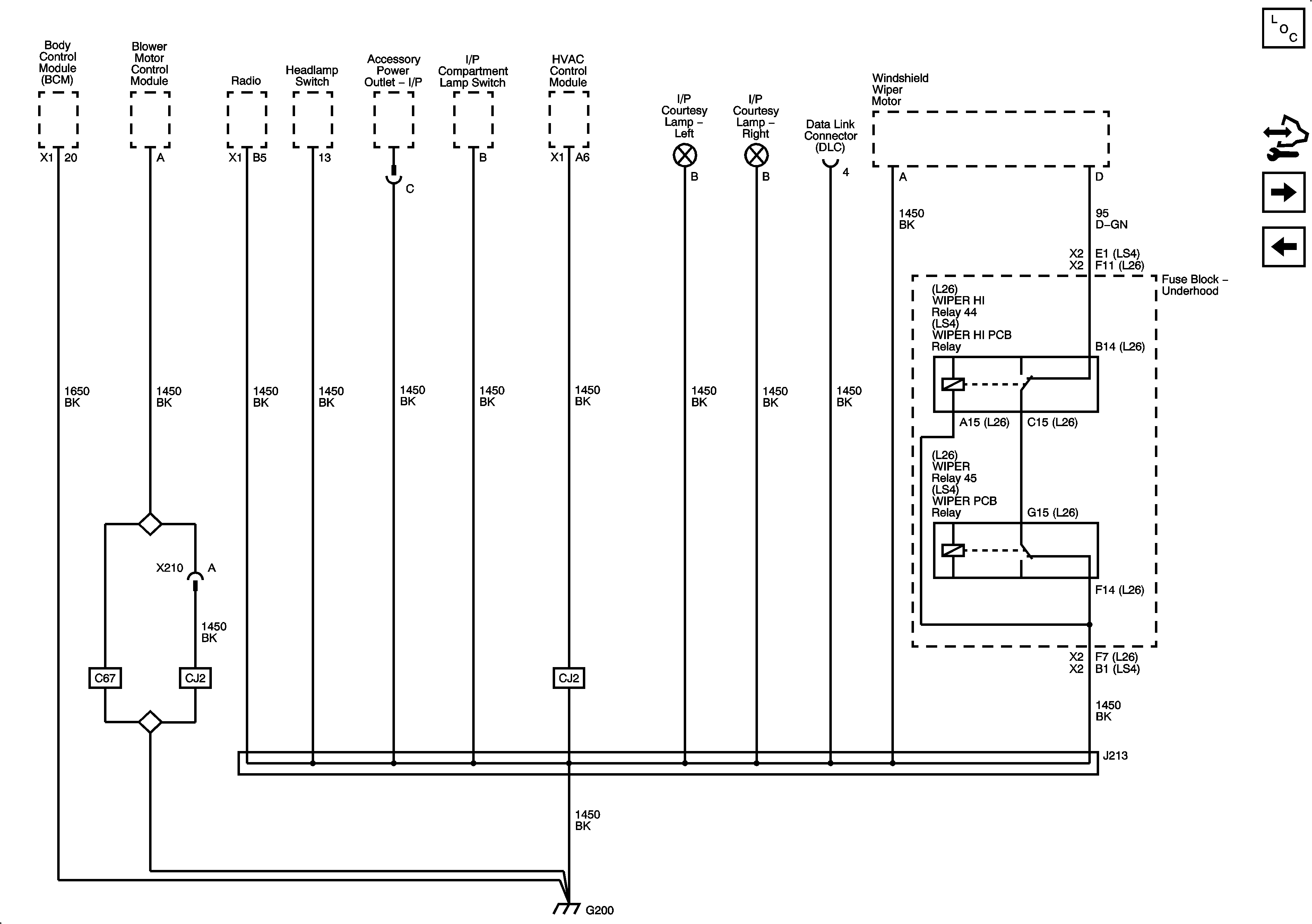
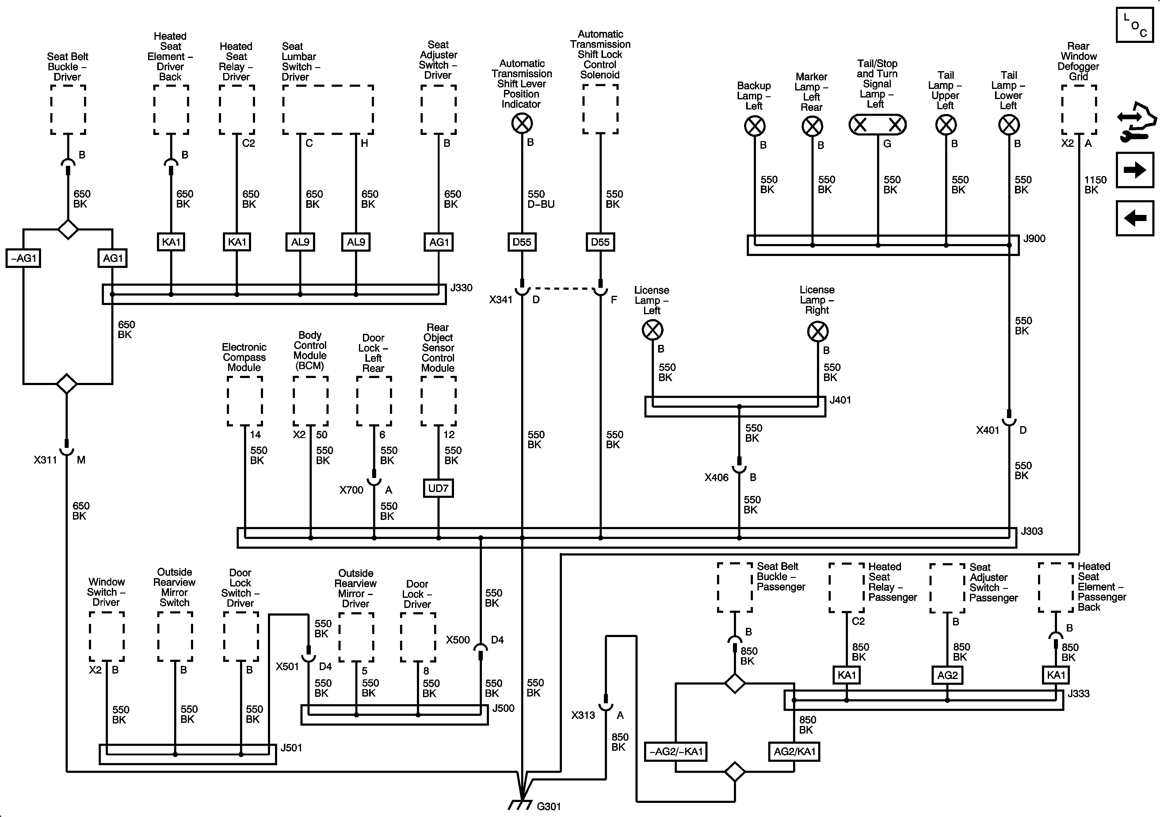
Figure 8:

G301


Object Number: 2082216  Size: FS
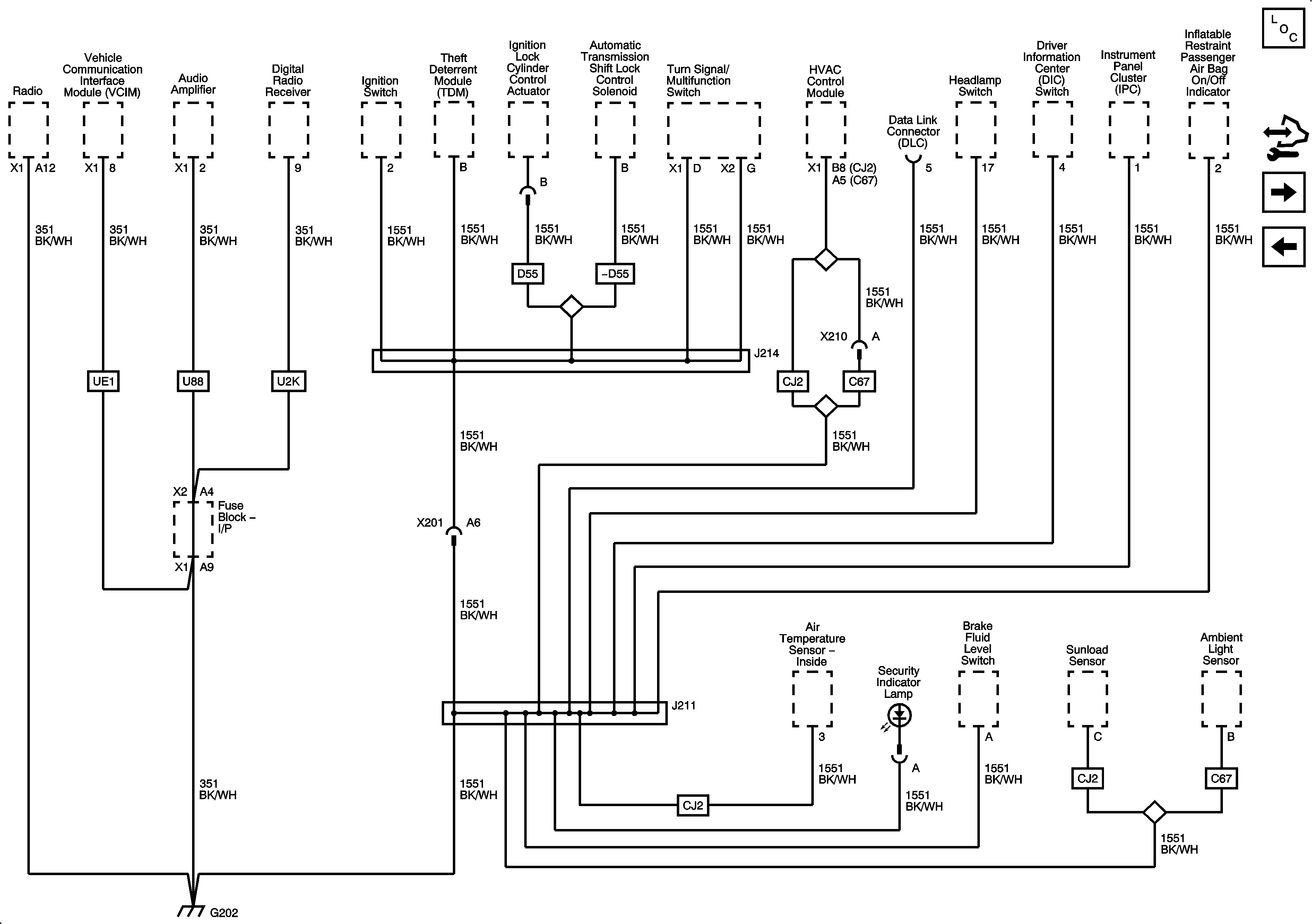
Figure 9:

G302


Object Number: 2082221  Size: FS