GM Service Manual Online
For 1990-2009 cars only
Figure 1:

Module Power, Ground, Serial Data, and MIL


Object Number: 2081575  Size: FS
Figure 2:

5-Volt and Low Reference


Object Number: 2081583  Size: FS
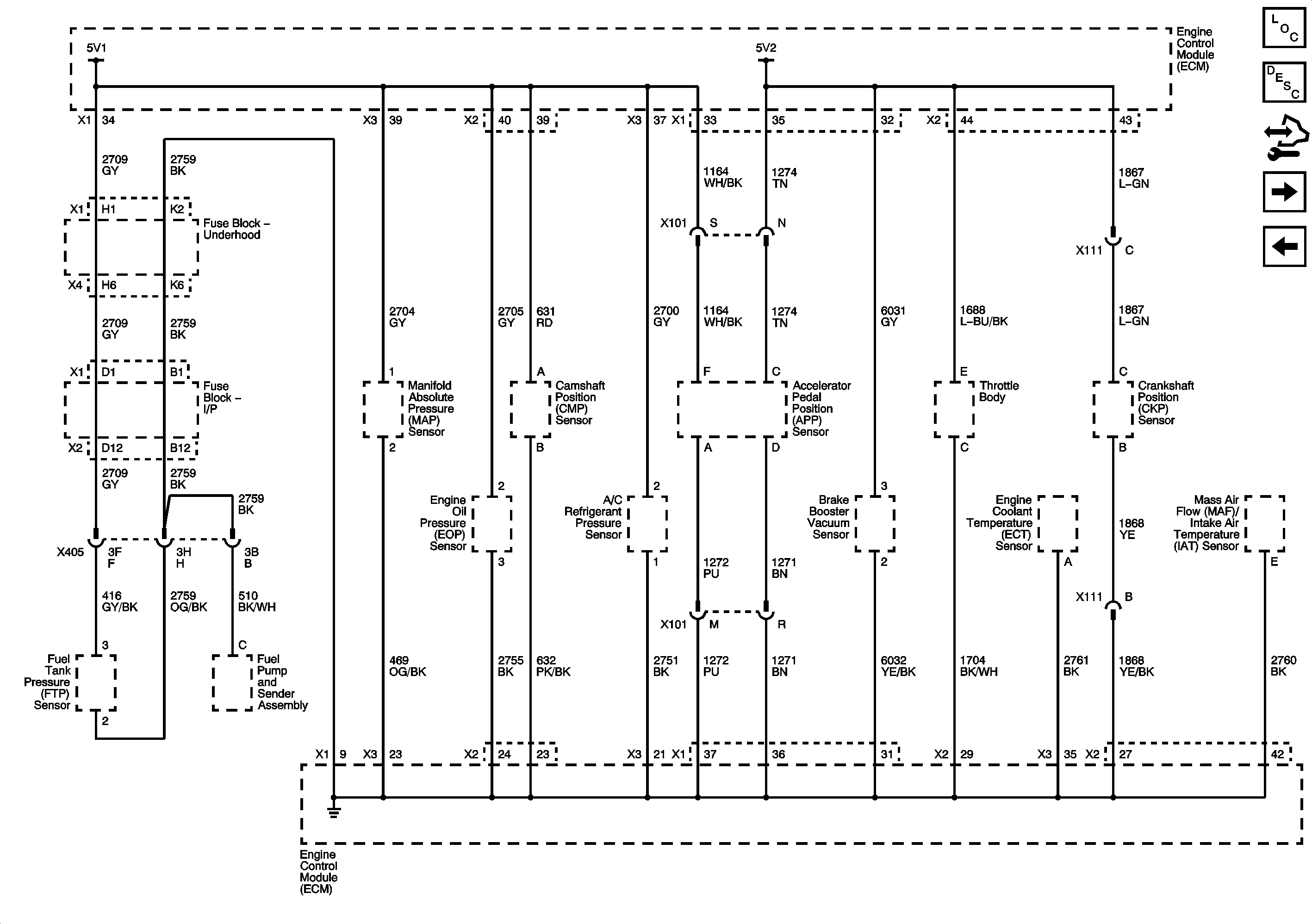
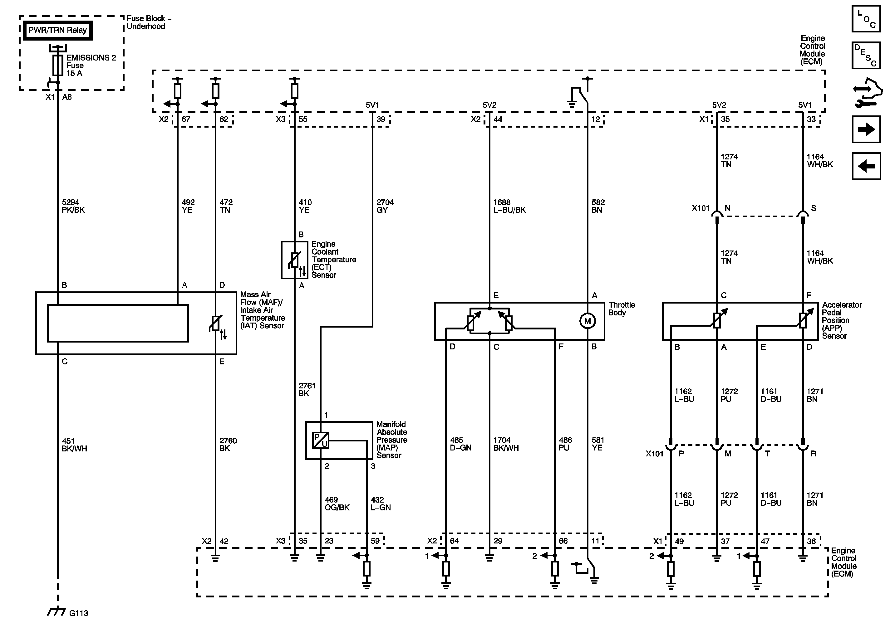
Figure 3:

Engine Data Sensors - Pressure, Temperature, and Throttle Control


Object Number: 2081585  Size: FS
Figure 4:

Engine Data Sensors - HO2S


Object Number: 2081588  Size: FS
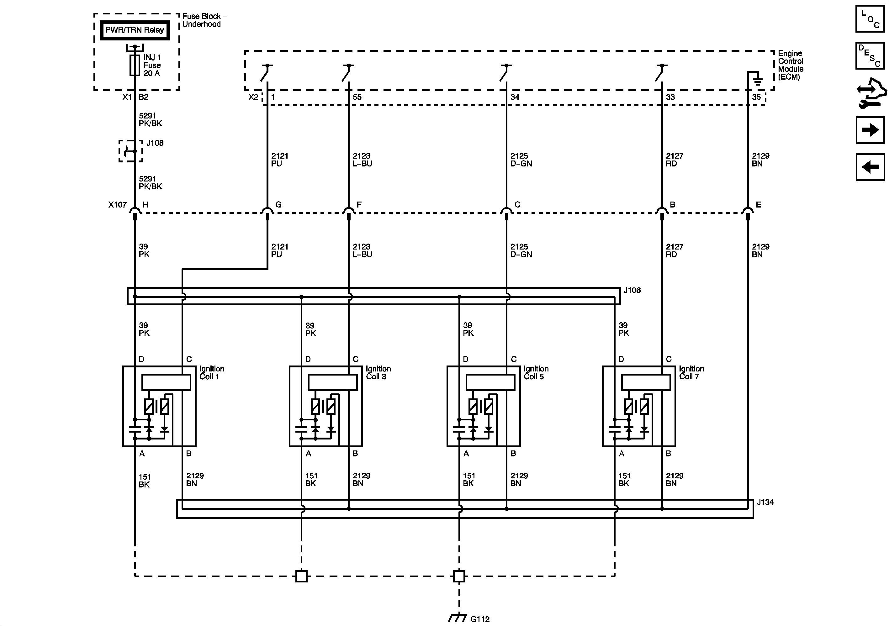
Figure 5:

Ignition Controls - Ignition System Coils 1, 3, 5, and 7


Object Number: 2081591  Size: FS
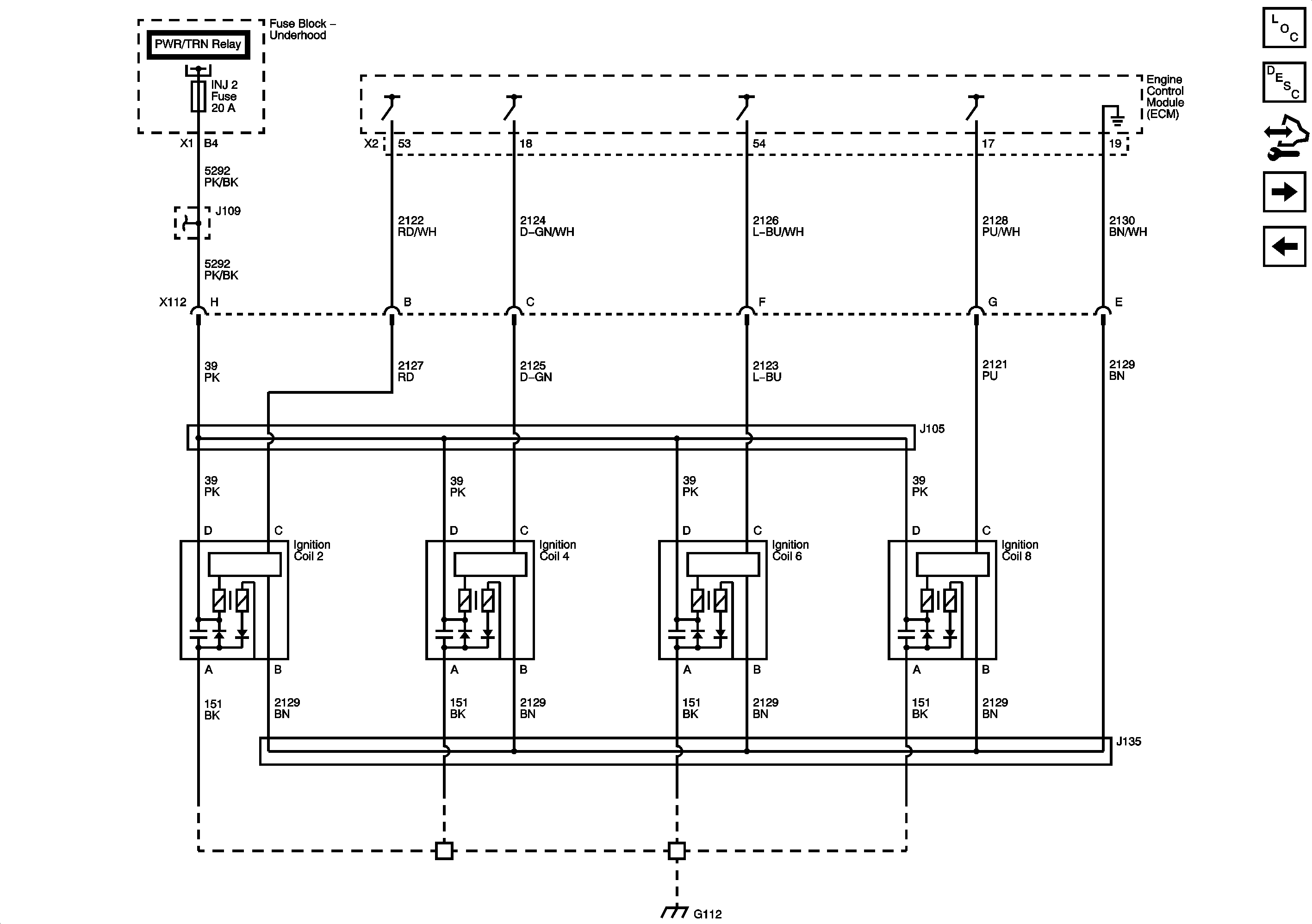
Figure 6:

Ignition Controls - Ignition System Coils 2, 4, 6, and 8


Object Number: 2081594  Size: FS
Figure 7:

Ignition Controls - Sensors


Object Number: 2081596  Size: FS
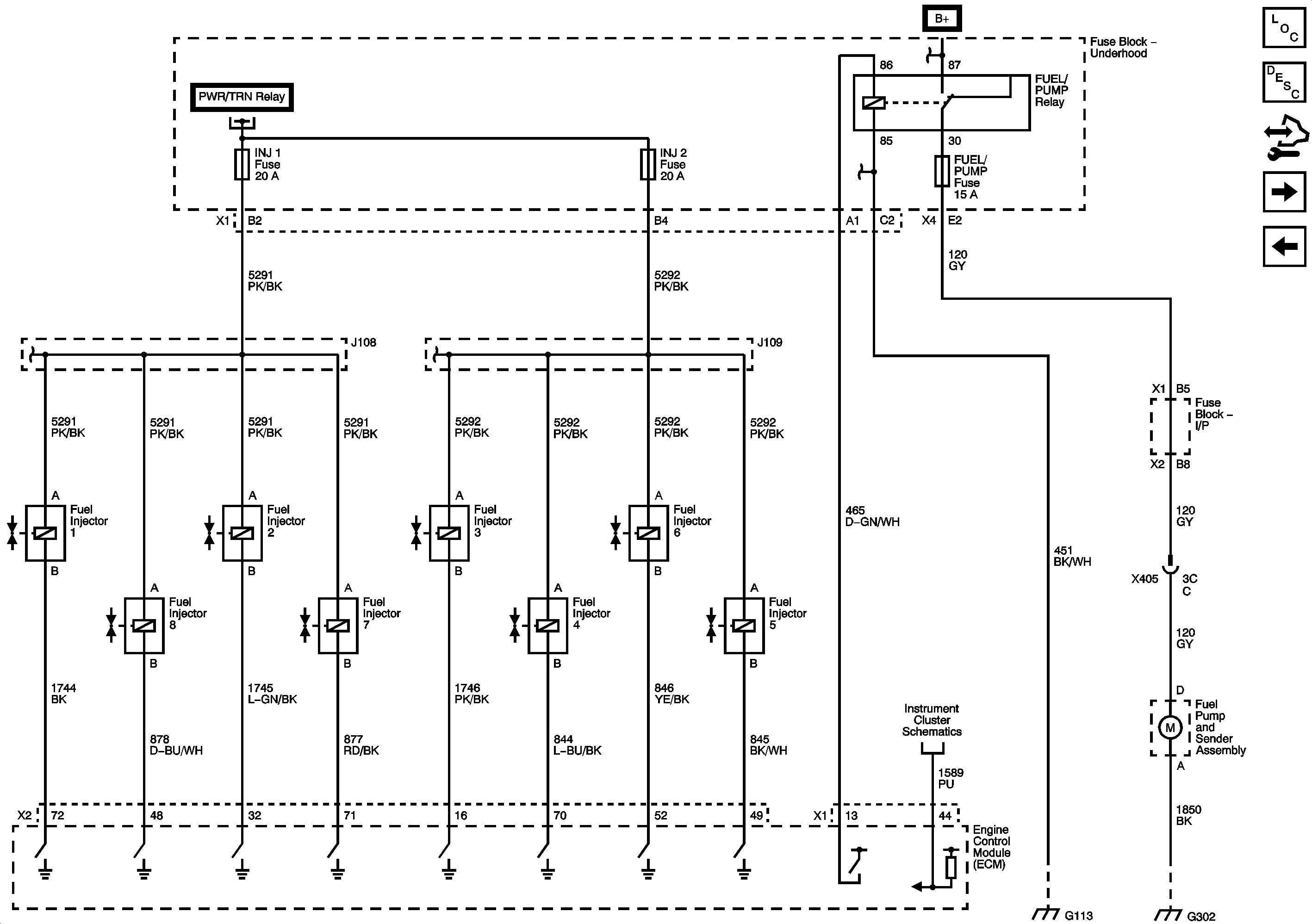
Figure 8:

Fuel Controls - Fuel Injectors and Fuel Pump Controls


Object Number: 2081598  Size: FS
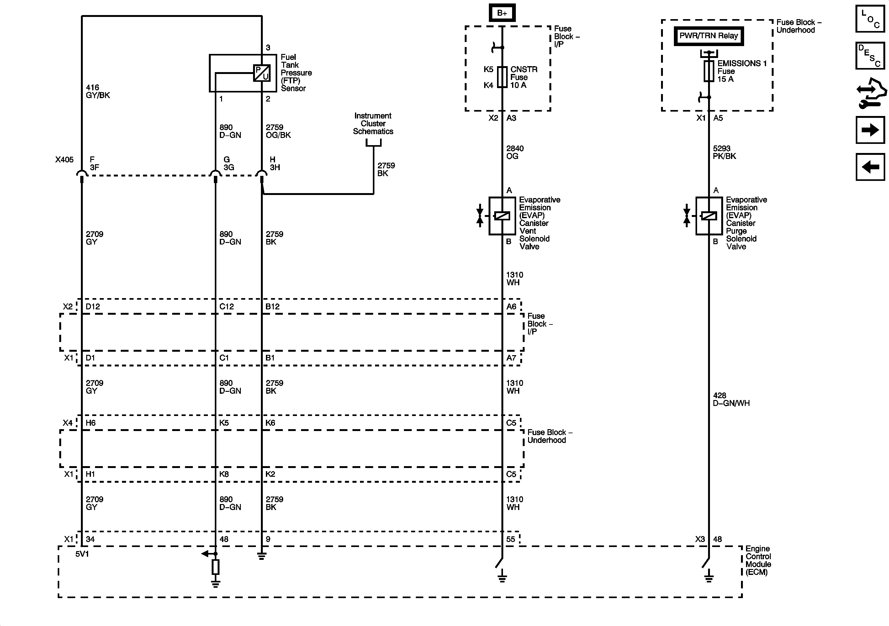
Figure 9:

Fuel Controls - EVAP Controls


Object Number: 2081601  Size: FS
Figure 10:

Monitored/Controlled Subsystem References


Object Number: 2081603  Size: FS