GM Service Manual Online
For 1990-2009 cars only
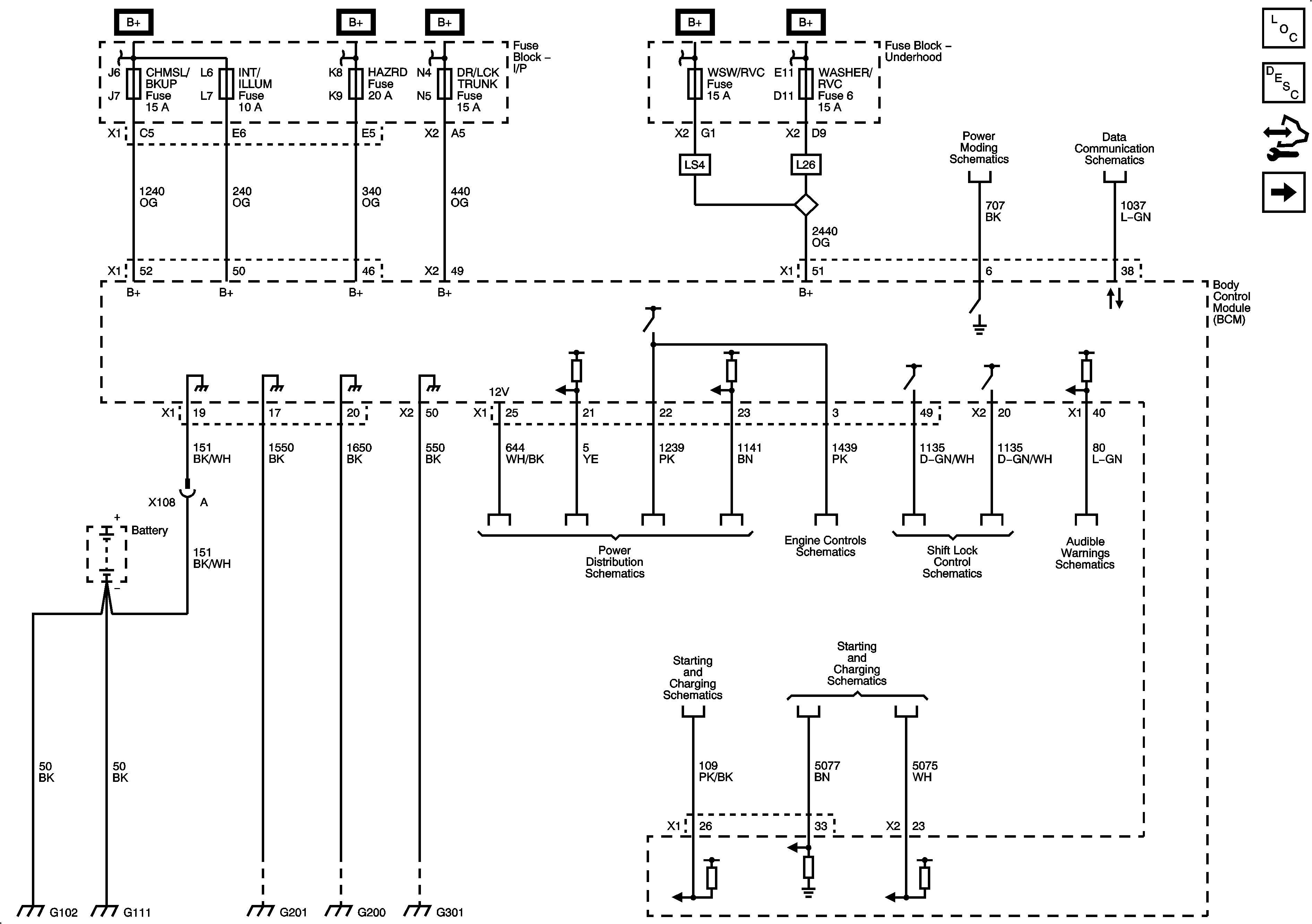
Figure 1:

Power, Ground, Serial Data, and Subsystem References (1 of 4)


Object Number: 2081709  Size: FS
Figure 2:

Subsystem References (2 of 4)


Object Number: 2081715  Size: FS
Figure 3:

Subsystem References (3 of 4)


Object Number: 2081719  Size: FS
Figure 4:

Subsystem References (4 of 4)


Object Number: 2081729  Size: FS