GM Service Manual Online
For 1990-2009 cars only
Figure 1:

Power, Ground and Blower Controls


Object Number: 2081659  Size: FS
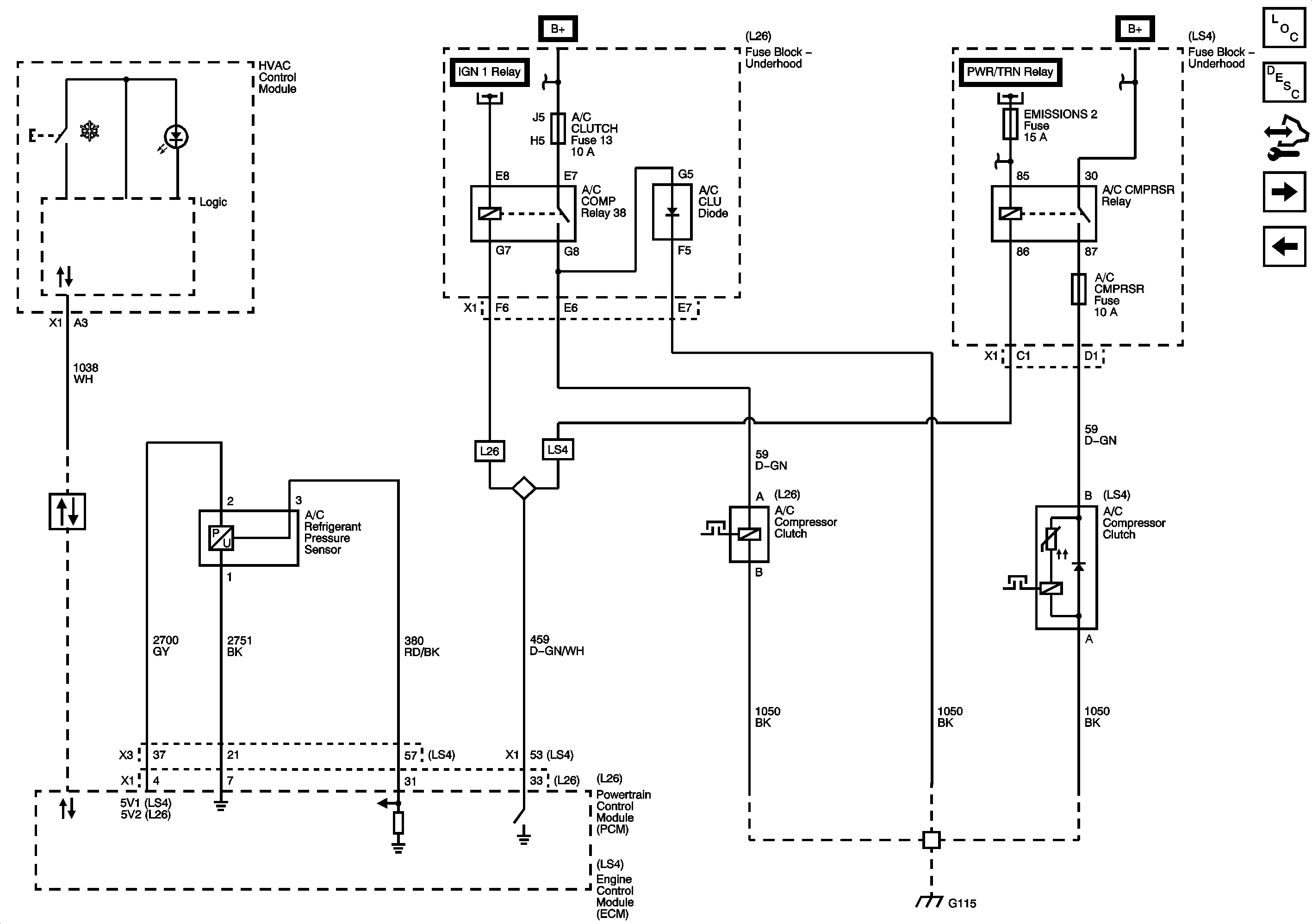
Figure 2:

Compressor Controls and Serial Data (L26/LS4)


Object Number: 2081663  Size: FS
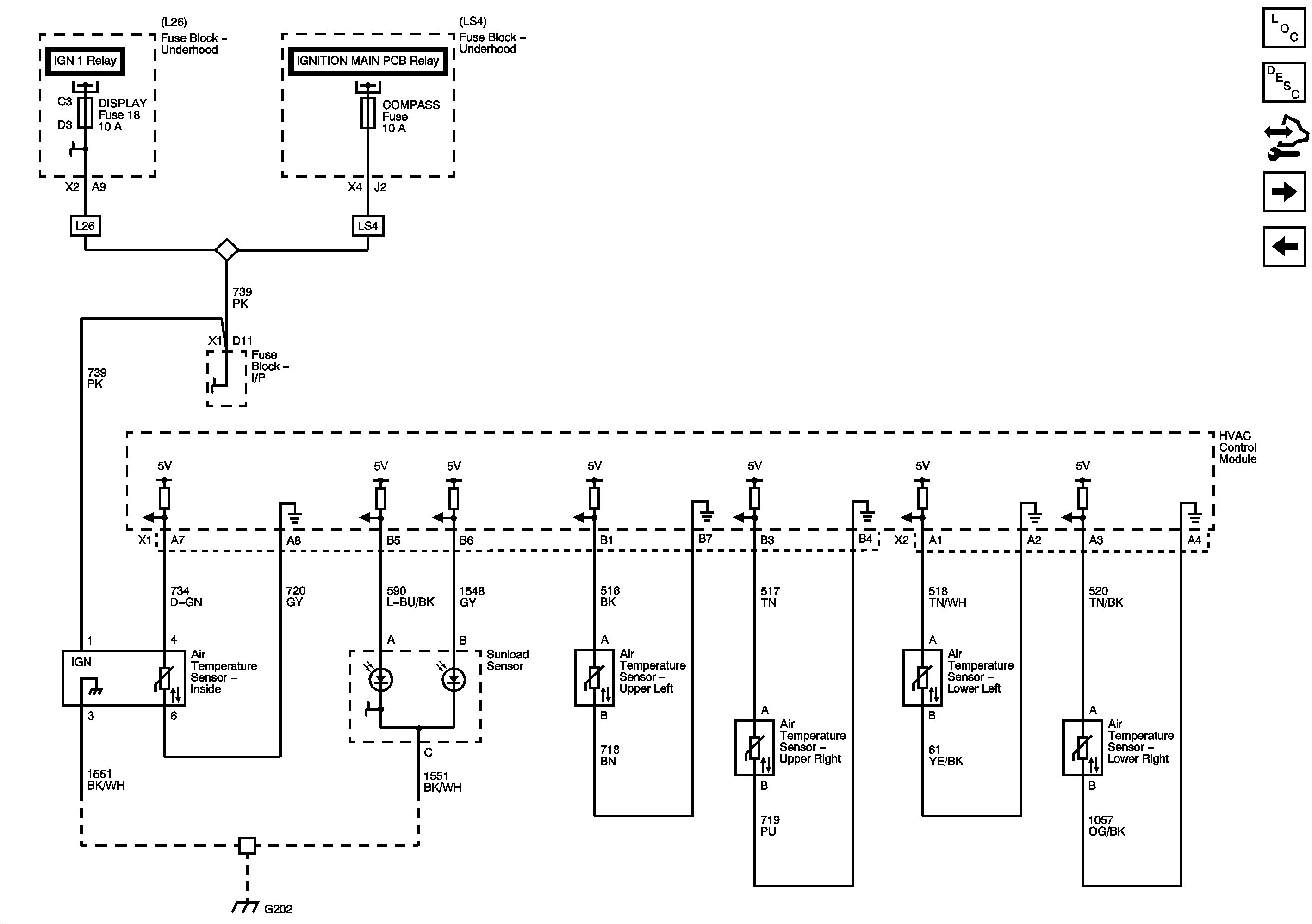
Figure 3:

AIR Temperature and Sunload Sensors


Object Number: 2081670  Size: FS
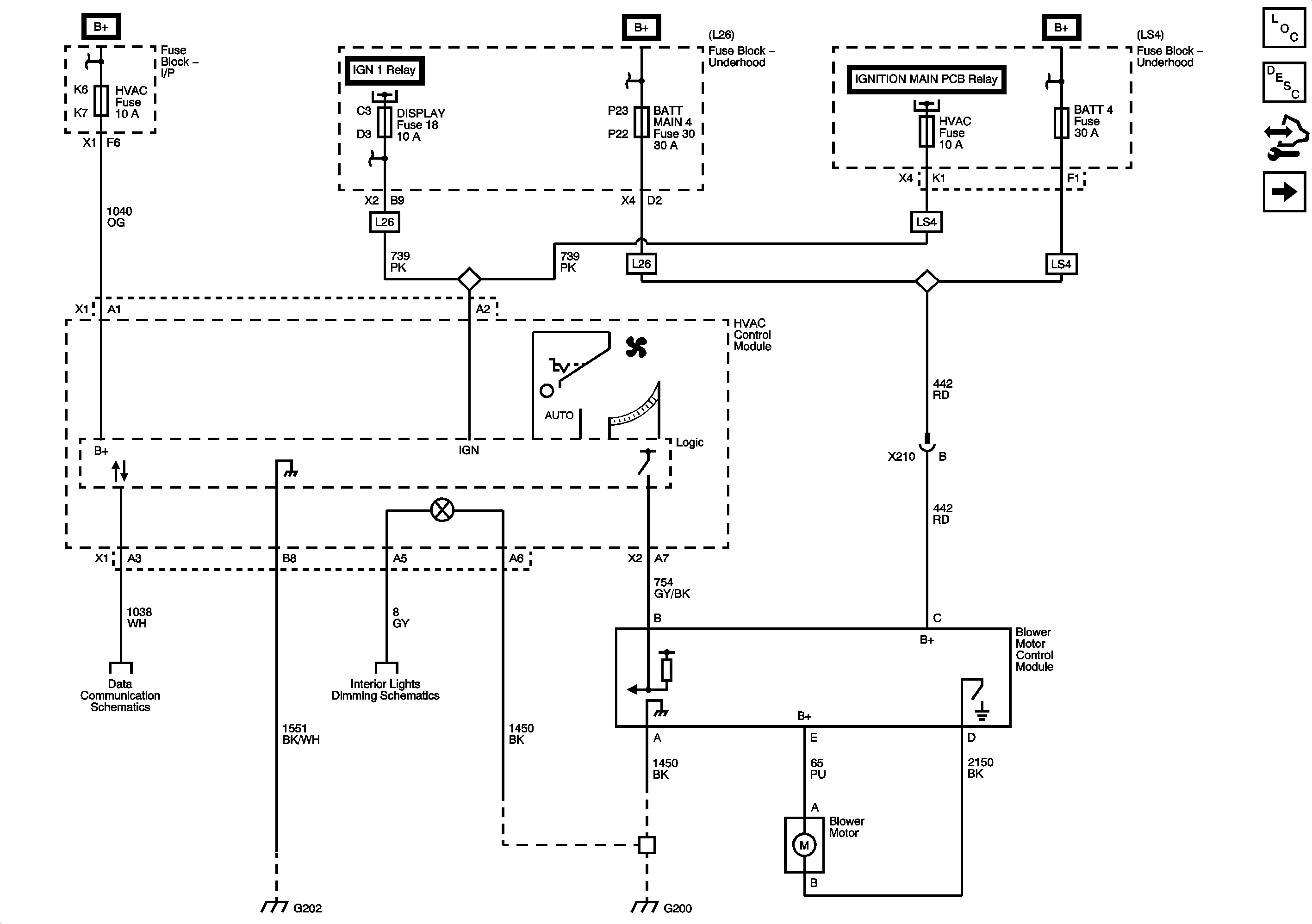
Figure 4:

Air Delivery/Temperature Controls


Object Number: 2081675  Size: FS