GM Service Manual Online
For 1990-2009 cars only
Makes
🢒
Buick
🢒
2009
🢒
LaCrosse
🢒
Diagnostic Navigation
🢒
Vehicle Diagnostic Information
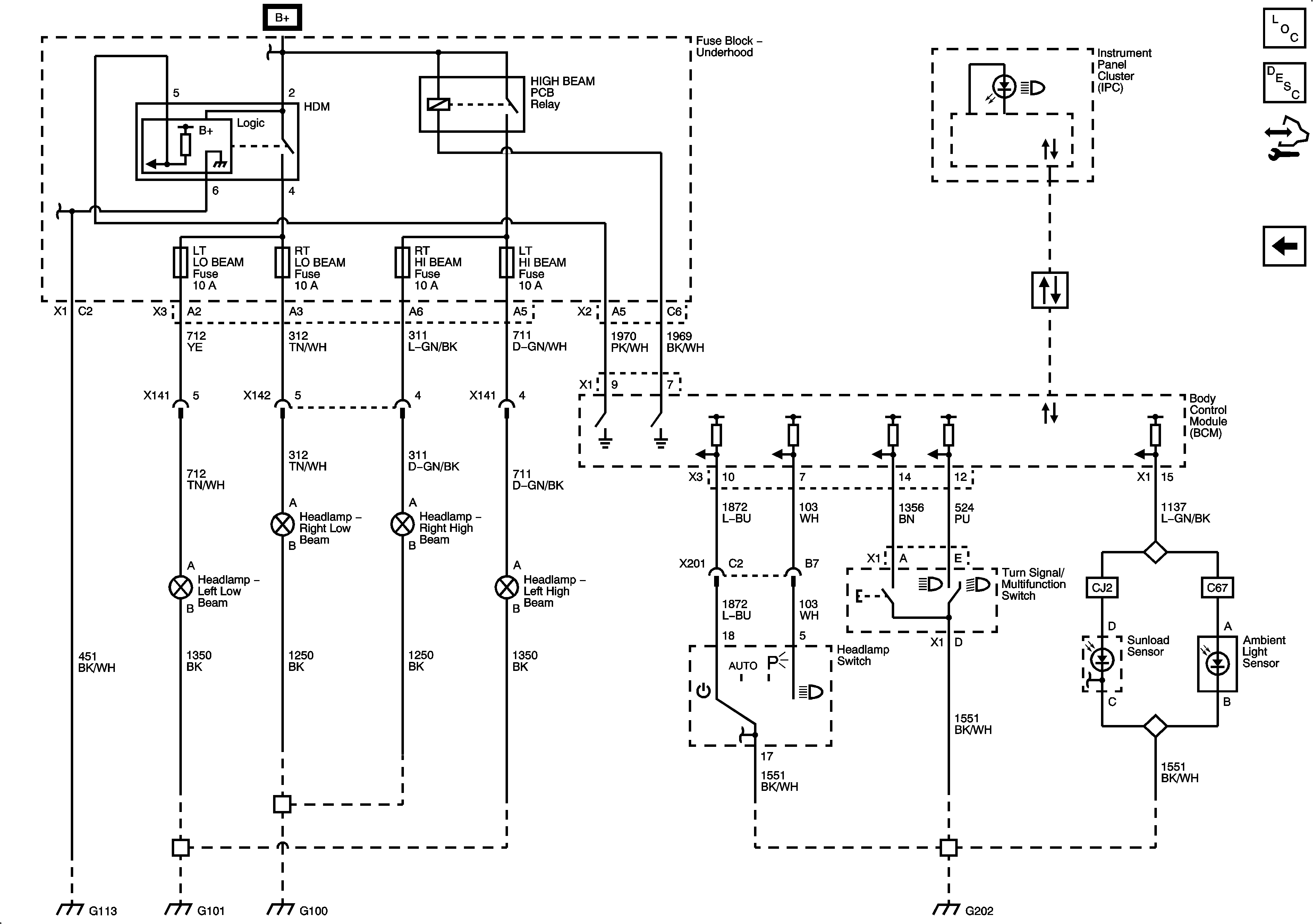
🢒 Headlights/Daytime Running Lights (DRL) Schematics
Figure
1:
L26
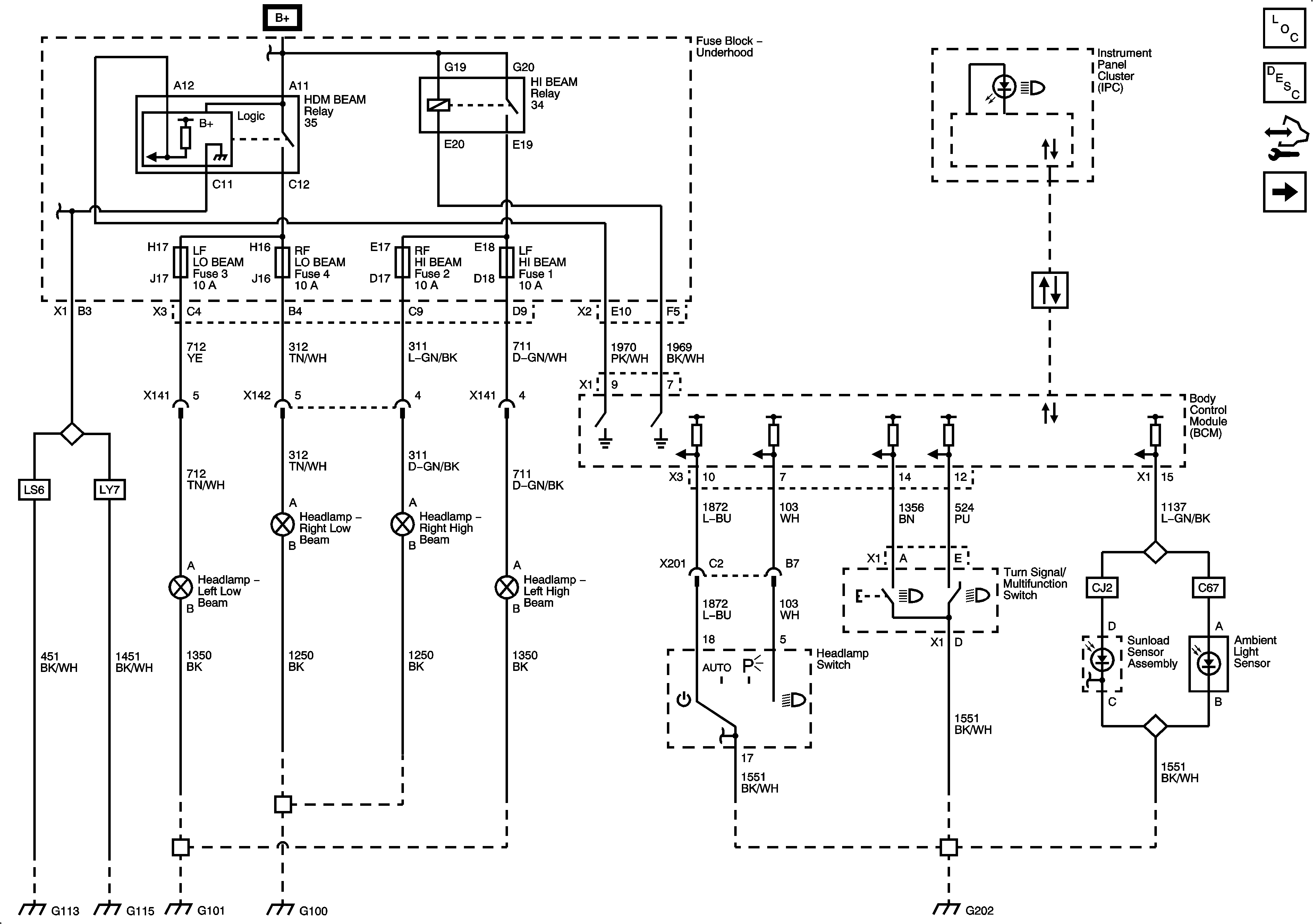
Figure
2:
LS4