GM Service Manual Online
For 1990-2009 cars only
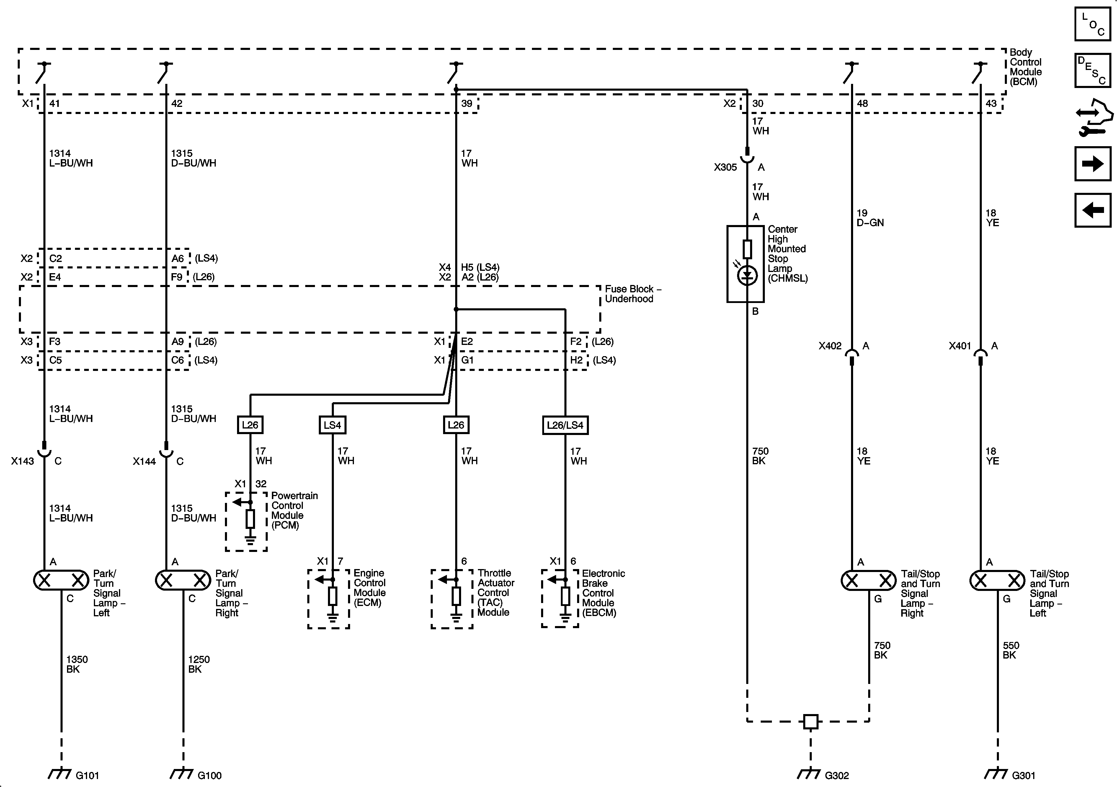
Figure 1:

Turn Signal, Hazard, and Stop Lamps Inputs


Object Number: 2080995  Size: FS
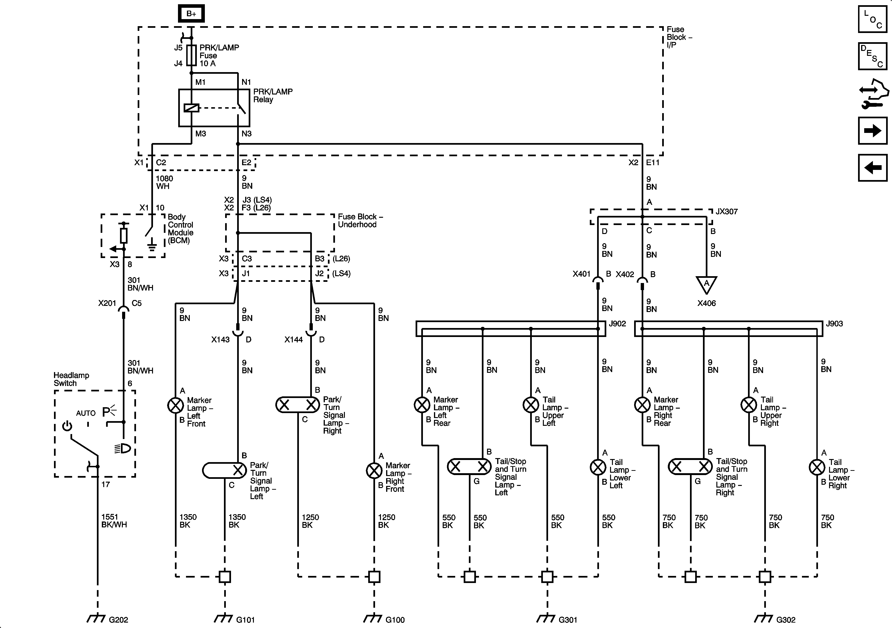
Figure 2:

Turn Signal, Hazard, and Stop Lamps Outputs


Object Number: 2080999  Size: FS
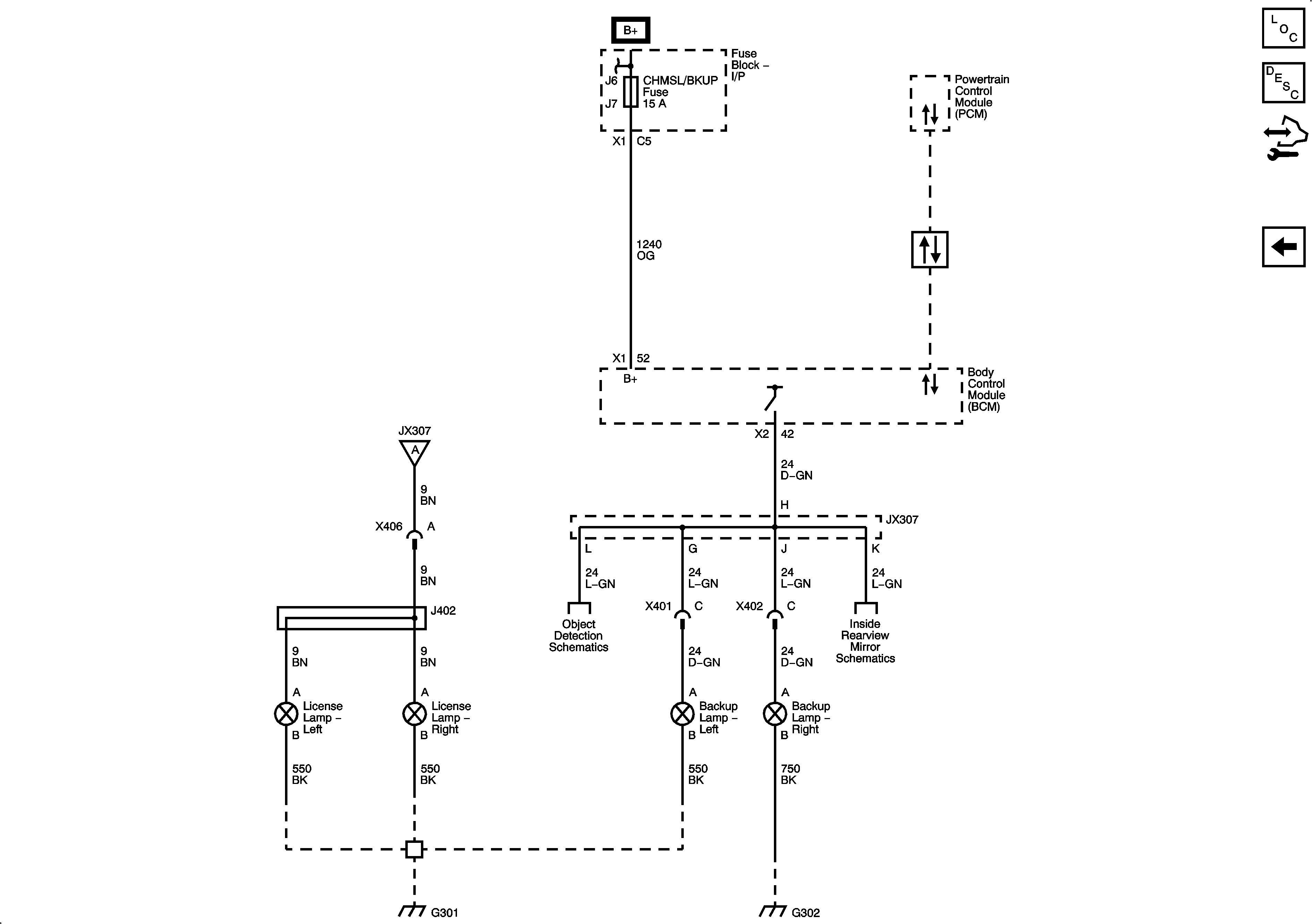
Figure 3:

Park Lamps


Object Number: 2081004  Size: FS
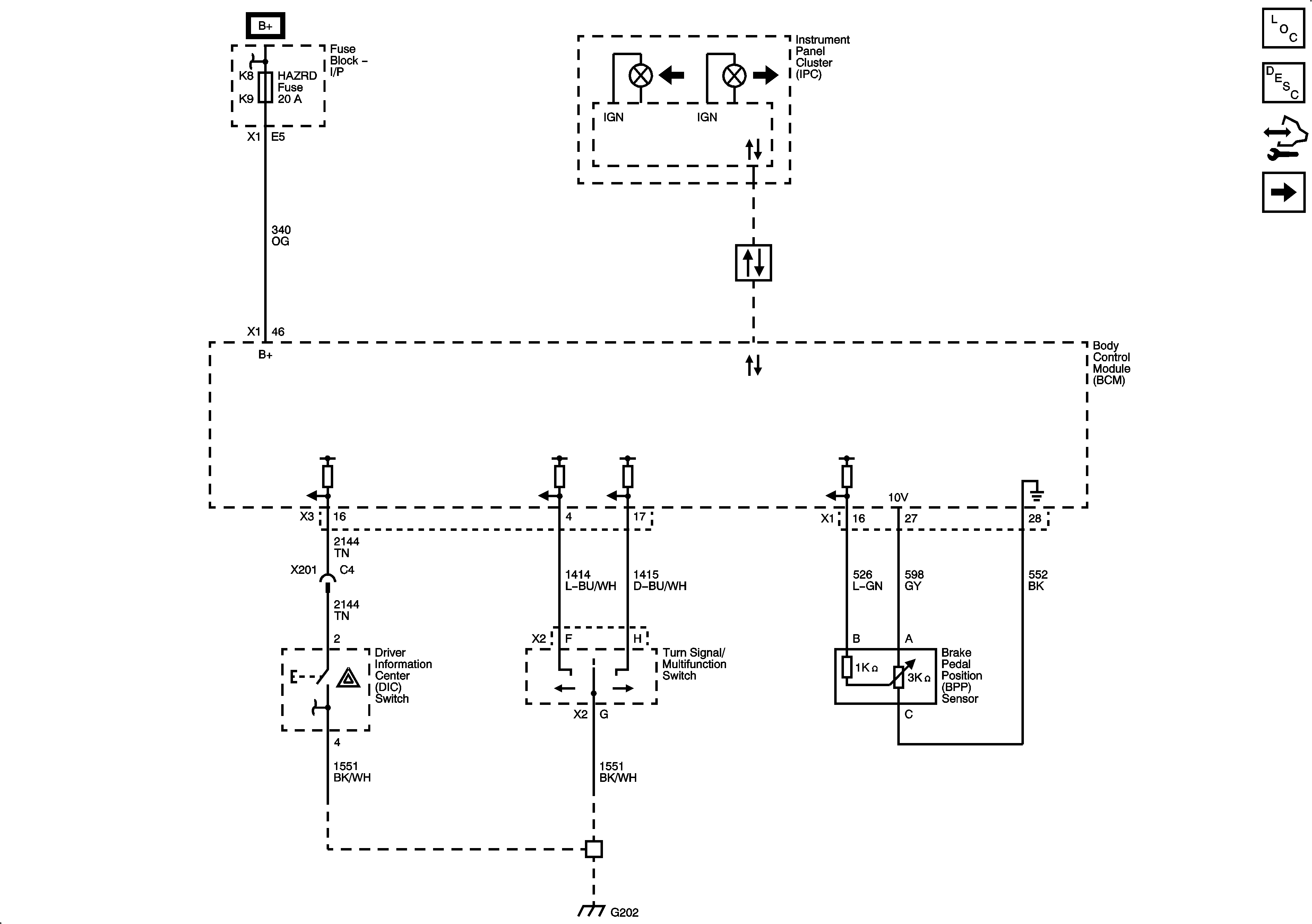
Figure 4:

Backup and License Lamps


Object Number: 2081054  Size: FS