GM Service Manual Online
For 1990-2009 cars only
Makes
🢒
Buick
🢒
2009
🢒
LaCrosse
🢒
Diagnostic Navigation
🢒
Vehicle Diagnostic Information
🢒 Interior Lights Schematics
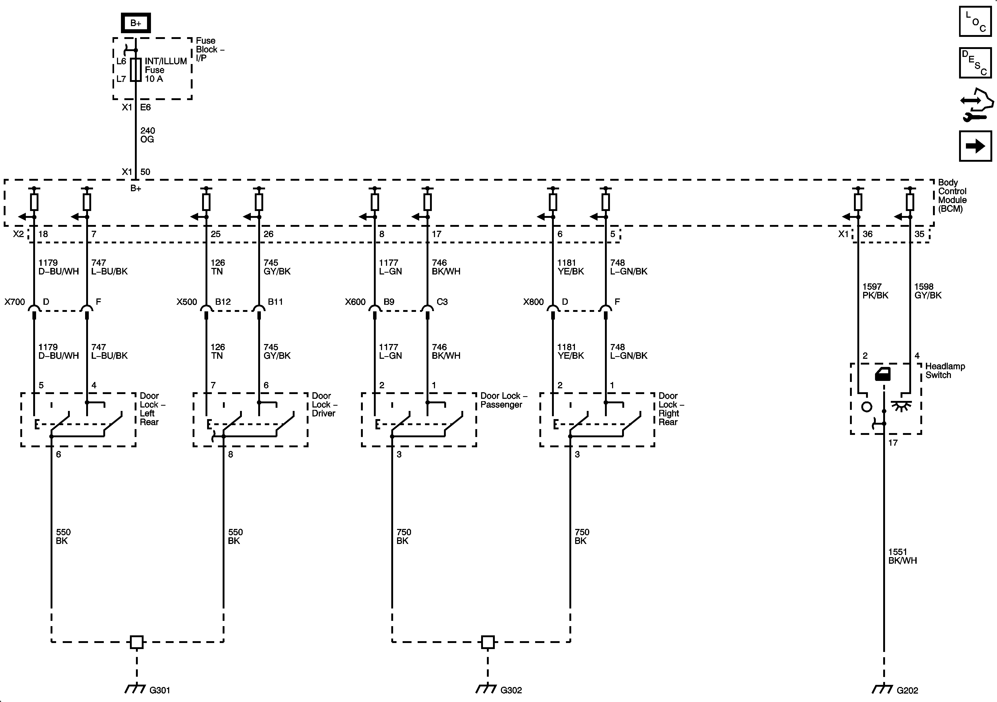
Figure
1:
Lamp Controls
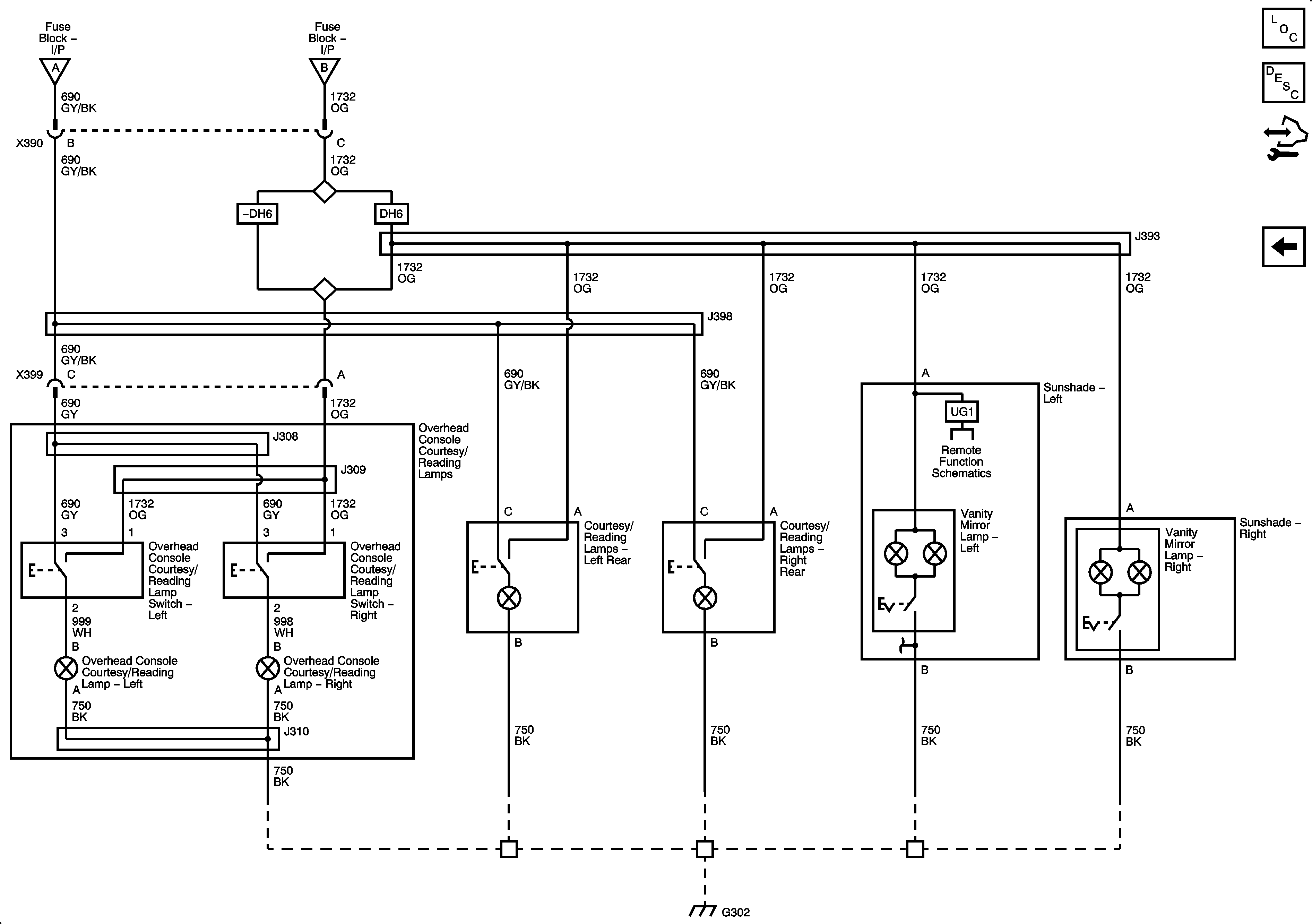
Figure
2:
Courtesy Lamps
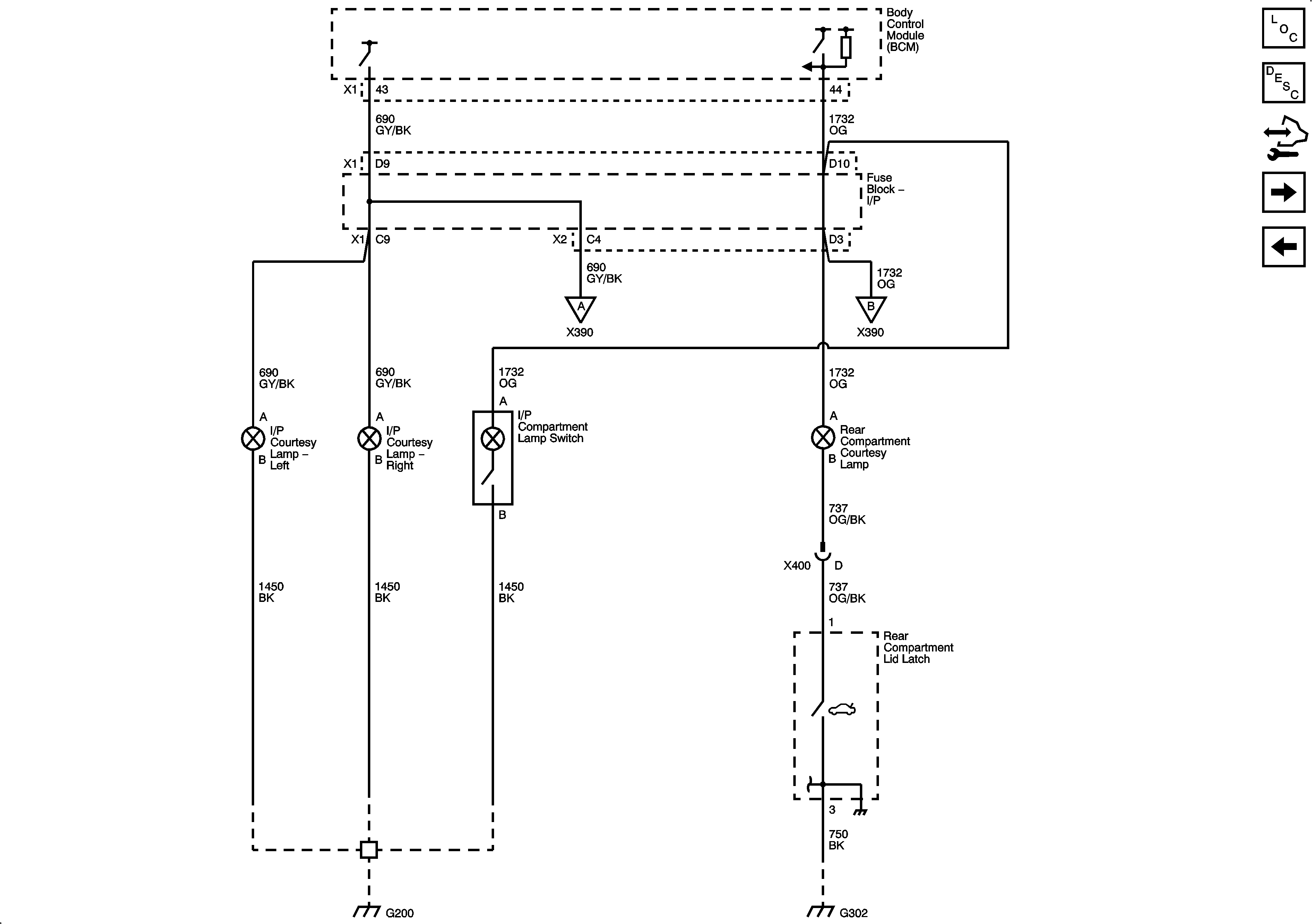
Figure
3:
Overhead Lighting