GM Service Manual Online
For 1990-2009 cars only
Figure 1:

Module Power, Ground, Serial Data, and MIL


Object Number: 2081430  Size: FS
Figure 2:

5-Volt and Low Reference


Object Number: 2081434  Size: FS
Figure 3:

Engine Data Sensors - Pressure and Temperature


Object Number: 2081436  Size: FS
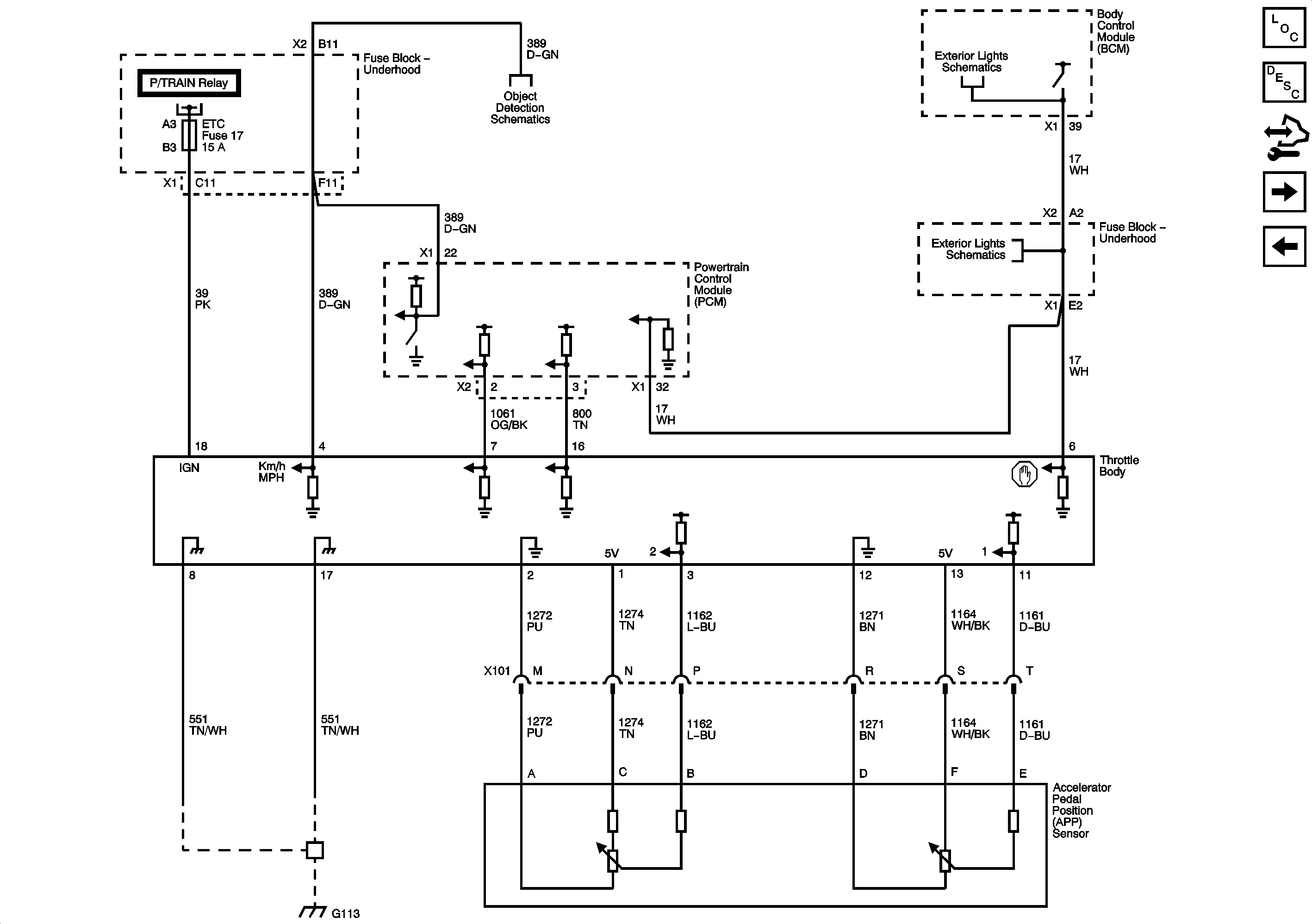
Figure 4:

Engine Data Sensors - Electronic Throttle Controls


Object Number: 2081440  Size: FS
Figure 5:

Engine Data Sensors - HO2S


Object Number: 2081442  Size: FS
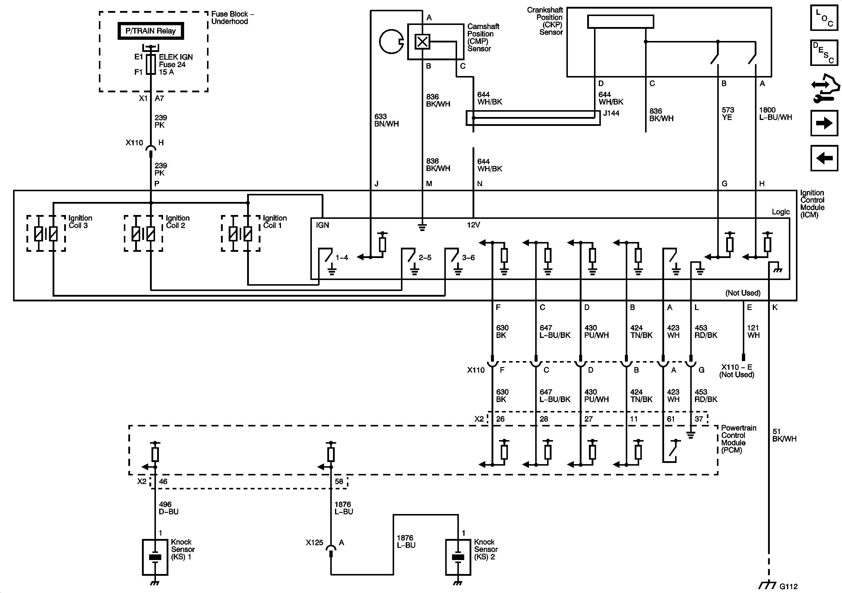
Figure 6:

Ignition Controls - CKP, CMP, and Knock Sensors


Object Number: 2081446  Size: FS
Figure 7:

Fuel Controls - Fuel Injectors and Fuel Pump Controls


Object Number: 2081449  Size: FS
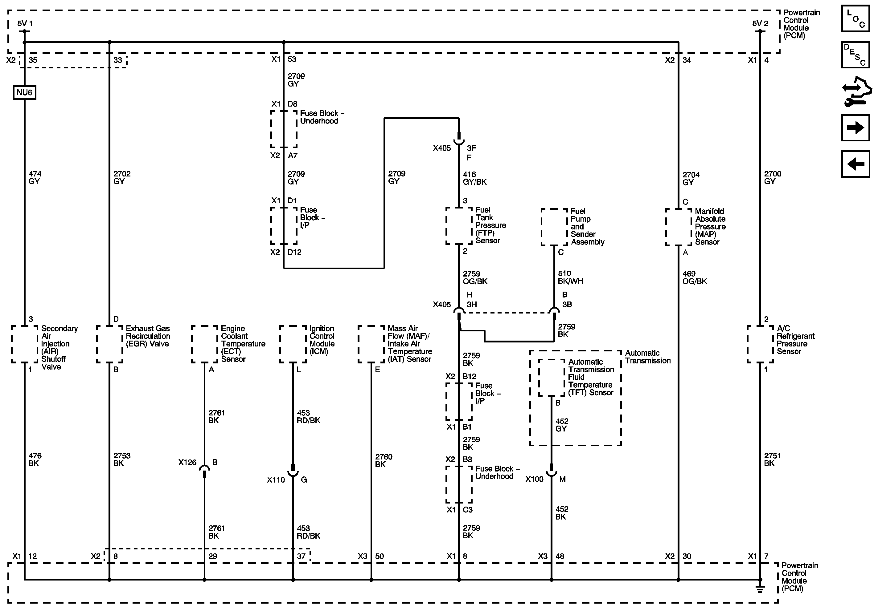
Figure 8:

Fuel Controls - EVAP, EGR, and FTP Controls


Object Number: 2081452  Size: FS
Figure 9:

AIR Controls (NU6)


Object Number: 2081454  Size: FS
Figure 10:

Monitored/Controlled Subsystem References


Object Number: 2081534  Size: FS
Figure 11:

Automatic Transmission Control References


Object Number: 2081543  Size: FS