GM Service Manual Online
For 1990-2009 cars only
Makes
🢒
Buick
🢒
2009
🢒
LaCrosse
🢒
Diagnostic Navigation
🢒
Vehicle Diagnostic Information
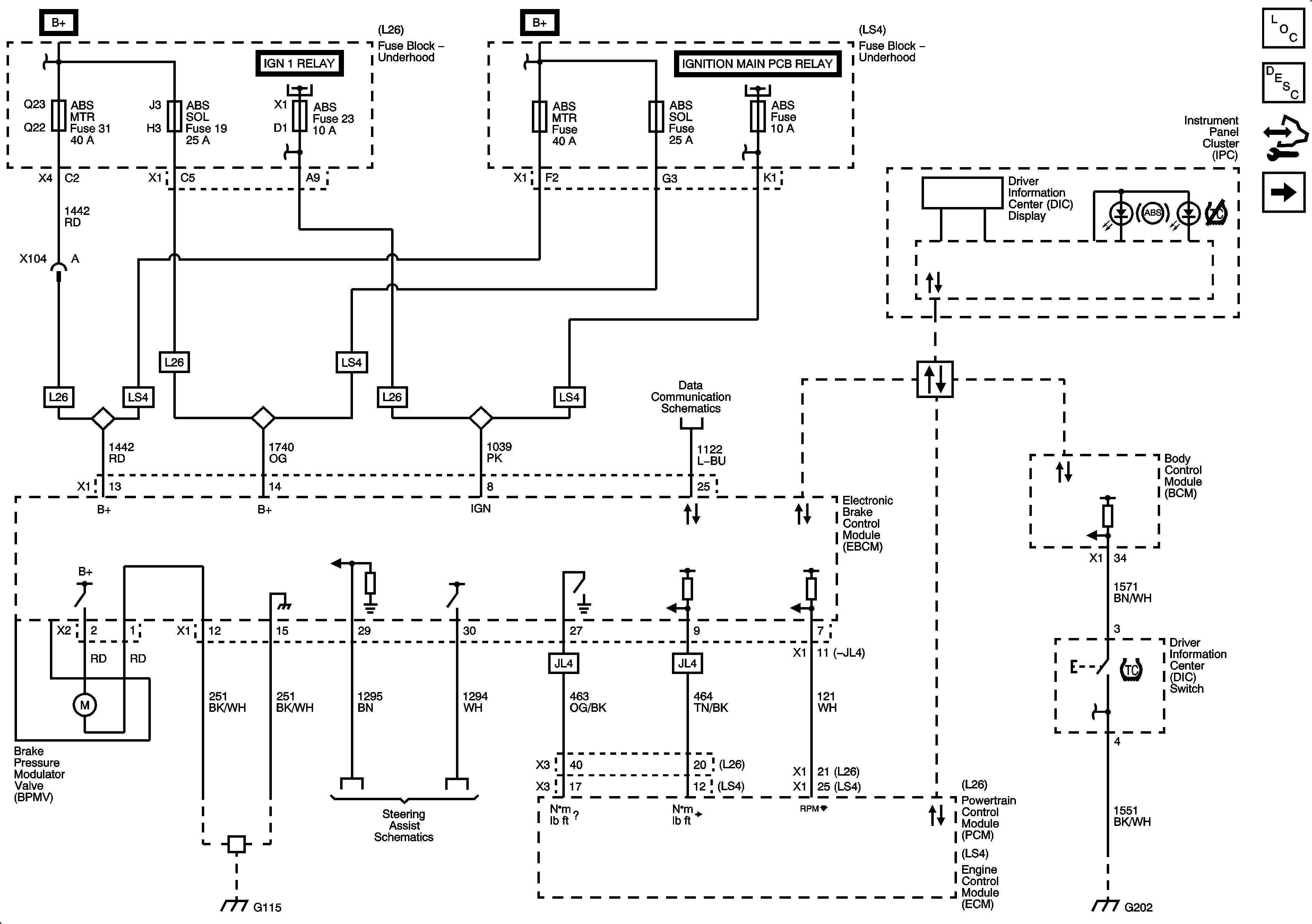
🢒 Antilock Brake System Schematics
Figure
1:
Power, Ground, Brake Pressure Modulator Valve (BPMV), Traction Control, and Serial Data
Figure
2:
Wheel Speed Sensors (JL4)
Figure
3:
Active Brake, Stability Controls, and Brake Pedal Position (BPP) Sensor