GM Service Manual Online
For 1990-2009 cars only
Makes
🢒
Buick
🢒
2009
🢒
LaCrosse
🢒
Body Systems
🢒
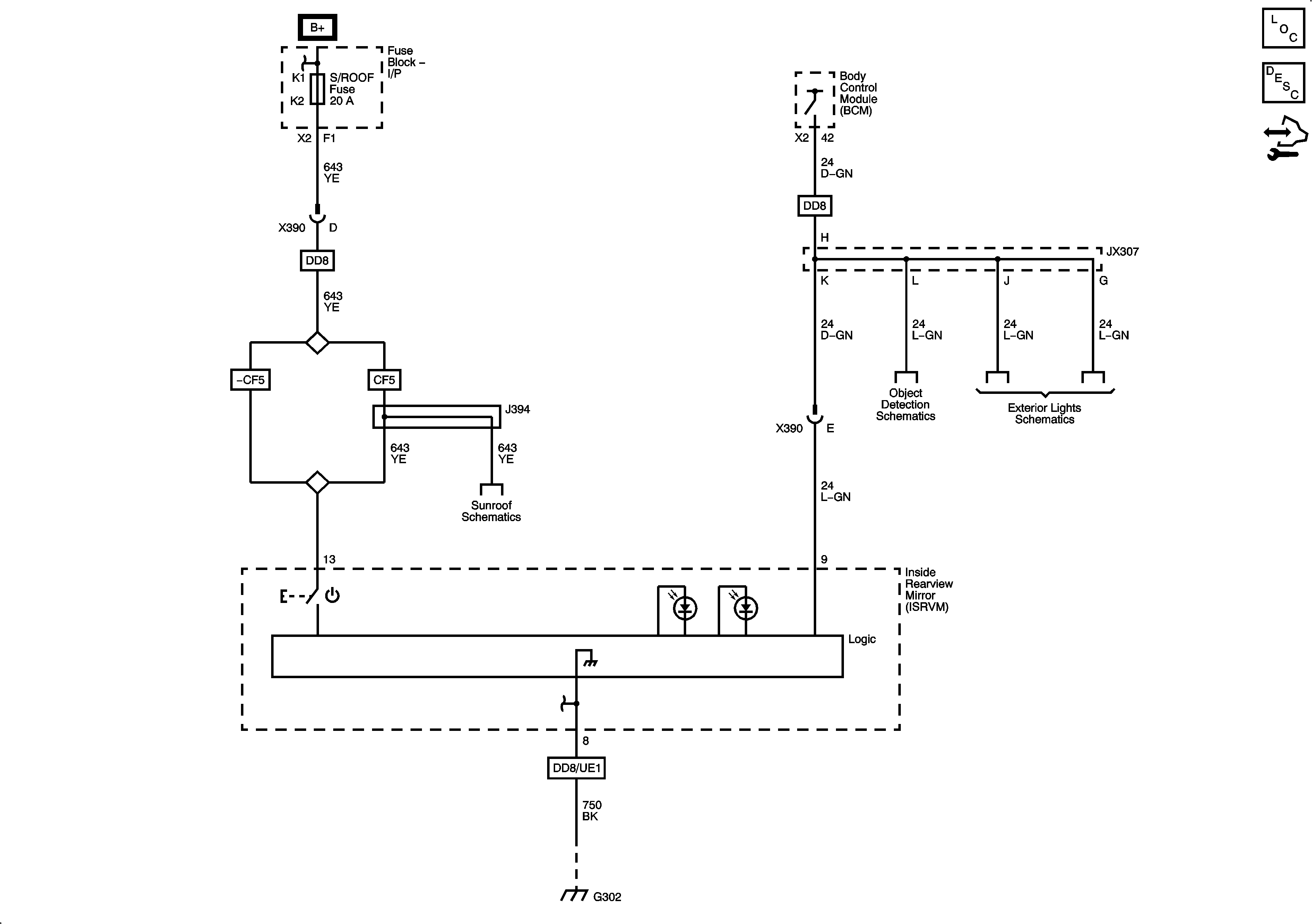
Mirrors
🢒 Inside Rearview Mirror Schematics