GM Service Manual Online
For 1990-2009 cars only
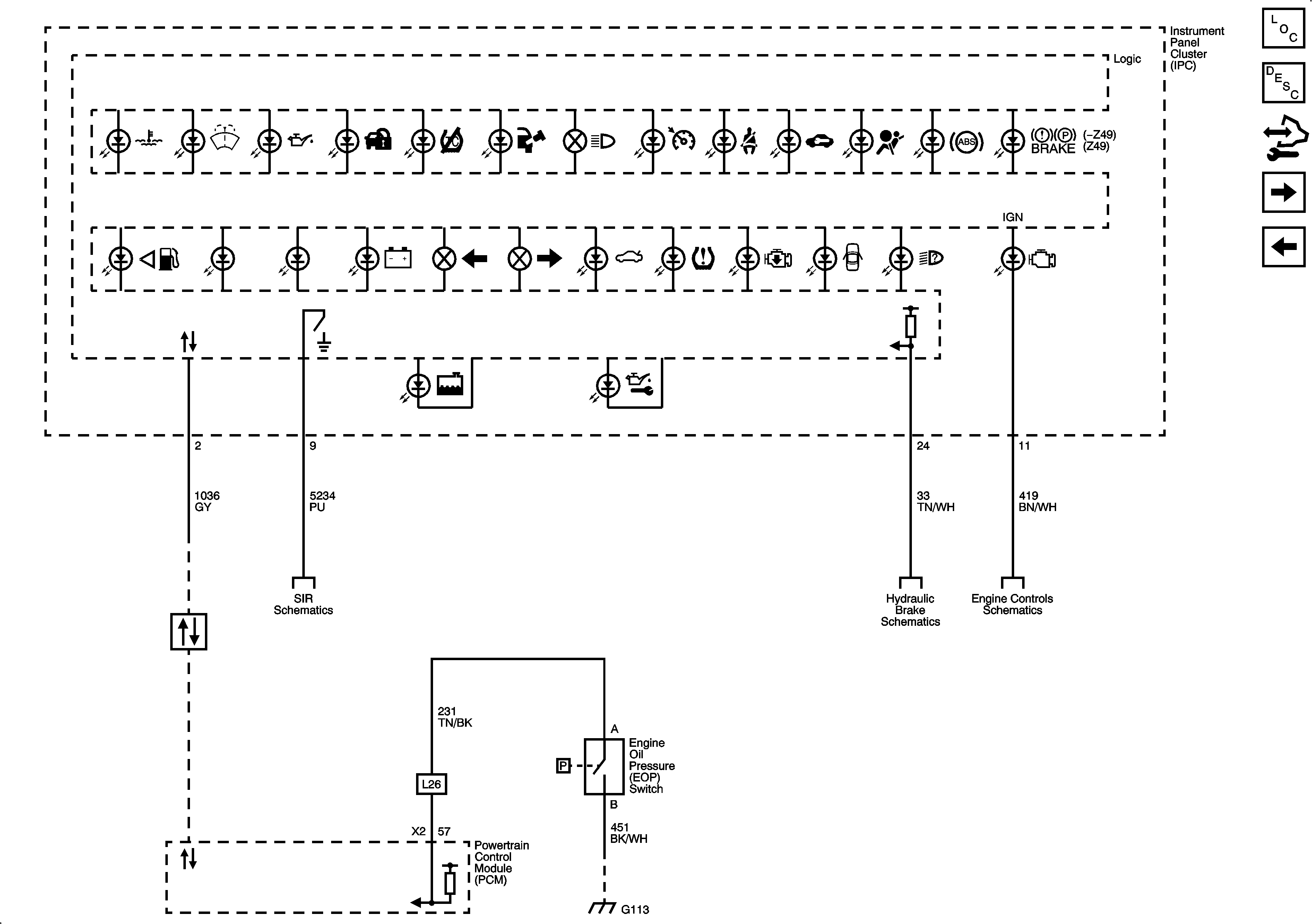
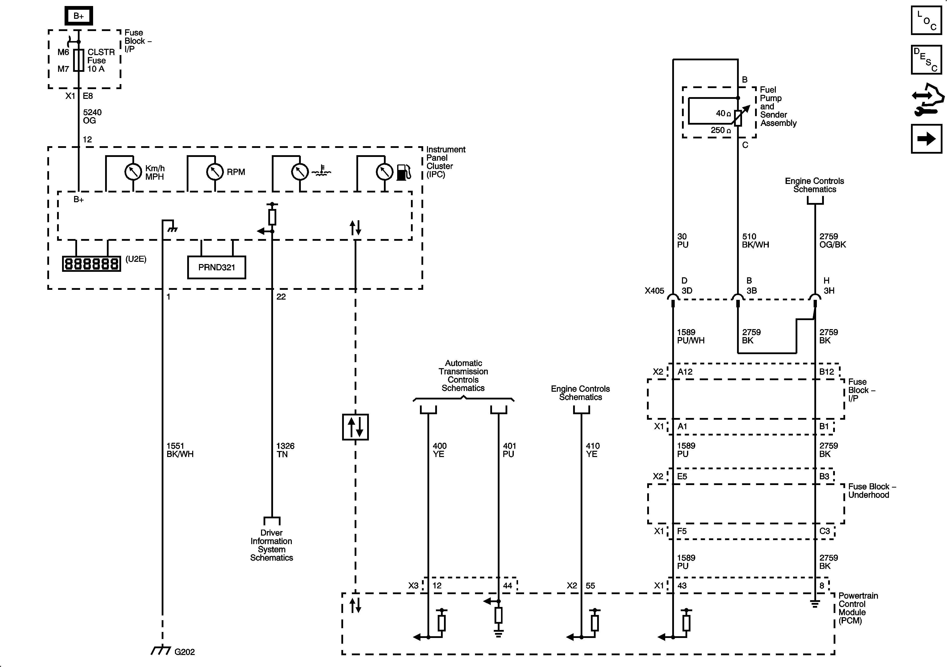
Figure 1:

Power, Ground, Serial Data, and Gages (L26)


Object Number: 2081343  Size: FS
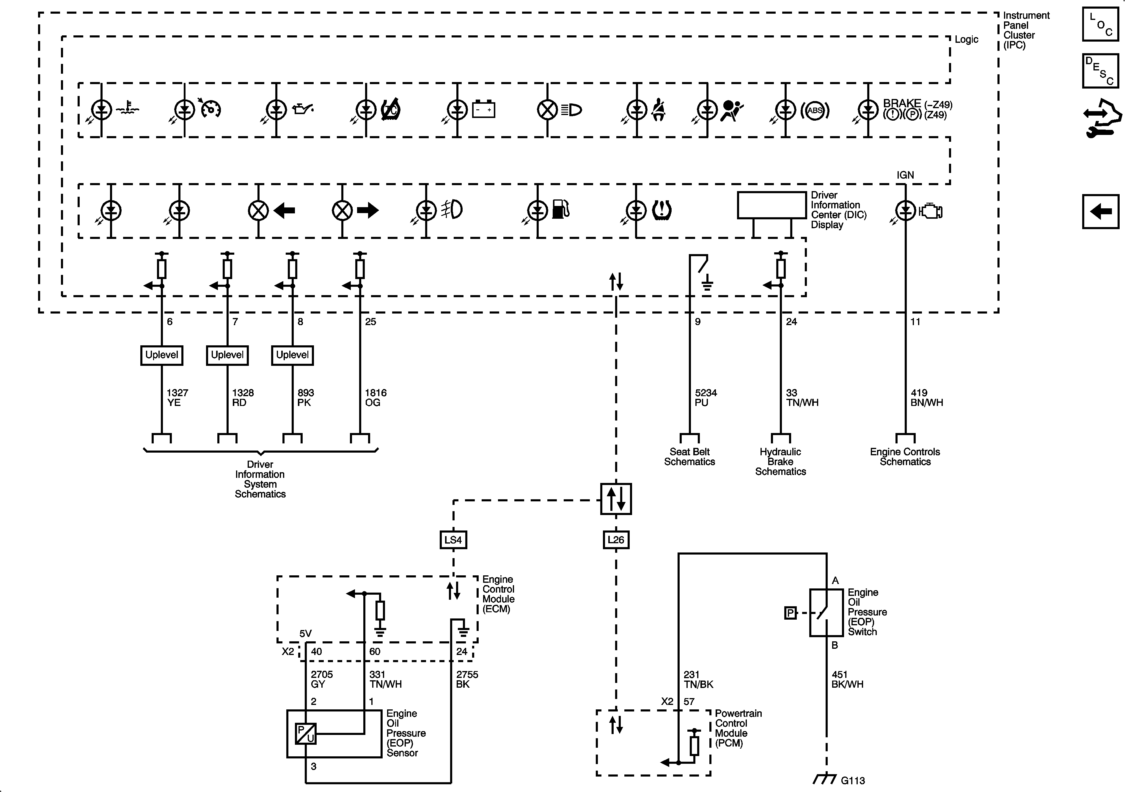
Figure 2:

Power, Ground, Serial Data, and Gages (LS4)


Object Number: 2081344  Size: FS
Figure 3:

Indicators (U2E)


Object Number: 2081356  Size: FS
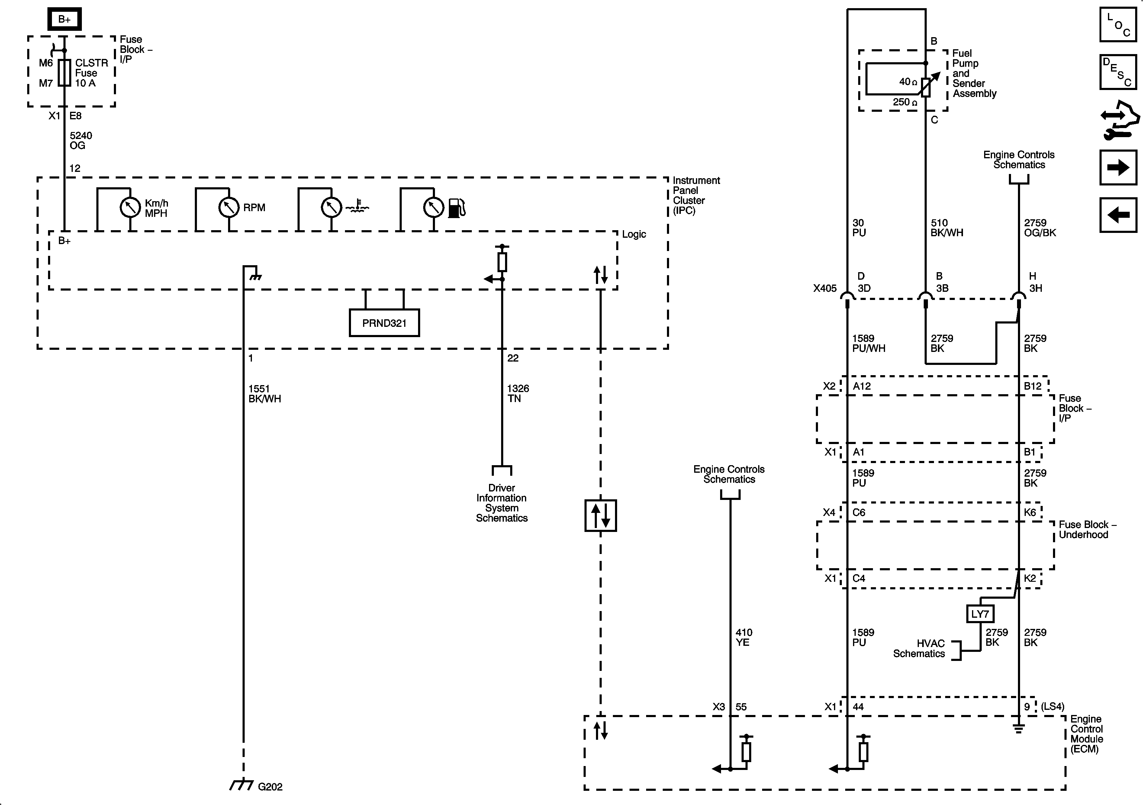
Figure 4:

Indicators (UH8)


Object Number: 2081358  Size: FS
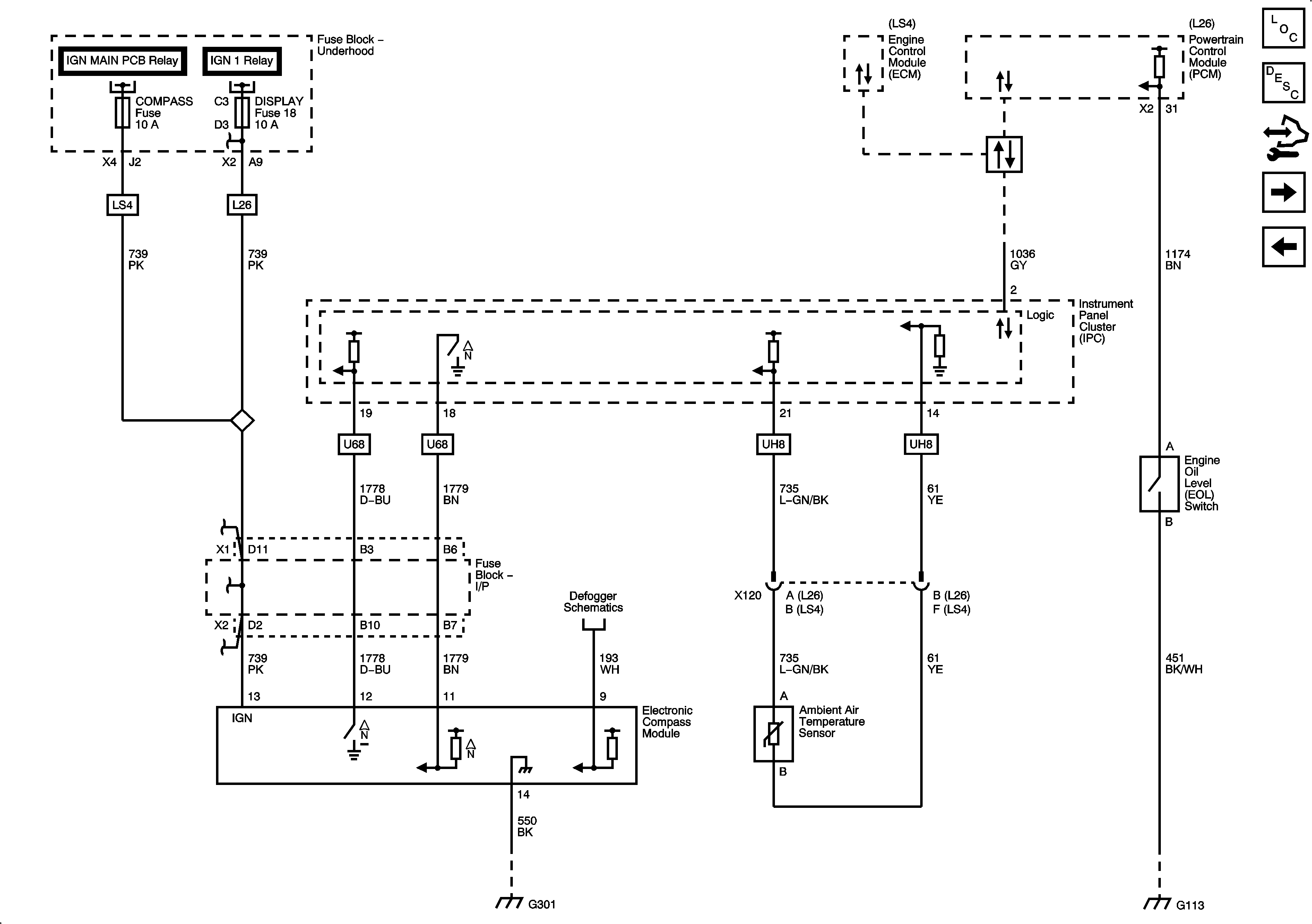
Figure 5:

Ambient Air Temperature Sensor, Electronic Compass Module, and Oil Level Switch


Object Number: 2081360  Size: FS