GM Service Manual Online
For 1990-2009 cars only

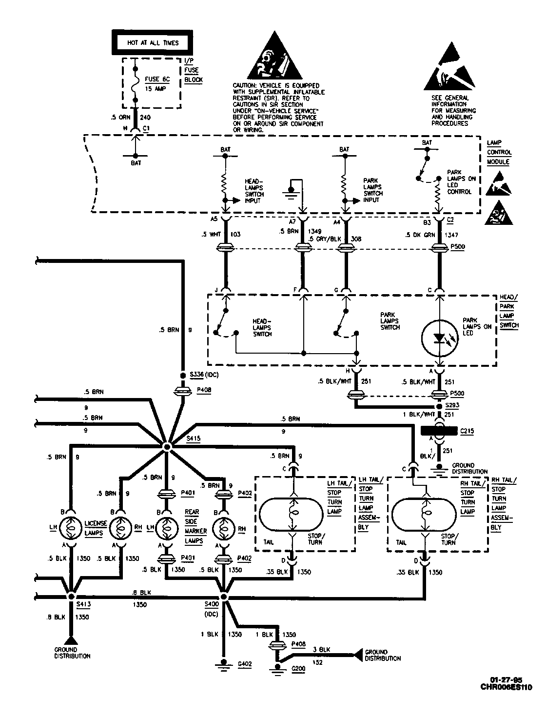
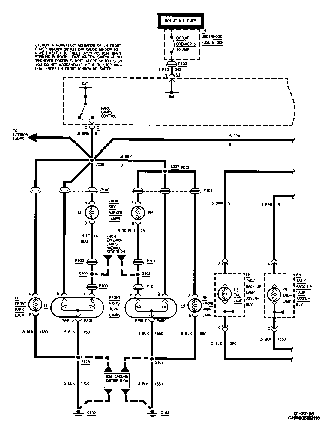
SMU - ESM HEADLAMPS - REVISED SCHEMATICS

SUBJECT: SERVICE MANUAL UPDATE - ESM HEADLAMPS - REVISED SCHEMATICS FOR LAMP CONTROL MODULE INTERNALS

MODELS: 1994 BUICK LESABRE

THIS BULLETIN REPLACES THE SCHEMATICS FOUND ON PAGES 488 AND 489 OF THE BUICK ELECTRICAL SYSTEMS MANUAL. THE ATTACHED REVISED SCHEMATICS CORRECT THE INTERNALS SHOWN IN THE LAMP CONTROL MODULE.

THE HEADLAMP AND PARKLAMP LED'S WERE INCORRECTLY SHOWN AS BEING POWERED BY FUSE 6 LOCATED IN THE I/P FUSE BLOCK. THE LED'S RECEIVE POWER THROUGH THE LAMP CONTROL MODULE AS LONG AS THE LAMP CONTROL MODULE IS RECEIVING POWER FROM FUSE 6 LOCATED IN THE I/P FUSE BLOCK OR FROM CIRCUIT BREAKER 6 LOCATED IN THE LH UNDERHOOD FUSE BLOCK. THE LED'S WILL NOT RECEIVE POWER THROUGH THE LAMP CONTROL MODULE IF POWER TO THE LAMP CONTROL MODULE IS LOST FROM BOTH FUSE 6 AND CIRCUIT BREAKER 6.

FIGURES: 0 ATTACHMENTS: 2


Object Number: 79855  Size: FS


Object Number: 79854  Size: FS

GENERAL MOTORS BULLETINS ARE INTENDED FOR USE BY PROFESSIONAL TECHNICIANS, NOT A "DO-IT-YOURSELFER". THEY ARE WRITTEN TO INFORM THOSE TECHNICIANS OF CONDITIONS THAT MAY OCCUR ON SOME VEHICLES, OR TO PROVIDE INFORMATION THAT COULD ASSIST IN THE PROPER SERVICE OF A VEHICLE. PROPERLY TRAINED TECHNICIANS HAVE THE EQUIPMENT, TOOLS, SAFETY INSTRUCTIONS AND KNOW-HOW TO DO A JOB PROPERLY AND SAFELY. IF A CONDITION IS DESCRIBED, DO NOT ASSUME THAT THE BULLETIN APPLIES TO YOUR VEHICLE, OR THAT YOUR VEHICLE WILL HAVE THAT CONDITION. SEE A GENERAL MOTORS DEALER SERVICING YOUR BRAND OF GENERAL MOTORS VEHICLE FOR INFORMATION ON WHETHER YOUR VEHICLE MAY BENEFIT FROM THE INFORMATION.

COPYRIGHT 1995 GENERAL MOTORS CORPORATION. ALL RIGHTS RESERVED.