GM Service Manual Online
For 1990-2009 cars only

SMU - SECTION 6E3 - ENGINE CONTROLS - REVISED EVAP

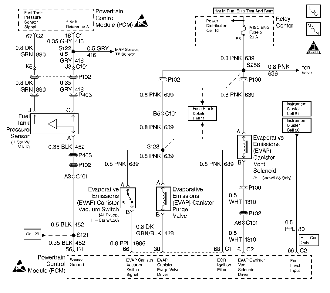
SUBJECT: SERVICE MANUAL UPDATE-SECTION 6E3-ENGINE CONTROLS - REVISED EVAP THUMBNAIL FOR DTC'S PO440, PO442, PO446, P1441, P1675 AND EVAP CONTROL SYSTEM DIAGNOSIS

MODELS: 1997 BUICK LESABRE 1997 OLDSMOBILE EIGHTY EIGHT, LSS, REGENCY 1997 PONTIAC BONNEVILLE WITH 3.8L ENGINE (VINS K, 1 - RPOS L36, L67)

THIS BULLETIN IS BEING ISSUED TO INFORM TECHNICIANS OF A REVISION TO THE EVAP SYSTEM THUMBNAIL FOR THE FOLLOWING DTC'S:

PO440 EVAP SYSTEM - PAGE 188 PO442 EVAP CONTROL SYSTEM SMALL LEAK DETECTED - PAGE 198 PO446 EVAP CANISTER VENT BLOCKED - PAGE 202 P1441 EVAP SYSTEM FLOW DURING NON-PURGE - PAGE 278 P1655 EVAP PURGE SOLENOID CONTROL CIRCUIT - PAGE 329 P1675 EVAP VENT SOLENOID CONTROL CIRCUIT - PAGE 343 EVAP CONTROL SYSTEM DIAGNOSIS - PAGE 523

FIGURES: 01 ATTACHMENTS: 00


Object Number: 96830  Size: FS

GENERAL MOTORS BULLETINS ARE INTENDED FOR USE BY PROFESSIONAL TECHNICIANS, NOT A "DO-IT-YOURSELFER". THEY ARE WRITTEN TO INFORM THOSE TECHNICIANS OF CONDITIONS THAT MAY OCCUR ON SOME VEHICLES, OR TO PROVIDE INFORMATION THAT COULD ASSIST IN THE PROPER SERVICE OF A VEHICLE. PROPERLY TRAINED TECHNICIANS HAVE THE EQUIPMENT, TOOLS, SAFETY INSTRUCTIONS AND KNOW-HOW TO DO A JOB PROPERLY AND SAFELY. IF A CONDITION IS DESCRIBED, DO NOT ASSUME THAT THE BULLETIN APPLIES TO YOUR VEHICLE, OR THAT YOUR VEHICLE WILL HAVE THAT CONDITION. SEE A GENERAL MOTORS DEALER SERVICING YOUR BRAND OF GENERAL MOTORS VEHICLE FOR INFORMATION ON WHETHER YOUR VEHICLE MAY BENEFIT FROM THE INFORMATION.

COPYRIGHT 1997 GENERAL MOTORS CORPORATION. ALL RIGHTS RESERVED.