GM Service Manual Online
For 1990-2009 cars only
Makes
🢒
Buick
🢒
1998
🢒
LeSabre
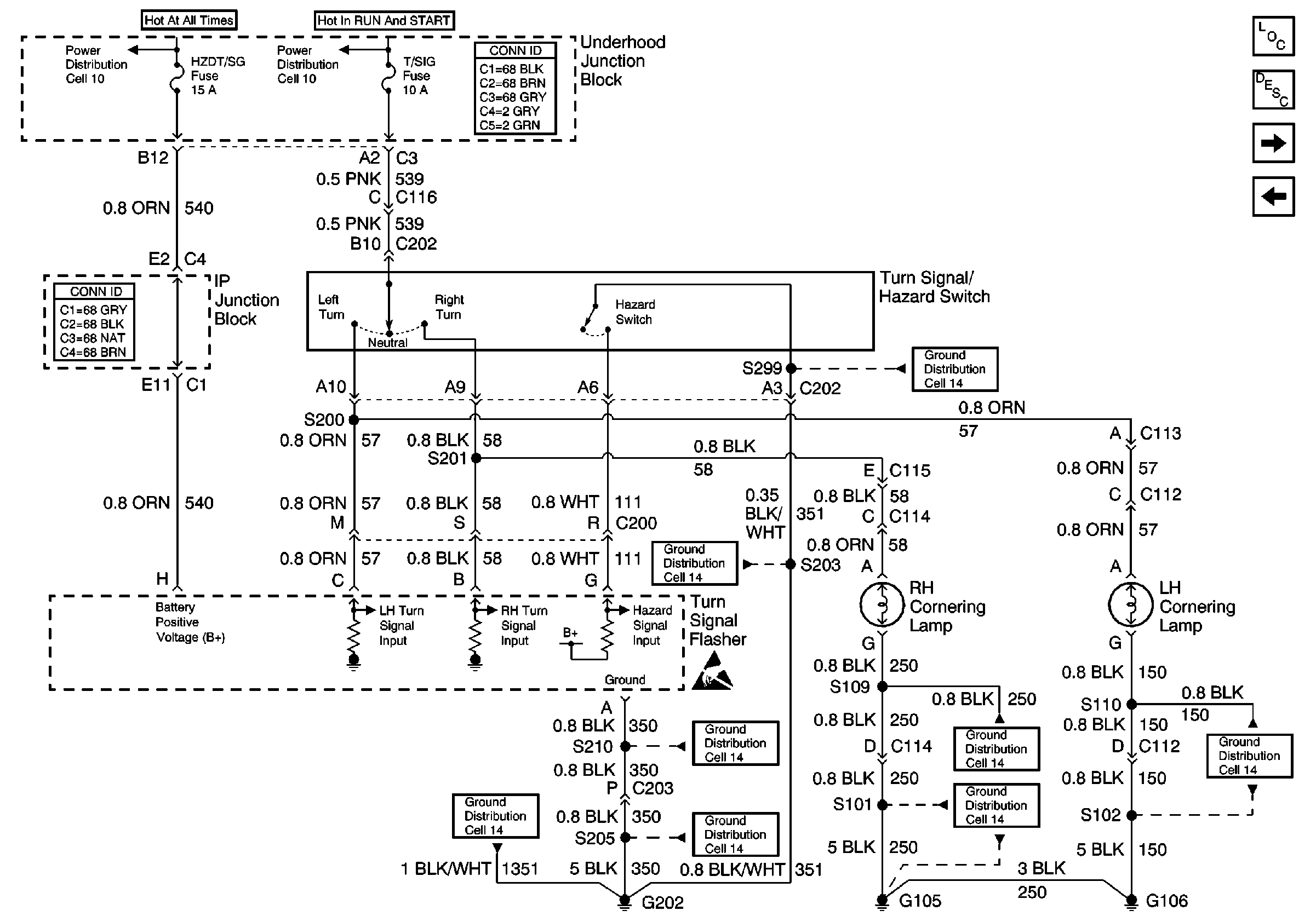
🢒 Cell 110: Turn Signal/Hazard Switch, Cornering Lamps
Cell 110: Turn Signal/Hazard Switch, Cornering Lamps
Cell 110: Turn Signal/Hazard Switch, Cornering Lamps
Ground Distribution Schematics
Ground Distribution Schematics
Ground Distribution Schematics
Ground Distribution Schematics
Ground Distribution Schematics
Power Distribution Schematics
Power Distribution Schematics
Power and Grounding Connector End Views
Ground Distribution Schematics
Handling ESD Sensitive Parts Notice
Ground Distribution Schematics
Ground Distribution Schematics
Cell 110: Rear Compartment Lid Park Lamps
Cell 110: LH Turn Lamps
Exterior Lights Circuit Description
Lighting Systems Components
Power and Grounding Connector End Views