GM Service Manual Online
For 1990-2009 cars only
Makes
🢒
Buick
🢒
1998
🢒
LeSabre
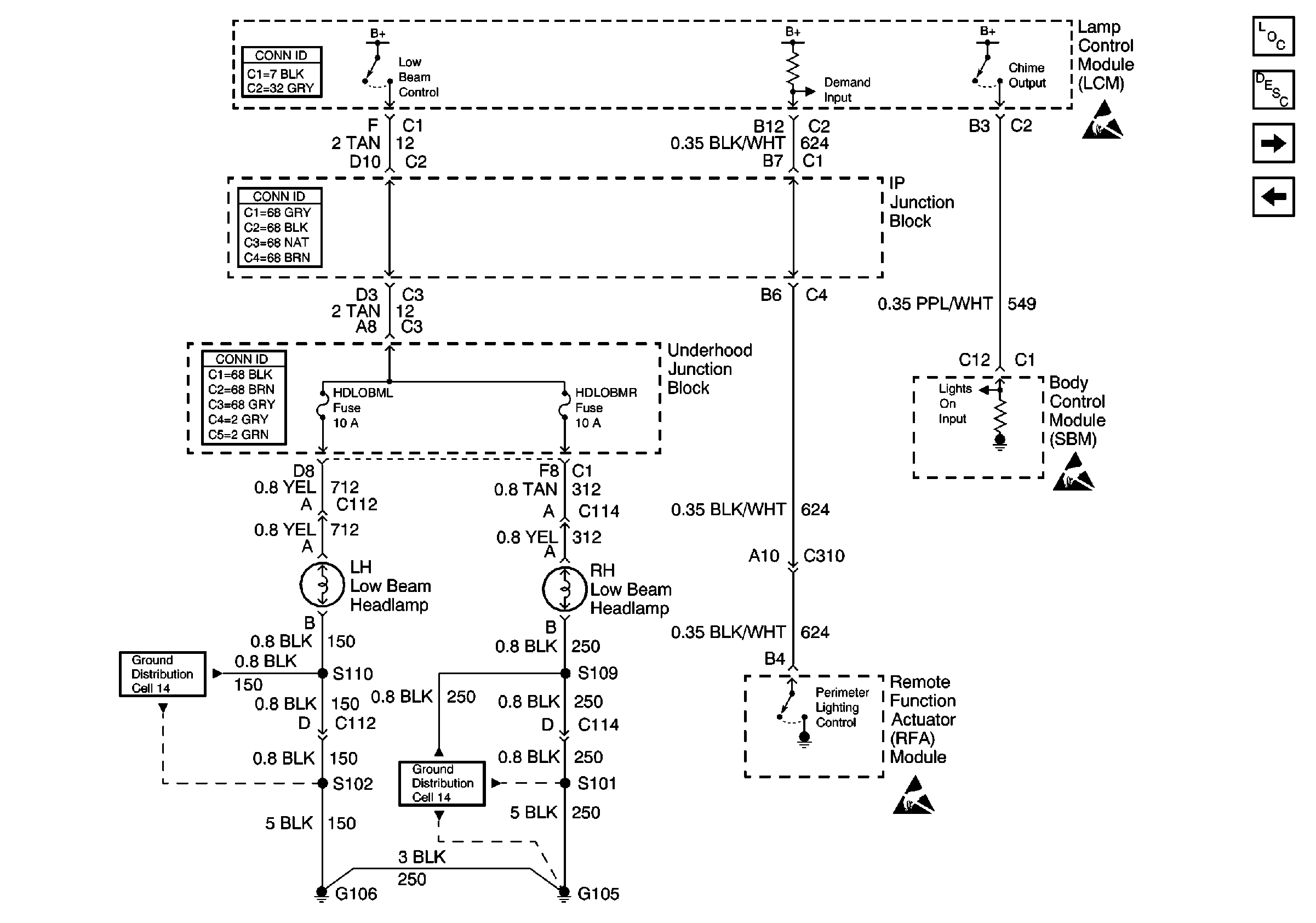
🢒 Cell 100: Daytime Running Lamps
Cell 100: Daytime Running Lamps
Cell 100: Daytime Running Lamps
Ground Distribution Schematics
Ground Distribution Schematics
Lighting Systems Connector End Views
Power and Grounding Connector End Views
Power and Grounding Connector End Views
Handling ESD Sensitive Parts Notice
Handling ESD Sensitive Parts Notice
Handling ESD Sensitive Parts Notice
Cell 100: Headlamps
Cell 100: Headlamp Dimmer, Park Gear Input, and High Beam Indicator
Headlights Circuit Description
Lighting Systems Components