GM Service Manual Online
For 1990-2009 cars only
Makes
🢒
Buick
🢒
1998
🢒
LeSabre
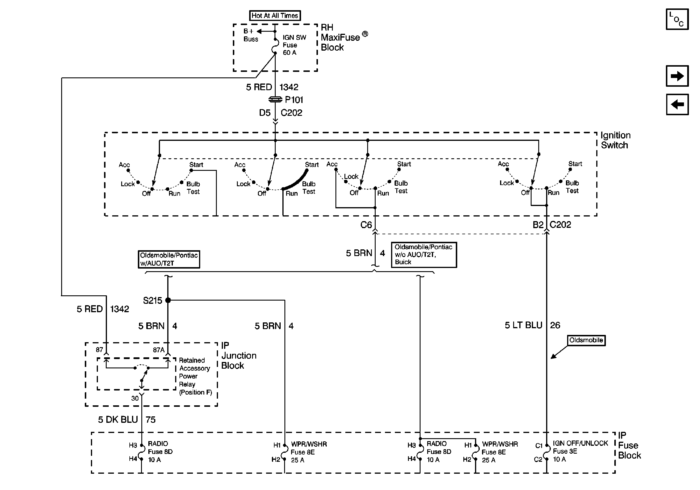
🢒 Cell 10: IGN SW Fuse (2 of 2)
Cell 10: IGN SW Fuse (2 of 2)
Cell 10: IGN SW Fuse (2 of 2)
Power and Grounding Components
Cell 10: MISC LGT, COOL FNS, C/LTR/RDO/CLSTR/MISC, ABS SOL and ABSMOT Fuses
Cell 10: IGN SW Fuse (1 of 2)