GM Service Manual Online
For 1990-2009 cars only

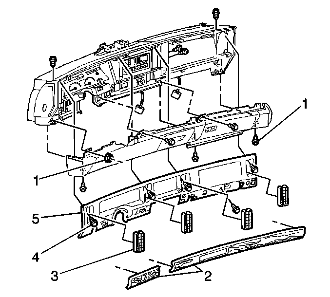
Instrument Cluster Trim Panel Replacement Pontiac

Removal Procedure


    Object Number: 324716  Size: MH
  1. Carefully prying upward in order to remove the IP lower trim plate (2).
  2. Pull the IP trim plate up, then rearward.

  3. Disconnect the sub-woofer gain control switch connector (1), if equipped.
  4. Remove the IP upper cluster trim plate fasteners from the IP.
  5. Remove the following components from the head/park light switch:
  6. • The interior lights dimmer knob
    • Do not lose the interior lights dimmer knob retainer.
    • The twilight sentinel control knob

    Object Number: 324715  Size: SH
  7. Disconnect the cigar lighter connector (1).
  8. Remove the IP cluster trim plate (4).

Installation Procedure


    Object Number: 324715  Size: SH
  1. Connect the cigar lighter connector (1).
  2. Carefully insert the tab in order to install the IP upper cluster trim plate (4) to IP assembly.
  3. Important: For proper retention, align the retainer in the interior lights dimmer knob before installing.

  4. Install the following components to the head/park light switch:
  5. • The interior lights dimmer knob
    • The twilight sentinel control knob

    Notice: Use the correct fastener in the correct location. Replacement fasteners must be the correct part number for that application. Fasteners requiring replacement or fasteners requiring the use of thread locking compound or sealant are identified in the service procedure. Do not use paints, lubricants, or corrosion inhibitors on fasteners or fastener joint surfaces unless specified. These coatings affect fastener torque and joint clamping force and may damage the fastener. Use the correct tightening sequence and specifications when installing fasteners in order to avoid damage to parts and systems.

  6. Install the IP cluster trim plate fasteners to the IP.
  7. Tighten
    Tighten the fasteners to 1.9 N·m (17 lb in).


    Object Number: 324716  Size: MH
  8. Connect the sub-woofer gain control switch connector (1), if equipped.
  9. Install the IP lower trim plate (2). Press the trim plate into place.

Instrument Cluster Trim Panel Replacement Oldsmobile

Removal Procedure

  1. Remove the IP trim plate. Refer to Instrument Panel Lower Center Trim Replacement .

  2. Object Number: 324713  Size: SH
  3. Remove the fasteners from the cluster trim plate (6).
  4. Tilt the top of the trim plate rearward. Pull rearward on the bottom of the trim plate.
  5. Disconnect the following components from the connectors (3, 4):
  6. • The heater and A/C control
    • The head/park light switch
  7. Disconnect the heater and A/C control vacuum harness connector C61 if necessary.
  8. Remove the heater and A/C control by carefully pushing one side outward.
  9. Remove the head/park light switch (5) by carefully pushing one side outward.
  10. Remove the trim plate.

Installation Procedure


    Object Number: 324713  Size: SH
  1. Route the connectors through the holes in the cluster trim plate (6).
  2. Install the trim plate to the IP.
  3. Notice: Use the correct fastener in the correct location. Replacement fasteners must be the correct part number for that application. Fasteners requiring replacement or fasteners requiring the use of thread locking compound or sealant are identified in the service procedure. Do not use paints, lubricants, or corrosion inhibitors on fasteners or fastener joint surfaces unless specified. These coatings affect fastener torque and joint clamping force and may damage the fastener. Use the correct tightening sequence and specifications when installing fasteners in order to avoid damage to parts and systems.

  4. Install the trim plate to the IP fasteners.
  5. Tighten
    Tighten the fasteners to 1.9 N·m (17 lb in).

  6. Connect the heater and A/C control to the connector (3).
  7. Connect the heater and A/C control vacuum harness connector C61 if necessary.
  8. Install the heater and A/C control to the trim plate.
  9. Connect the head/park light switch to the connector (4).
  10. Install the head/park light switch (5) to the trim plate.
  11. Install the IP trim plate. Refer to Instrument Panel Lower Center Trim Replacement .

Instrument Cluster Trim Panel Replacement Buick

Removal Procedure


    Object Number: 502502  Size: SH
  1. Carefully pry out the instrument panel (IP) lower trim plate (2) in order to remove.
  2. Carefully pry out the air deflectors (3) in order to remove.
  3. Important: When removing the fasteners from the air duct openings be careful not to drop the fasteners down the openings.

  4. Remove the IP trim plate fasteners (4).
  5. Disengage the retaining clips at the top of the trim plate.
  6. Remove the IP trim plate (5).

Installation Procedure


    Object Number: 502502  Size: SH
  1. Align the IP trim plate (5) retaining clips to the IP.
  2. Push inward to fasten the trim plate.

    Important: When installing the fasteners to the air duct openings be careful not to drop the fasteners down the openings.

    Notice: Use the correct fastener in the correct location. Replacement fasteners must be the correct part number for that application. Fasteners requiring replacement or fasteners requiring the use of thread locking compound or sealant are identified in the service procedure. Do not use paints, lubricants, or corrosion inhibitors on fasteners or fastener joint surfaces unless specified. These coatings affect fastener torque and joint clamping force and may damage the fastener. Use the correct tightening sequence and specifications when installing fasteners in order to avoid damage to parts and systems.

  3. Install the IP trim plate fasteners (4).
  4. Tighten
    Tighten the fasteners to 1.9 N·m (17 lb in).

  5. Snap in the air deflectors (3).
  6. Install the IP lower trim plate (2).