GM Service Manual Online
For 1990-2009 cars only

Boost Control System Operation (Bypass Valve Open)


Object Number: 186436  Size: LF

Circuit Description

Under most conditions, the PCM commands the boost control solenoid to operate at a 100 percent PWM to allow full intake boost pressure upon demand. However, if reverse gear is selected, the PCM detects rapid deceleration, or engine load is extremely high, reduced boost pressure is desired. Under these conditions, the PCM commands the boost control solenoid to operate at a 0 percent PWM, which opens the bypass valve to reduce boost pressure by recirculating it back through the supercharger inlet.

Conditions for Running the DTC

Intake air temperature greater than -10°C (14°F).

Conditions for Setting the DTC

    • Engine torque exceeds a maximum torque threshold value. This value varies depending on commanded gear and engine rpm.
    • The above conditions are present for at least 20 seconds.

Action Taken When the DTC Sets

The PCM stores conditions which were present when the DTC set as Failure Records only. This information will not be stored as Freeze Frame Records.

Conditions for Clearing the MIL/DTC

    • The DTC becomes history when the conditions for setting the DTC are no longer present.
    • The history DTC clears after 40 malfunction free warm-up cycles.
    • The PCM receives a clear code command from the scan tool.

Diagnostic Aids

Check for the following conditions:

    • Damaged, disconnected, or restricted vacuum lines.
        Visually and physically inspect for damaged, disconnected, kinked, pinched, or incorrectly routed boost control system hoses.
    • Boost Control Solenoid control circuit shorted to ground. Refer to Wiring Repairs .
    • Binding Bypass Valve.
    • Sticking or misadjusted Bypass Valve Actuator.

An intermittent may be caused by rubbed through wire insulation.

Intermittent test - Disconnect PCM and install a J 39200 DMM to monitor voltage between the boost control solenoid control circuit at the PCM harness connector and ground. With the key ON, observe voltage while manipulating related connectors and wiring harness. If the failure is induced, the voltage display will change.

Test Description

The numbers below refer to the step numbers on the diagnostic table.

  1. Checks the Boost Control Solenoid control circuit. A short to ground in the Boost Control Solenoid control circuit will keep the bypass valve closed when the PCM is commanding it open, possibly causing an overboost condition during high engine load situations.

  2. No inlet vacuum to the bypass valve actuator may cause the bypass valve to remain closed during deceleration. This condition may be perceived as a sail-on, possibly accompanied by a rough idle.

  3. Checks for a sticking boost control solenoid.

  4. This vehicle is equipped with a PCM which utilizes an Electrically Erasable Programmable Read Only Memory (EEPROM). When the PCM is being replaced, the new PCM must be programmed. Refer to PCM Replacement/Programming .

DTC P1257 - Supercharger System Overboost

Step

Action

Value(s)

Yes

No

1

Was the Powertrain On-Board Diagnostic (OBD) System Check performed?

--

Go to Step 2

Go to Powertrain On Board Diagnostic (OBD) System Check

2

Select DTC info, Last Test Fail and record any other DTCs set.

Are any other DTCs stored?

--

Diagnose the other DTC first - Go to Powertrain Control Module Diagnosis

Go to Step 3

3

  1. Disconnect the Boost Control Solenoid electrical connector.
  2. Turn ON the ignition switch.
  3. Connect the test lamp between the Boost Control Solenoid harness connector terminals.

Is the test lamp ON?

--

Go to Step 9

Go to Step 4

4

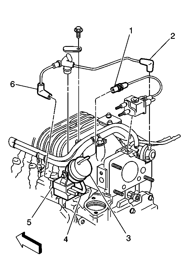
  1. Disconnect the inlet vacuum signal hose from the Bypass Valve actuator. Refer to
    Object Number: 12322  Size: MH
    (1)Vacuum Signal to Bypass Valve Actuator
    (2)Boost Signal to Fuel Pressure Regulator
    (3) Bypass Valve Actuator
    (4)Boost Signal to Bypass Valve Actuator
    (5)Boost Control Solenoid
    (6)Boost Source to Boost Control Solenoid
    .
  2. Connect a vacuum gauge to read the inlet vacuum signal to the Bypass Valve Actuator.
  3. Start the engine and idle in Park.
  4. Observe the vacuum gauge reading

Does the vacuum gauge indicate vacuum greater than the specified value?

12 in. Hg

Go to Step 5

Go to Step 11

5

  1. Reconnect the Boost Control Solenoid electrical connector and the inlet vacuum signal hose.
  2. Disconnect the boost signal hose between the Boost Control Solenoid and the Bypass Valve Actuator. Refer to
    Object Number: 12322  Size: MH
    (1)Vacuum Signal to Bypass Valve Actuator
    (2)Boost Signal to Fuel Pressure Regulator
    (3) Bypass Valve Actuator
    (4)Boost Signal to Bypass Valve Actuator
    (5)Boost Control Solenoid
    (6)Boost Source to Boost Control Solenoid
    .
  3. Connect the vacuum gauge to read the boost signal from the Boost Control Solenoid.
  4. Turn the Boost Control Solenoid OFF using the scan tool output control function.
  5. Observe the vacuum gauge.

Does the vacuum gauge indicate vacuum greater than the specified value with the Boost Control Solenoid commanded OFF?

12 in. Hg

Go to Step 6

Go to Step 12

6

  1. Check for a restriction in the boost signal hose between the Boost Control Solenoid and the Bypass Valve Actuator. Refer to
    Object Number: 12322  Size: MH
    (1)Vacuum Signal to Bypass Valve Actuator
    (2)Boost Signal to Fuel Pressure Regulator
    (3) Bypass Valve Actuator
    (4)Boost Signal to Bypass Valve Actuator
    (5)Boost Control Solenoid
    (6)Boost Source to Boost Control Solenoid
    .
  2. If a problem is found, repair as necessary.

Was a problem found?

--

Go to Step 15

Go to Step 7

7

  1. Check for the following conditions:
  2. • Binding Bypass Valve.
    • Sticking or mis-adjusted Bypass Valve Actuator linkage.
  3. If a problem is found, repair as necessary.

Was a problem found?

--

Go to Step 15

Go to Step 8

8

Replace the Bypass Valve actuator. Refer to Supercharger Bypass Valve Actuator Replacement .

Is action complete?

--

Go to Step 15

--

9

  1. Turn OFF the ignition switch.
  2. Disconnect the PCM.
  3. Turn ON the ignition switch.
  4. Observe the test lamp.

Is the test lamp ON?

--

Go to Step 10

Go to Step 13

10

Locate and repair short to ground in Boost Control Solenoid control circuit. Refer to Wiring Repairs .

Is action complete?

--

Go to Step 15

--

11

Repair restriction in inlet vacuum signal hose to the Bypass Valve Actuator or blocked inlet vacuum source. Refer to
Object Number: 12322  Size: MH

(1)Vacuum Signal to Bypass Valve Actuator
(2)Boost Signal to Fuel Pressure Regulator
(3) Bypass Valve Actuator
(4)Boost Signal to Bypass Valve Actuator
(5)Boost Control Solenoid
(6)Boost Source to Boost Control Solenoid
.

Is the action complete?

--

Go to Step 15

--

12

  1. Check for a restriction in the boost source hose to the Boost Control Solenoid. Refer to
    Object Number: 12322  Size: MH
    (1)Vacuum Signal to Bypass Valve Actuator
    (2)Boost Signal to Fuel Pressure Regulator
    (3) Bypass Valve Actuator
    (4)Boost Signal to Bypass Valve Actuator
    (5)Boost Control Solenoid
    (6)Boost Source to Boost Control Solenoid
    .
  2. If a problem is found, repair as necessary.

Was a problem found?

--

Go to Step 15

Go to Step 14

13

Important:: The replacement PCM must be programmed.

Refer to Powertrain Control Module Replacement/Programming .

Replace the PCM.

Is the action complete?

--

Go to Step 15

--

14

Replace the Boost Control Solenoid. Refer to Boost Control Solenoid Replacement .

Is the action complete?

--

Go to Step 15

--

15

  1. Review and record scan tool Fail Records data.
  2. Clear the DTCs.
  3. Operate the vehicle within Fail Records conditions.
  4. Monitor the Specific DTC info for DTC P1257 on the scan tool.

Does the scan tool indicate DTC P1257 failed this ignition?

--

Go to Step 2

System OK