GM Service Manual Online
For 1990-2009 cars only
Makes
🢒
Buick
🢒
1999
🢒
LeSabre
🢒
Brakes
🢒
Hydraulic Brakes
🢒 Brake Warning System Schematics
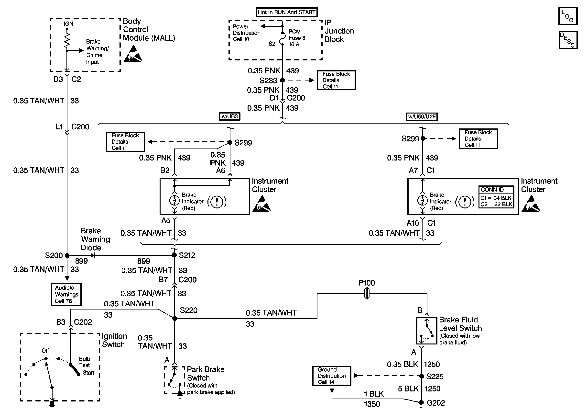
Brake Warning System Schematics Buick
Cell 41
Hydraulic Brakes Components
Brake Warning System Circuit Description
ESD Notice
ESD Notice
ESD Notice
Hydraulic Brakes Schematic References
Hydraulic Brakes Schematic References
Hydraulic Brakes Schematic References
Hydraulic Brakes Schematic References
Hydraulic Brakes Schematic References
Brake Warning System Schematics Oldsmobile
Cell 41
Hydraulic Brake Component Views
Brake Warning System Circuit Description
Hydraulic Brakes Schematic References
Hydraulic Brakes Schematic References
Hydraulic Brakes Schematic References
ESD Notice
Brake Warning System Schematics Pontiac
Cell 41
Hydraulic Brake Component Views
Brake Warning System Circuit Description
Hydraulic Brakes Schematic References
Hydraulic Brakes Schematic References
Hydraulic Brakes Schematic References
Hydraulic Brakes Schematic References
Hydraulic Brakes Schematic References
Hydraulic Brakes Schematic References
ESD Notice
ESD Notice
ESD Notice