GM Service Manual Online
For 1990-2009 cars only
Figure 1:

Cell 14: G100, G106, G301, and G101 (1 of 2)


Object Number: 343543  Size: FS
Power and Grounding Components
Cell 14: G101 (2 of 2)
Cell 14: G101 (2 of 2)
Handling ESD Sensitive Parts Notice
Handling ESD Sensitive Parts Notice
Handling ESD Sensitive Parts Notice
Handling ESD Sensitive Parts Notice
SIR Handling Caution
SIR Handling Caution
Figure 2:

Cell 14: G101 (2 of 2)


Object Number: 343547  Size: FS
Power and Grounding Components
Cell 14: G104
Cell 14: G100, G106, G301, and G101 (1 of 2)
Cell 14: G100, G106, G301, and G101 (1 of 2)
Handling ESD Sensitive Parts Notice
Handling ESD Sensitive Parts Notice
Handling ESD Sensitive Parts Notice
Handling ESD Sensitive Parts Notice
Figure 3:

Cell 14: G104


Object Number: 343550  Size: FS
Power and Grounding Components
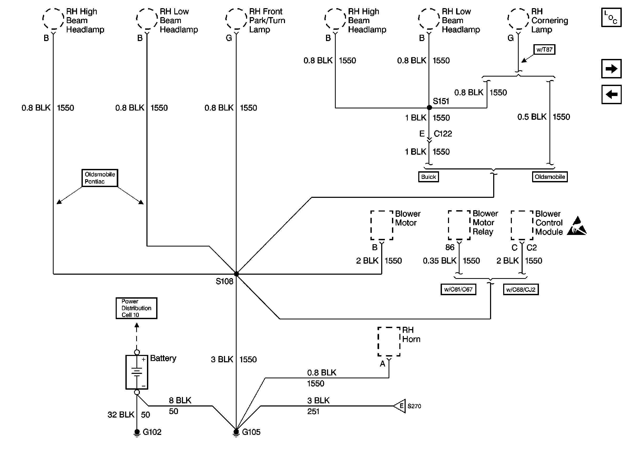
Cell 14: G102 and G105 (1 of 4)
Cell 14: G101 (2 of 2)
Handling ESD Sensitive Parts Notice
Figure 4:

Cell 14: G102 and G105 (1 of 4)


Object Number: 343556  Size: FS
Power and Grounding Components
Cell 14: G105 (2 of 4)
Cell 14: G104
Cell 14: G105 (2 of 4)
Cell 10: Battery and Underhood Fuse Blocks
Handling ESD Sensitive Parts Notice
Figure 5:

Cell 14: G105 (2 of 4)


Object Number: 343559  Size: FS
Power and Grounding Components
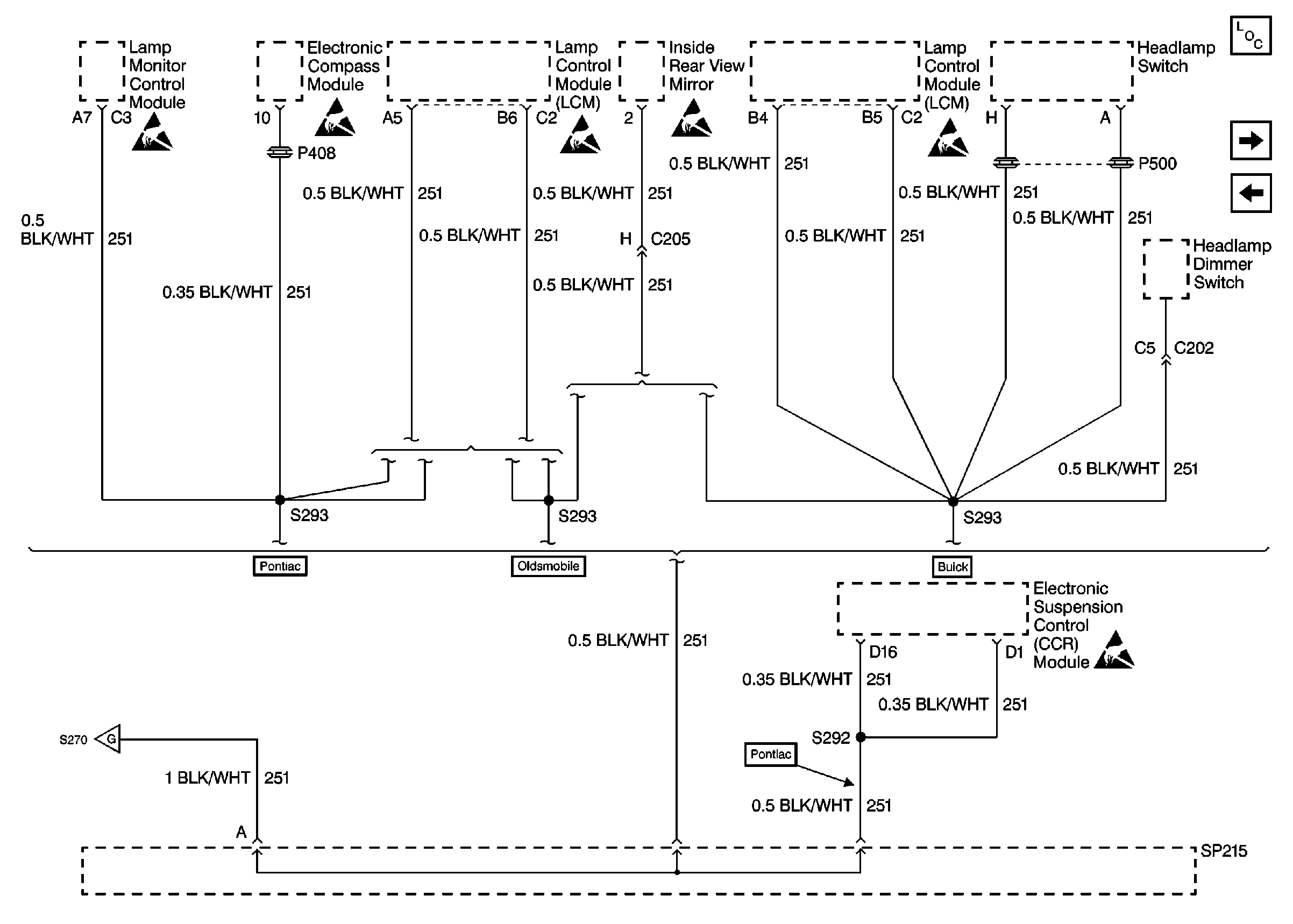
Cell 14: G105 (3 of 4)
Cell 14: G102 and G105 (1 of 4)
Cell 14: G105 (3 of 4)
Cell 14: G105 (4 of 4)
Cell 14: G102 and G105 (1 of 4)
Handling ESD Sensitive Parts Notice
Handling ESD Sensitive Parts Notice
Figure 6:

Cell 14: G105 (3 of 4)


Object Number: 343562  Size: FS
Power and Grounding Components
Cell 14: G105 (4 of 4)
Cell 14: G105 (2 of 4)
Cell 14: G105 (2 of 4)
Handling ESD Sensitive Parts Notice
Handling ESD Sensitive Parts Notice
Figure 7:

Cell 14: G105 (4 of 4)


Object Number: 343565  Size: FS
Power and Grounding Components
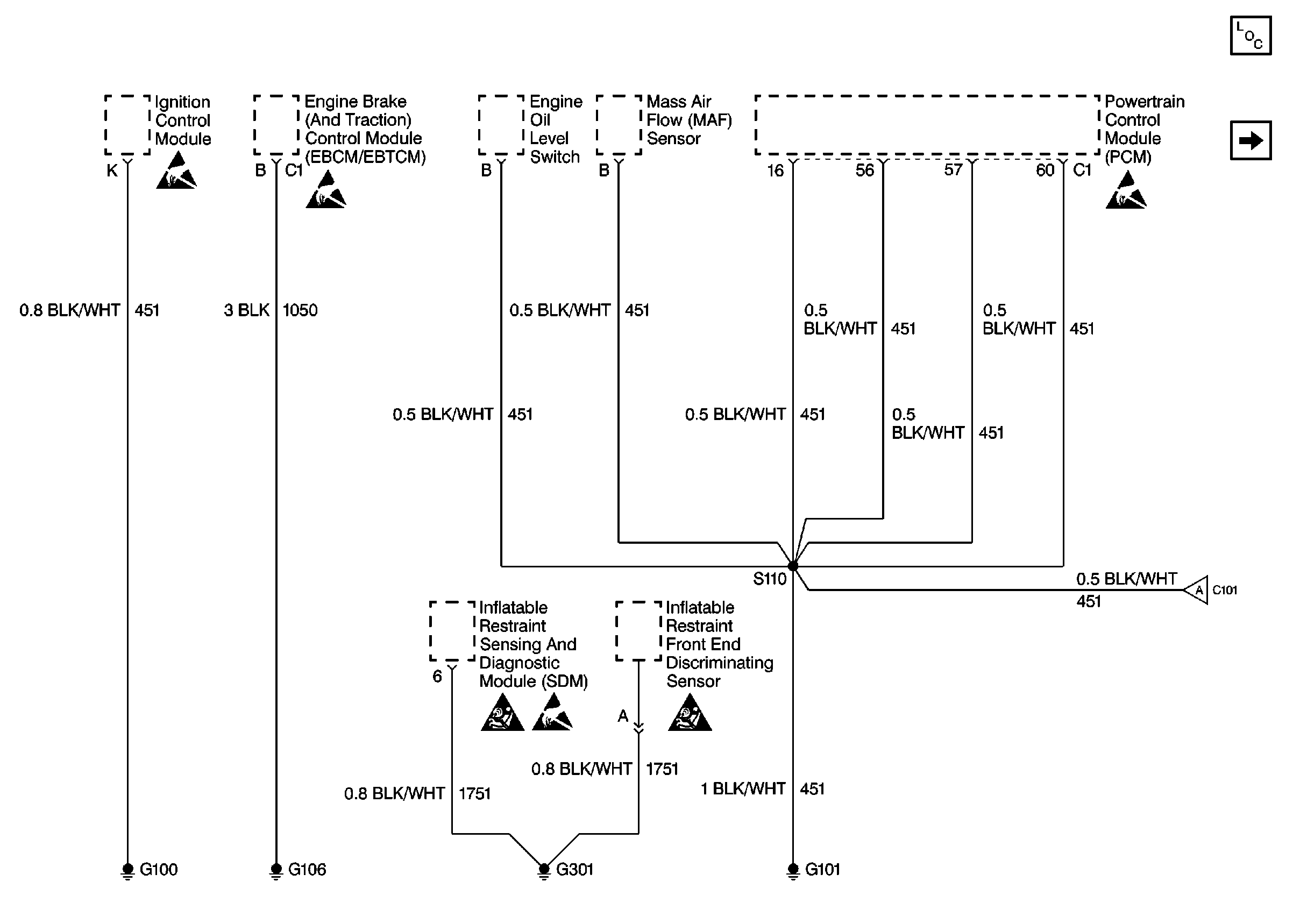
Cell 14: G201 (1 of 2)
Cell 14: G105 (3 of 4)
Cell 14: G105 (2 of 4)
Handling ESD Sensitive Parts Notice
Handling ESD Sensitive Parts Notice
Handling ESD Sensitive Parts Notice
Handling ESD Sensitive Parts Notice
Handling ESD Sensitive Parts Notice
Handling ESD Sensitive Parts Notice
Figure 8:

Cell 14: G201 (1 of 2)


Object Number: 343566  Size: FS
Power and Grounding Components
Cell 14: G201 (2 of 2)
Cell 14: G105 (4 of 4)
Cell 14: G201 (2 of 2)
Handling ESD Sensitive Parts Notice
Figure 9:

Cell 14: G201 (2 of 2)


Object Number: 343570  Size: FS
Power and Grounding Components
Cell 14: G202
Cell 14: G201 (1 of 2)
Cell 14: G201 (1 of 2)
Handling ESD Sensitive Parts Notice
Handling ESD Sensitive Parts Notice
Handling ESD Sensitive Parts Notice
Handling ESD Sensitive Parts Notice
Figure 10:

Cell 14: G202


Object Number: 343578  Size: FS
Power and Grounding Components
Cell 14: G202 Continued
Cell 14: G201 (2 of 2)
Cell 14: G202 Continued
Cell 14: G202 Continued
Cell 14: G202 Continued (Buick)
Cell 14: G202 Continued (Pontiac)
Cell 14: G202 Continued (Oldsmobile)
Cell 14: G402 (Buick)
Cell 14: G402 (Pontiac)
Cell 14: G402 (Oldsmobile)
SIR Handling Caution
Handling ESD Sensitive Parts Notice
Handling ESD Sensitive Parts Notice
Handling ESD Sensitive Parts Notice
Handling ESD Sensitive Parts Notice
Figure 11:

Cell 14: G202 Continued


Object Number: 343581  Size: FS
Power and Grounding Components
Cell 14: G202 Continued
Cell 14: G202
Cell 14: G202
Figure 12:

Cell 14: G202 Continued


Object Number: 343582  Size: FS
Power and Grounding Components
Cell 14: G202 Continued
Cell 14: G202 Continued
Cell 14: G202
Cell 14: G202 Continued
Figure 13:

Cell 14: G202 Continued


Object Number: 343583  Size: FS
Power and Grounding Components
Cell 14: G202 Continued (Buick)
Cell 14: G202 Continued
Cell 14: G202 Continued
Handling ESD Sensitive Parts Notice
Handling ESD Sensitive Parts Notice
Handling ESD Sensitive Parts Notice
Figure 14:

Cell 14: G202 Continued (Buick)


Object Number: 343585  Size: FS
Power and Grounding Components
Cell 14: G202 Continued (Pontiac)
Cell 14: G202 Continued
Cell 14: G202
Handling ESD Sensitive Parts Notice
Handling ESD Sensitive Parts Notice
Figure 15:

Cell 14: G202 Continued (Pontiac)


Object Number: 343586  Size: FS
Power and Grounding Components
Cell 14: G202 Continued (Oldsmobile)
Cell 14: G202 Continued (Buick)
Cell 14: G202
Handling ESD Sensitive Parts Notice
Handling ESD Sensitive Parts Notice
Handling ESD Sensitive Parts Notice
Handling ESD Sensitive Parts Notice
Handling ESD Sensitive Parts Notice
Handling ESD Sensitive Parts Notice
Figure 16:

Cell 14: G202 Continued (Oldsmobile)


Object Number: 343589  Size: FS
Power and Grounding Components
Cell 14: G402 (Buick)
Cell 14: G202 Continued (Pontiac)
Cell 14: G202
Figure 17:

Cell 14: G402 (Buick)


Object Number: 343591  Size: FS
Power and Grounding Components
Cell 14: G402 (Pontiac)
Cell 14: G202 Continued (Oldsmobile)
Cell 14: G202
Figure 18:

Cell 14: G402 (Pontiac)


Object Number: 343593  Size: FS
Power and Grounding Components
Cell 14: G402 (Oldsmobile)
Cell 14: G402 (Buick)
Cell 14: G202
Figure 19:

Cell 14: G402 (Oldsmobile)


Object Number: 343595  Size: FS
Power and Grounding Components
Cell 14: G402 (Pontiac)
Cell 14: G202