GM Service Manual Online
For 1990-2009 cars only
Makes
🢒
Buick
🢒
1999
🢒
LeSabre
🢒
Body and Accessories
🢒
Wiring Systems
🢒 Cigar Lighter/Power Outlet Schematics
Cigar Lighter/Power Outlet Schematics Pontiac
Cell 19
Power and Grounding Components
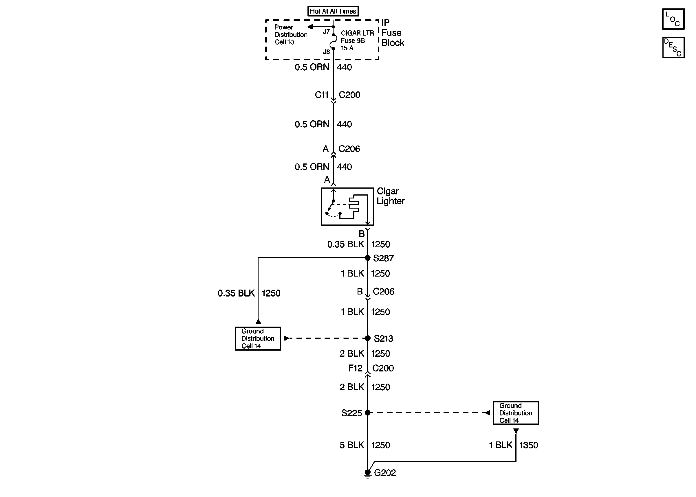
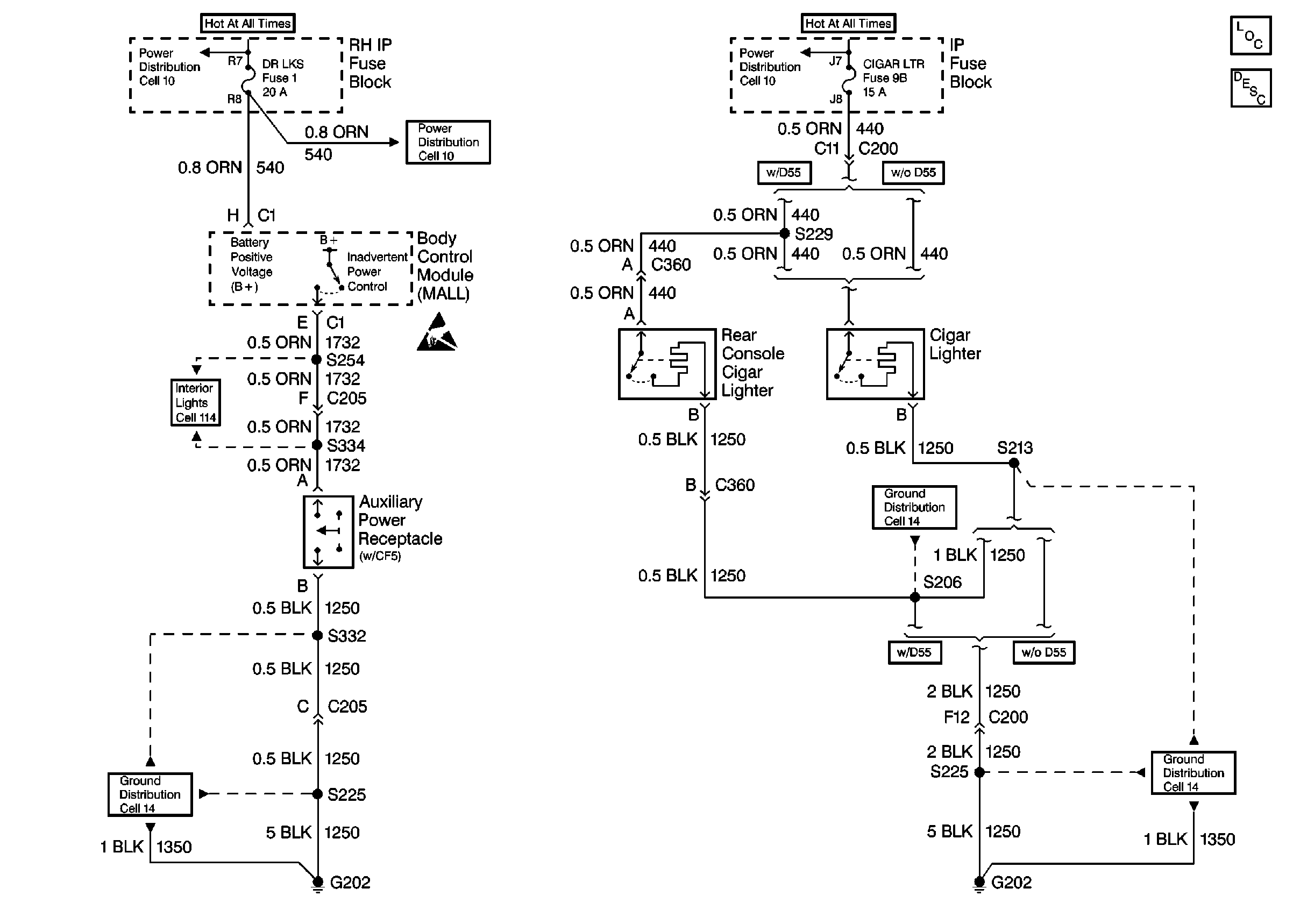
Cigar Lighter/Auxiliary Outlet Circuit Description
Cell 10: CIGAR LTR Fuse
Cell 10: A/C FEEDBACK, DR LKS, HORN, and RAC/TRUNK REL Fuses
Cell 10: A/C FEEDBACK, DR LKS, HORN, and RAC/TRUNK REL Fuses
Cell 14: G202 Continued (Pontiac)
Cell 14: G202 Continued
Cell 14: G202
Interior Lights Schematics Buick
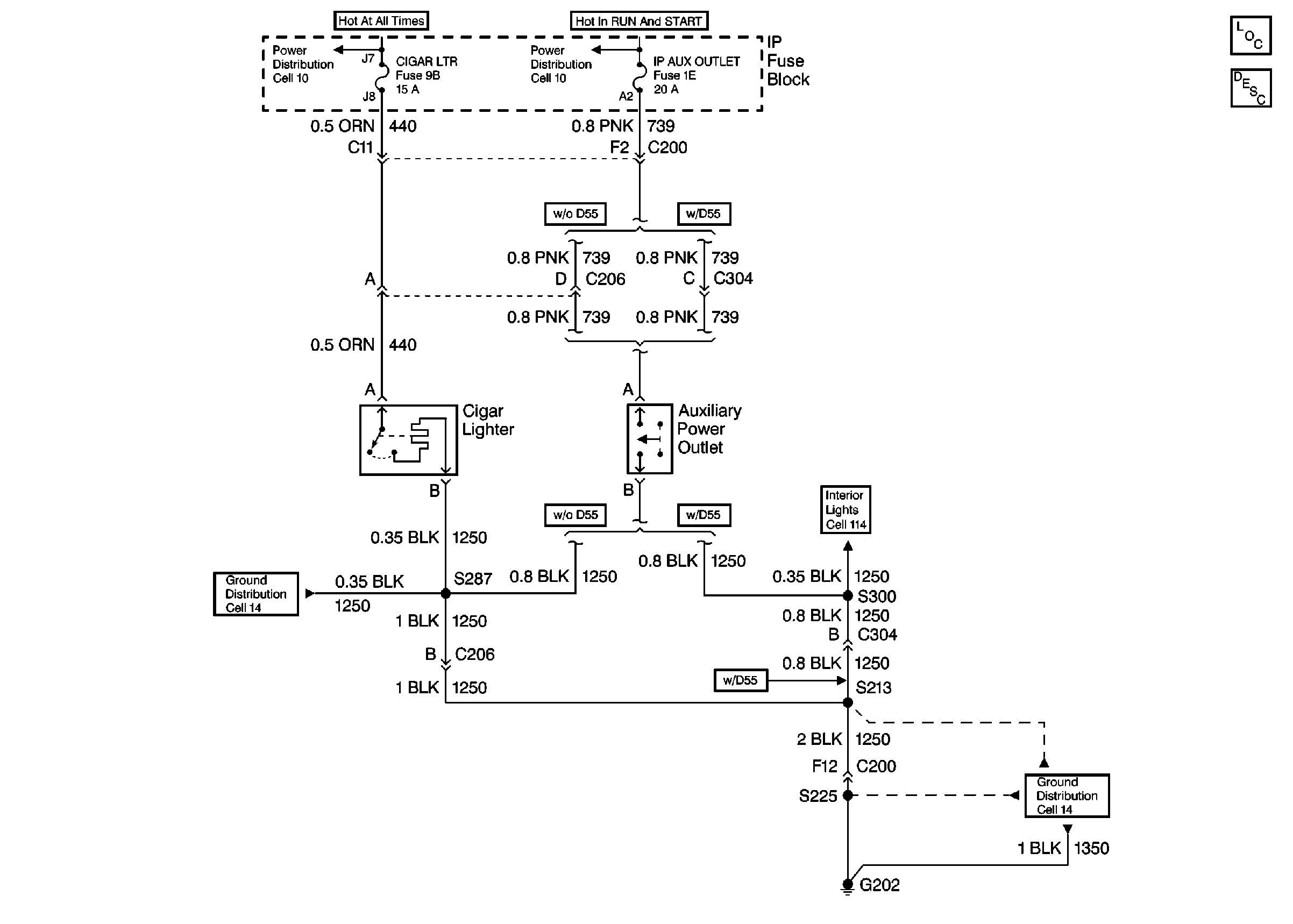
Cigar Lighter/Power Outlet Schematics Buick
Cell 19
Power and Grounding Components
Cigar Lighter/Auxiliary Outlet Circuit Description
Cell 10: CIGAR LTR Fuse
Cell 14: G202 Continued (Buick)
Cell 14: G202
Cigar Lighter/Power Outlet Schematics Oldsmobile
Cell 19
Power and Grounding Components
Cigar Lighter/Auxiliary Outlet Circuit Description
Cell 10: VATS, T/SIG/BU LP/BTSI, AIR BAG, IP AUX OUTLET, and AIR BAG/VATS Fuses
Cell 10: CIGAR LTR Fuse
Cell 14: G202 Continued (Oldsmobile)
Cell 14: G202
Interior Lights Schematics Buick