GM Service Manual Online
For 1990-2009 cars only
Figure 1:

Front of the Vehicle, Left Side (Right Similar)


Object Number: 342496  Size: MF
(1)LH Front Side Marker Lamp (RH Similar
(2)C122 (LH) C123 (RH)
(3)LH Low Beam Headlamp (RH Similar)
(4)LH High Beam Headlamp (RH Similar)
(5)LH Front Park/Turn Lamp (RH Similar)
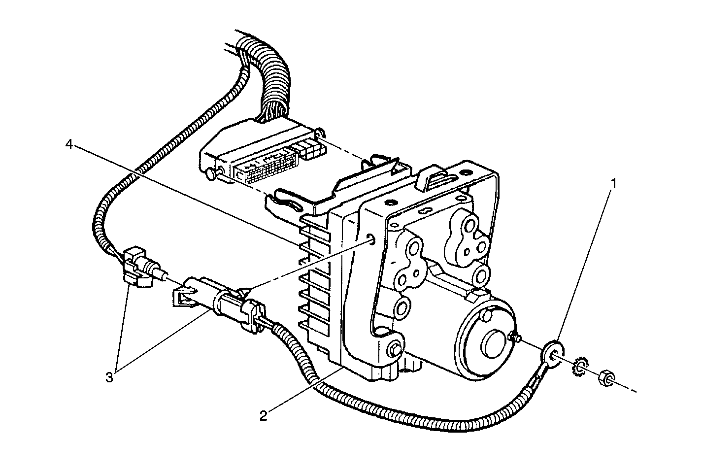
Figure 2:

Engine Compartment, Left Front Corner


Object Number: 342518  Size: MF
(1)Brake Pressure Modulator Valve (BPMV) Motor Ground
(2)Brake Pressure Modulator Valve (BPMV)
(3)C119
(4)Electronic Brake and Traction Control Module (EBTCM/EBCM)
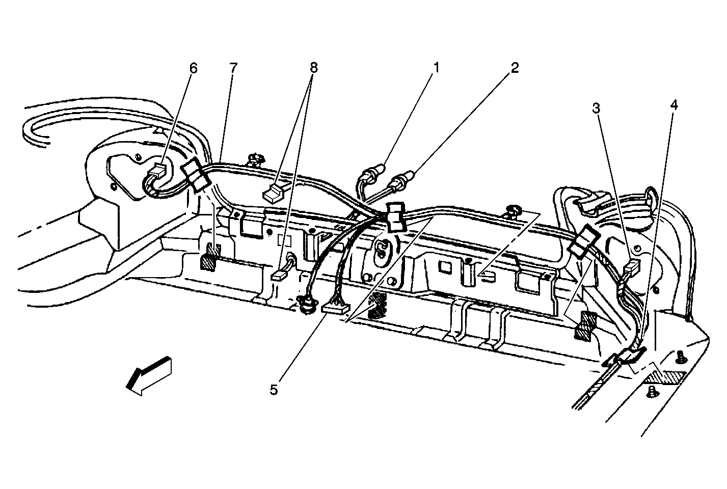
Figure 3:

Engine Compartment, Near the Left Strut Tower


Object Number: 342521  Size: MF
(1)Windshield Washer Pump
(2)Windshield Washer Solvent Reservoir
(3)S128
(4)S124
(5)Windshield Washer Solvent Level Switch
Figure 4:

Engine Compartment, Near the Right Strut Tower


Object Number: 342524  Size: MF
(1)S108
(2)Battery
(3)G105
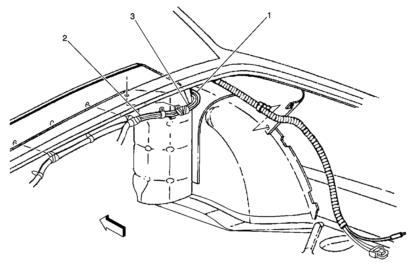
Figure 5:

Engine Compartment, Rear


Object Number: 342529  Size: MF
(1)Blower Motor
(2)P101
(3)C101
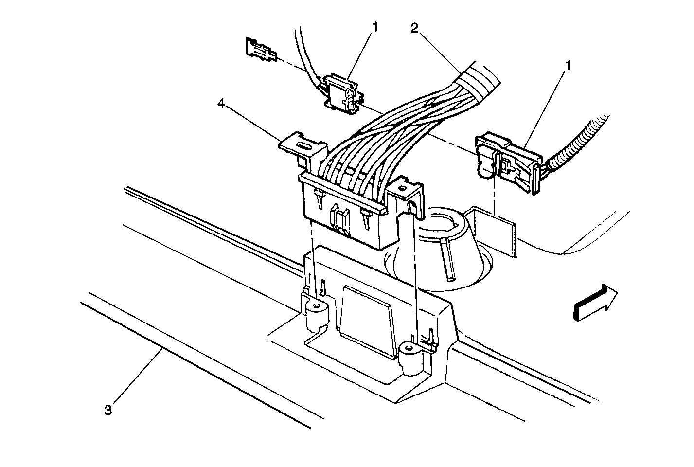
Figure 6:

Engine Compartment, Right Rear Corner


Object Number: 342531  Size: MF
(1)S104
(2)Blower Motor
(3)Blower Motor Resistor, Blower Control Module (Hidden)
(4)Blower Control Module
(5)Blower Motor Resistor
(6)S101
(7)S103
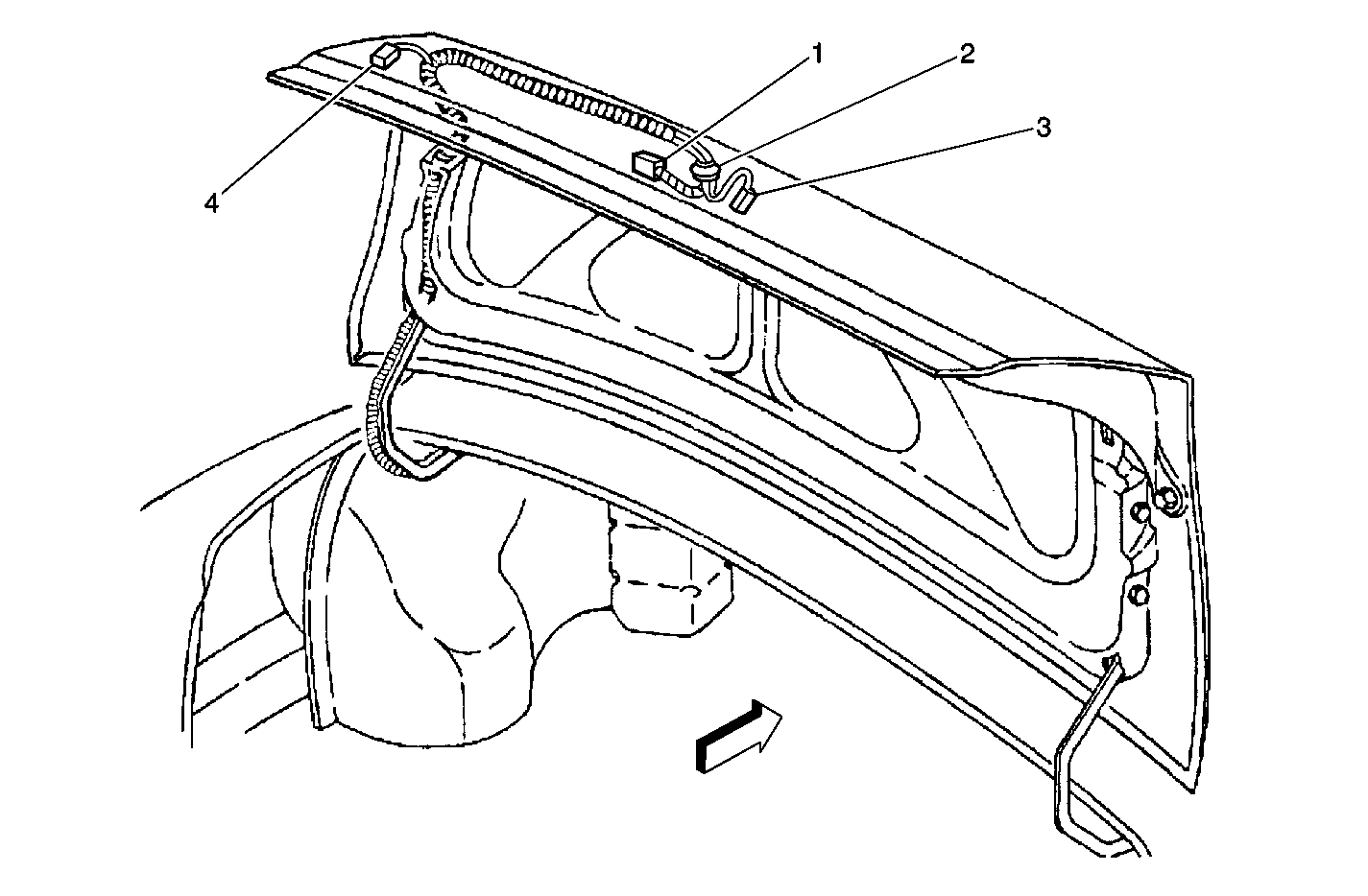
(8)S102
Figure 7:

Engine Compartment, Left Rear Corner


Object Number: 342542  Size: MF
(1)P100 (Hidden)
(2)LH Front Strut Tower
(3)LH Front Strut Actuator (RH Similar)
Figure 8:

Engine, Front Side


Object Number: 342548  Size: MF
(1)Knock Sensor Bank 1
(2)Starter Solenoid
(3)Engine Oil Level Switch
(4)A/C Pressure Sensor
(5)A/C Clutch
(6)A/C Clutch Diode
(7)S107
(8)S106
Figure 9:

Engine, Rear Top Area (L36)


Object Number: 342564  Size: MF
(1)S114
(2)S126
(3)S110
(4)Evaporative Emissions Canister Purge Valve
(5)S123
(6)S173
(7)S122
(8)S121
(9)S130
(10)C101
(11)Heated Oxygen Sensor (H02S) Bank 2 Sensor 1
Figure 10:

Engine, Rear Top Area (L67)


Object Number: 342566  Size: MF
(1)Engine Harness to C101
(2)S130
(3)S122
(4)S123
(5)S126
(6)Heated Oxygen Sensor (HO2S) Bank 2 Sensor 1
Figure 11:

Engine, Right Side (L36)


Object Number: 342579  Size: MF
(1)C107
(2)S135
(3)S136
(4)Crankshaft Position (CKP) Sensor
(5)Camshaft Position (CMP) Sensor (Hidden)
(6)G100 (Hidden)
(7)Ignition Control Module
Figure 12:

Engine, Right Front


Object Number: 342511  Size: LF
(1)G100
(2)C107
(3)Camshaft Position (CMP) Sensor
(4)Water Pump
Figure 13:

Engine, Right Side (L67 Shown)


Object Number: 342589  Size: MF
(1)Manifold Absolute Pressure (MAP) Sensor
(2)Boost Control Solenoid
(3)C107 (Hidden)
(4)Ignition Control Module
(5)G100 (Hidden)
(6)S135
(7)S136
(8)Crankshaft Position (CKP) Sensor
(9)Camshaft Position (CMP) Sensor (Hidden)
Figure 14:

Wheel Opening, Left Front


Object Number: 342595  Size: MF
(1)C120 (LH) C121 (RH)
(2)LH Front Wheel Speed Sensor (RH Similar)
(3)LH Front Disc Brake Rotor (RH Similar)
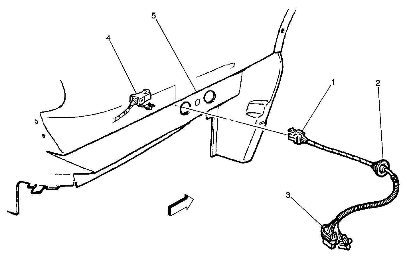
Figure 15:

Passenger Compartment, Behind the Instrument Panel (Pontiac)


Object Number: 342616  Size: MF
(1)S242
(2)S249
(3)S265
(4)S255
(5)S260
(6)S275
(7)S276
(8)C200
(9)S243
(10)Radio
(11)S229
(12)C360
(13)S206
(14)S263
(15)S224
(16)S234
(17)S291
(18)S214
(19)S213
(20)S261
(21)S200
(22)S212
(23)S299
Figure 16:

Passenger Compartment, Behind the Instrument Panel (Oldsmobile)


Object Number: 342620  Size: MF
(1)LH Sunload Temperature Sensor
(2)Twilight Sentinel
(3)Headlamp Switch Connector
(4)Traction Control Disable Switch
(5)Interior Lamp Control Module
(6)Ambient Air Temperature Sensor
(7)C200
(8)C304
(9)Valet Switch
(10)S209
(11)S249
(12)S216
(13)Radio
(14)C207
(15 )RH Sun Load Temperature Sensor
(16)IP Compartment Switch
(17)S214
(18)S213
(19)S291
(20)S264
(21)S260
Figure 17:

Passenger Compartment, Behind the Instrument Panel (Buick)


Object Number: 342623  Size: LF
(1)S277
(2)S214
(3)S212
(4)S249
(5)S299
(6)S242
(7)S234
(8)C200
(9)S291
(10)C206
(11)IP Compartment Lamp
(12)IP Compartment Lamp Switch
(13)Radio
Figure 18:

Passenger Compartment, Behind the Instrument Panel


Object Number: 342625  Size: MF
(1)S239
(2)S244
(3)S246
(4)S252
(5)S241
(6)S202
(7)S279
(8)S201
(9)S283
(10)S284
(11)S281
(12)C101 Breakout
(13)S264
(14)S248
(15)S237
(16)S207
(17)C200 Breakout
(18)S245
(19)S293
(20)Instrument Cluster Breakout
(21)S295
(22)S211
(23)S223
(24)S204
(25)S297
(26)S208
(27)S238
Figure 19:

Passenger Compartment, Below the Left Corner of the IP


Object Number: 342628  Size: MF
(1)S227
(2)S254
(3)S289
(4)S288
(5)S218
(6)S225
(7)S298
(8)S290
(9)S292
(10)G202
(11)S210
Figure 20:

Passenger Compartment, Below the Steering Column


Object Number: 342635  Size: MF
(1)Inflatable Restraint Steering Wheel Module Coil
(1)Inflatable Restraint Steering Wheel Module Coil
(2)S226
(3)LH IP Sound Insulator
(4)Data Link Connector (DLC)
Figure 21:

Passenger Compartment, Below the Left Corner of the IP


Object Number: 342642  Size: MF
(1)S215
(2)S205
(3)S282
(4)S203
(5)Park Brake Switch
(6)Brake Warning Diode
(7)Parking Brake Assembly
(8)IP Fuse Block
Figure 22:

Passenger Compartment, Below the Steering Column


Object Number: 342645  Size: MF
(1)Steering Column Support
(2)S219
(3)Theft Deterrent Relay
(4)S217
(5)C202
(6)S257
(7)S222
(8)S221
(9)S226
(10)S220
(11)S262
(12)S280
Figure 23:

Passenger Compartment, Below the Center of the Instrument Panel


Object Number: 342657  Size: MF
(1)Lamp Monitor Control Module
(2)S259
(3)S258
(4)S236
(5)S232
(6)S235
(7)To C200
(8)Stoplamp/BTSI Switch
(9)ABS/TCC Switch
(10)S231
(11)S228
(12)S230
(13)S296
(2)
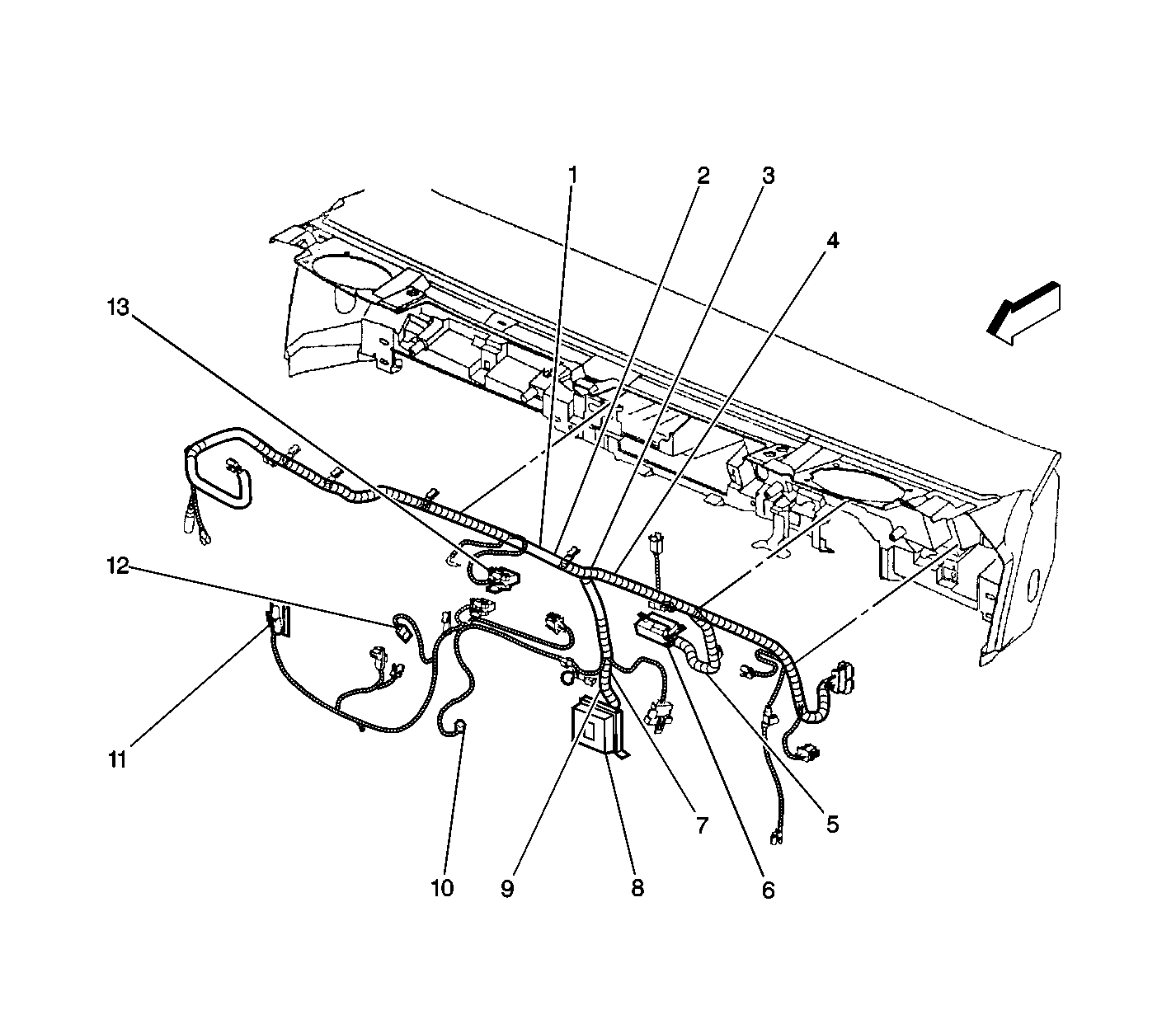
Figure 24:

Passenger Compartment, Below the Right Corner of the IP


Object Number: 342667  Size: MF
(1)IP Harness Channel
(2)S271
(3)SP215
(4)S273
(5)S233
(6)C101
Figure 25:

Passenger Compartment, Below the Right Corner of the IP


Object Number: 342668  Size: MF
(1)S240
(2)S269
(3)S268
(4)Heater and A/C Programmer
Figure 26:

Passenger Compartment, Below the Right Corner of the IP


Object Number: 342676  Size: MF
(1)RH IP Fuse Block
(2)Remote Function Actuator (RFA) Module
(3)S261
(4)S266
(5)S278
(6)S272
Figure 27:

Passenger Compartment, Below the Right Corner of the IP


Object Number: 342677  Size: MF
(1)Brake Lamp Driver Module
(2)Perimeter Lighting Relay
(3)Body Control Module (MALL)
(4)S274
(5)S247
(6)S267
Figure 28:

Passenger Compartment, Below the Right Corner of the IP


Object Number: 342680  Size: MF
(1)S256
(2)S270
(3)S310
(4)S309
(5)S308
(6)S307
(7)G201
(8)S251
(9)S285
Figure 29:

Passenger Compartment, in the Right Front Pillar


Object Number: 342684  Size: MF
(1)C221
Figure 30:

Passenger Compartment, in the Left Front Pillar


Object Number: 342689  Size: MF
(1)C205
Figure 31:

Passenger Compartment, Under the Front Seats


Object Number: 342701  Size: LF
(1)C345 (Pontiac With AL7) C313 (Oldsmobile)
(2)C303 (Buick, Oldsmobile)
(3)LH Seat Switch (Oldsmobile/Pontiac w/AG1,AG2)
(4)C324 (Buick, Oldsmobile)
(5)Seat Module
(6)C326 (Buick/Oldsmobile) C323 (Pontiac Without AL7) C353 (Pontiac With AL7)
(7)C341
(8)RH Seat Switch (Oldsmobile/Pontiac w/AG1,AG2)
Figure 32:

Passenger Compartment, Beneath the Carpet


Object Number: 342703  Size: MF
(1)P403
(2)S415
(3)S315
(4)SP340
(5)SP332
Figure 33:

Left Front Door, Behind the Door Trim


Object Number: 342715  Size: MF
(1)S510
(2)P500
(3)S505
(4)S506
(5)C210
(6)C212
(7)S504
(8)S503
(9)S502
(10)Traction Control Switch( if Equipped)
(11)S501
(12)S500
(13)LH Front Power Window Motor (RH Similar)
(14)Power Window Control Module
(15)C502 (LH) C603 (RH)
(16)C503 (LH) C602 (RH)
(17)C501 (LH) C601 (RH)
(18)LH Front Door Lock Actuator C2 (RH Similar)
(19)LH Front Door Lock Actuator C1 (RH Similar)
Figure 34:

Left Hand Rear Door, Behind the Door Trim


Object Number: 342718  Size: MF
(1)LH Rear Power Window Motor (RH Similar)
(2)P700 (LH) P800 (RH)
(3)C 701 (LH) C801 (RH)
(4)C702 (LH) C703 (LH) C802 (RH) C803 (RH)
(5)LH Rear Door Lock Actuator C2 (RH Similar)
(6)LH Rear Door Lock Actuator C1 (RH Similar)
Figure 35:

Right Front Door, Behind the Door Trim


Object Number: 342720  Size: LF
(1)RH Front Door Speaker Connector (LH Similar)
(2)C602
(3)S601
(4)C216
(5)C209
(6)S600
(7)S603
(8)P600
(9)RH Front Door Speaker (LH Similar)
Figure 36:

Rear Compartment, In the Right Front Corner


Object Number: 342726  Size: MF
(1)S408
(2)S410
(3)S409
Figure 37:

Passenger Compartment, Rear Package Shelf Area


Object Number: 342710  Size: LF
(1)RH Rear Strut Tower -- LH Similar
(2)RH Rear Strut Actuator -- LH Similar (Pontiac w/FW1)
(3)RH Rear Speaker
(4)LH Rear Speaker
(5)P408
(6)S301
(7)P400
Figure 38:

Rear Right Side of the Vehicle, Just Rear of the Right Wheel


Object Number: 342730  Size: MF
(1)C440
(2)P413
(3)Automatic Level Control
(4)C440
(5)RH Rear Fender
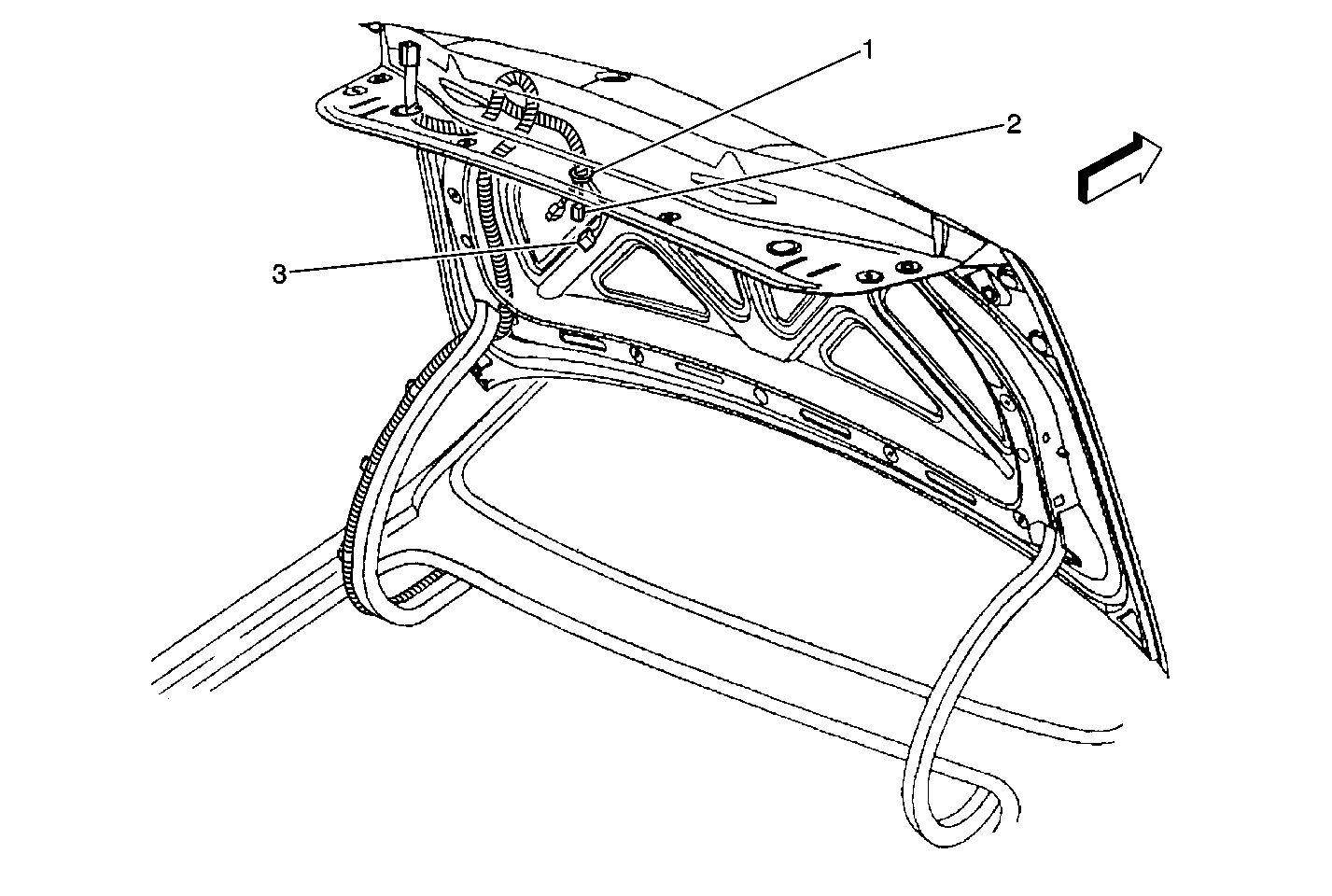
Figure 39:

Rear Compartment (Pontiac)


Object Number: 342732  Size: MF
(1)License Lamp
(2)License Lamp
(3)C404
(4)S429, S430
(5)Inflator Switch
(6)C405
(7)S431 S432
(8)C401
Figure 40:

Rear Compartment (Buick Shown, Pontiac and Oldsmobile Similar)


Object Number: 342734  Size: MF
(1)S419
(2)G402
(3)RH Rear Side Marker Lamp
(4)LH Rear Side Marker Lamp
Figure 41:

Rear Compartment (Buick)


Object Number: 342735  Size: MF
(1)C430
(2)LH Rear Side Marker Lamp
(3)RH Rear Side Marker Lamp
(4)C431
Figure 42:

Rear Compartment (Oldsmobile)


Object Number: 342737  Size: MF
(1)C402
(2)C401
(3)G402
(4)C400
(5)S416, S417
(6)S400
Figure 43:

Rear Compartment (Pontiac)


Object Number: 342739  Size: MF
(1)S400, S424, S425
(2)G402
(3)P404
(4)License Lamps
(5)S422, S423
Figure 44:

Rear Compartment (Buick)


Object Number: 342740  Size: MF
(1)C410
(2)C411
Figure 45:

Under the Vehicle, Near the Rear Suspension


Object Number: 387827  Size: LF
(1)Fuel Sender
(2)P403
(3)Fuel Tank Pressure Sensor
(4)C415
Figure 46:

Rear of the Vehicle, Behind the Fascia (Oldsmobile)


Object Number: 342742  Size: MF
(1)LH License Lamp
(2)LH Rear Side Marker Lamp
(3)S433
(4)S404, S406
(5)C401
(6)P404
(7)RH Rear Side Marker Lamp
(8)RH License Lamp
Figure 47:

Rear Compartment Lid (Pontiac)


Object Number: 342746  Size: MF
(1)P405
(2)Rear Compartment Lid Latch Switch
(3)Rear Compartment Lid Release Solenoid
Figure 48:

Rear Compartment Lid (Buick)


Object Number: 342748  Size: MF
(1)LH License Lamp
(2)RH License Lamp
(3)Rear Compartment Lid Release Solenoid
(4)S400
(5)S414
(6)P405
(7)Rear Compartment Lid Latch Switch
(8)C430
Figure 49:

Rear Compartment Lid (Oldsmobile)


Object Number: 342749  Size: MF
(1)Rear Compartment Lid Latch Switch
(2)P405
(3)Rear Compartment Lid Release Solenoid
(4)C430