GM Service Manual Online
For 1990-2009 cars only

Removal Procedure


    Object Number: 306538  Size: SH
  1. Open the hood.
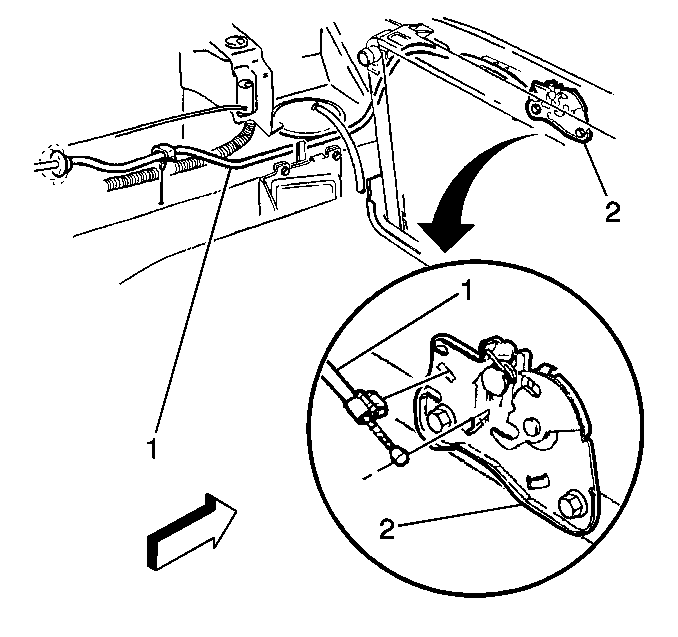
  2. Disconnect the release cable (1) from the latch assembly (2).
  3. Route the cable along the body rail towards the rear of the vehicle.
  4. Important: Tie a string around the cable before removing the cable from the vehicle. This will ensure the proper routing and ease of installation of the release cable.

  5. Remove the 2 bolts that retain the hood latch release handle .
  6. Remove the grommet through the cowl opening.
  7. Remove the cable through the passenger compartment.
  8. Disconnect the cable from the release handle.

Installation Procedure


    Object Number: 306538  Size: SH
  1. Connect the cable to the release handle .
  2. Install the cable through the passenger compartment.
  3. Important: Apply a mild soap in order to ease installation.

  4. Install the grommet through the cowl opening.
  5. Notice: Use the correct fastener in the correct location. Replacement fasteners must be the correct part number for that application. Fasteners requiring replacement or fasteners requiring the use of thread locking compound or sealant are identified in the service procedure. Do not use paints, lubricants, or corrosion inhibitors on fasteners or fastener joint surfaces unless specified. These coatings affect fastener torque and joint clamping force and may damage the fastener. Use the correct tightening sequence and specifications when installing fasteners in order to avoid damage to parts and systems.

  6. Install the 2 bolts in order to retain the hood latch release handle .
  7. Tighten
    Tighten the bolts to 7 N·m (62 lb in).

  8. Route the cable along the body rail toward the front of the vehicle.
  9. Connect the release cable (1) to the latch assembly (2).
  10. Close the hood.