GM Service Manual Online
For 1990-2009 cars only

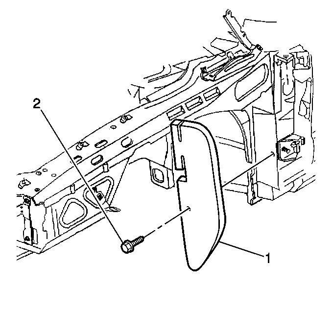
Removal Procedure

  1. Remove the wheelhouse assembly. Refer to Wheelhouse Panel Replacement .

  2. Object Number: 308269  Size: SH
  3. Remove the bolts (2) retaining the sound insulator (1).
  4. Remove the fender sound insulator (1).

Installation Procedure


    Object Number: 308269  Size: SH
  1. Install the fender sound insulator (1).
  2. Notice: Use the correct fastener in the correct location. Replacement fasteners must be the correct part number for that application. Fasteners requiring replacement or fasteners requiring the use of thread locking compound or sealant are identified in the service procedure. Do not use paints, lubricants, or corrosion inhibitors on fasteners or fastener joint surfaces unless specified. These coatings affect fastener torque and joint clamping force and may damage the fastener. Use the correct tightening sequence and specifications when installing fasteners in order to avoid damage to parts and systems.

  3. Install the bolts (2) in order to retain the sound insulator (1).
  4. Tighten
    Tighten the bolts to 1.7 N·m (17 lb in).

  5. Install the wheelhouse assembly. Refer to Wheelhouse Panel Replacement .