GM Service Manual Online
For 1990-2009 cars only
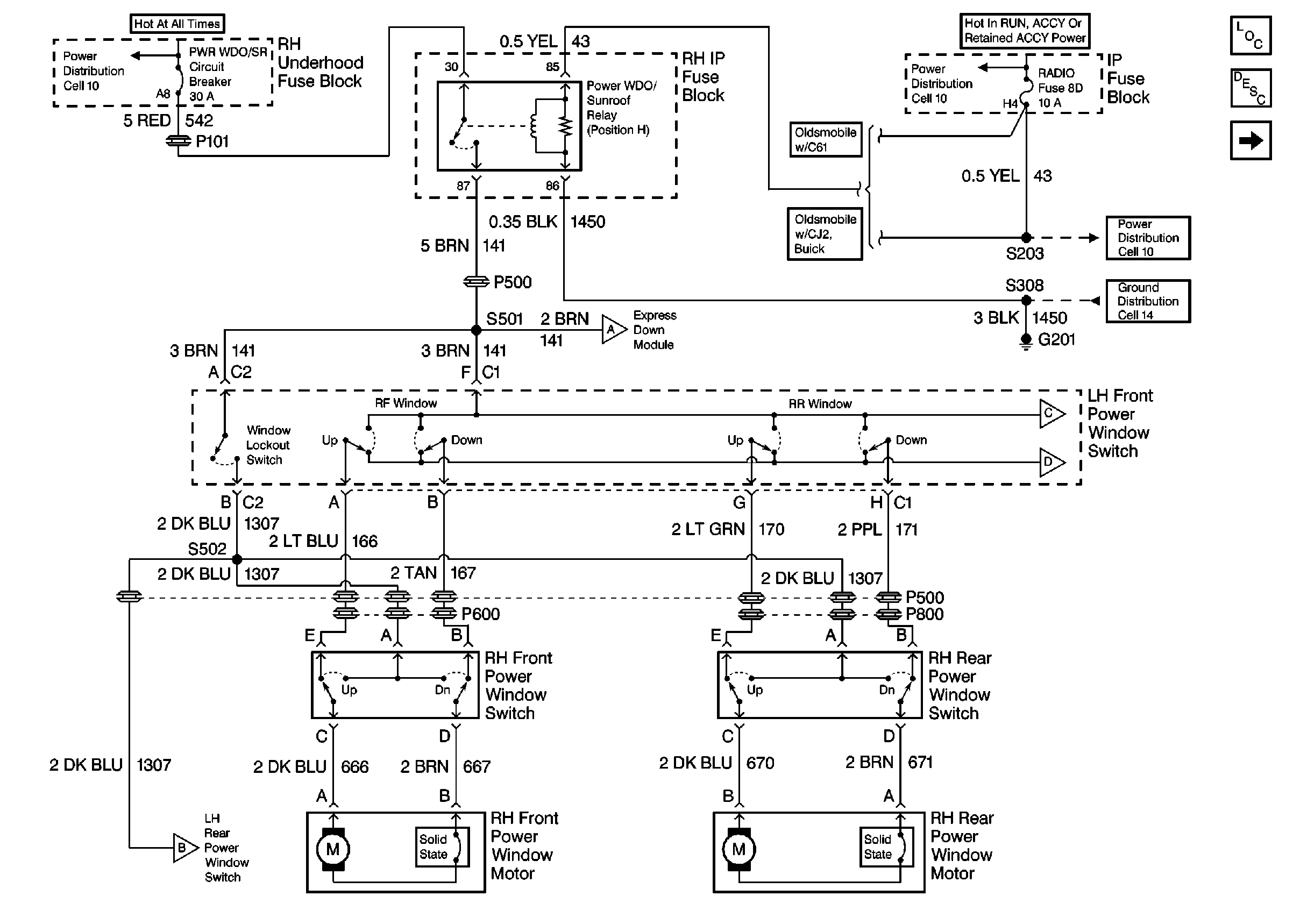
Figure 1:

Cell 120: Right Power Window Motors - Oldsmobile


Object Number: 342969  Size: FS
Cell 10: A/C, PCM/VATS, HORNS/DR LKS/TRNK RLY Fuses, and PWR WDO/SR Circuit Breaker
Cell 120: Left Power Window Motors - Oldsmobile/Buick
Cell 120: Left Power Window Motors - Oldsmobile/Buick
Cell 10: RADIO and WPR/WSHR Fuses
Cell 10: RADIO and WPR/WSHR Fuses
Cell 14: G201 (1 of 2)
Power Door Systems Components
Power Windows Circuit Description
Cell 120: Left Power Window Motors - Oldsmobile/Buick
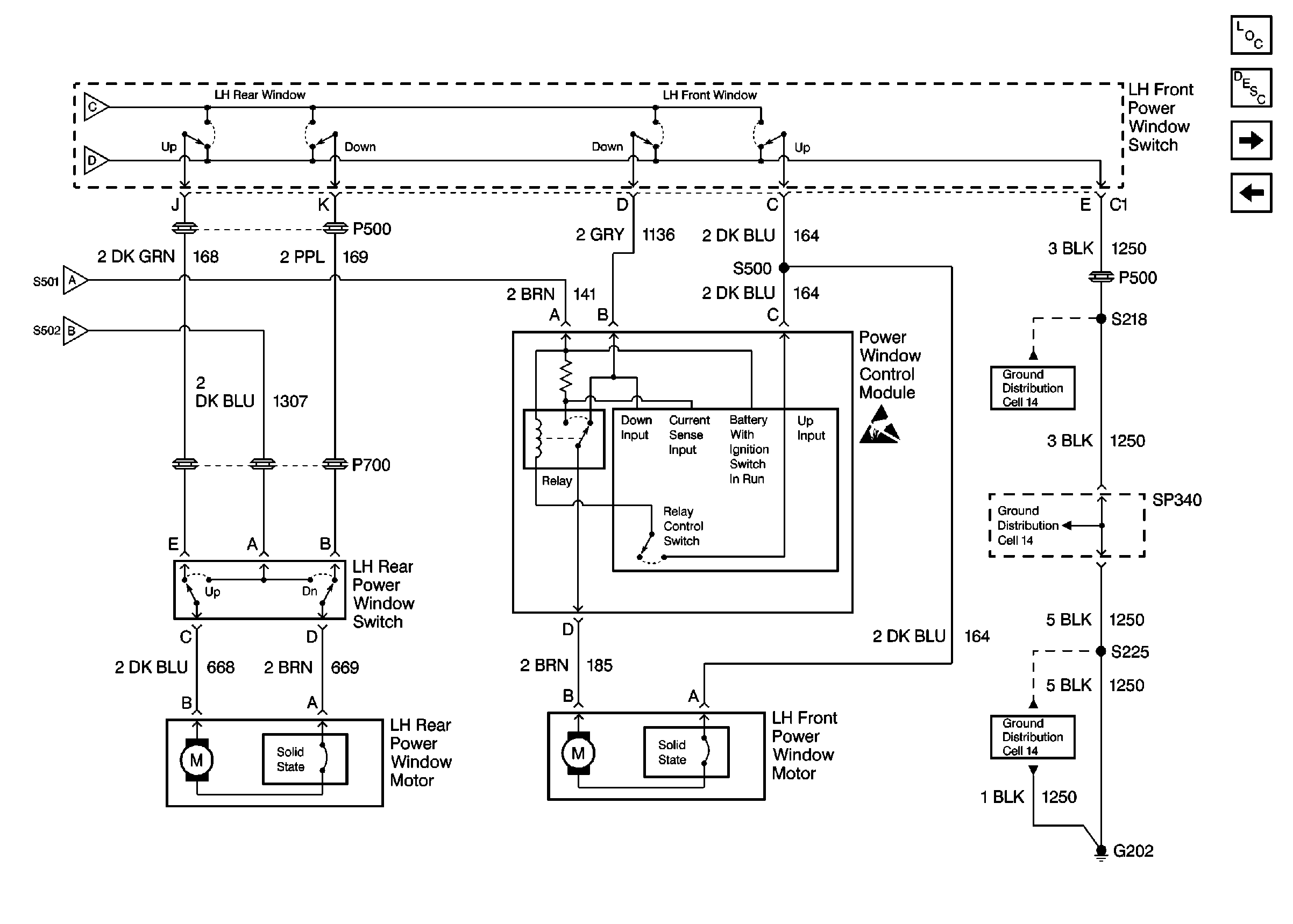
Figure 2:

Cell 120: Left Power Window Motors - Oldsmobile/Buick


Object Number: 342972  Size: FS
Cell 120: Right Power Window Motors - Oldsmobile
Cell 120: Right Power Window Motors - Oldsmobile
Handling ESD Sensitive Parts Notice
Cell 14: G202 Continued
Cell 14: G202
Power Door Systems Components
Power Windows Circuit Description
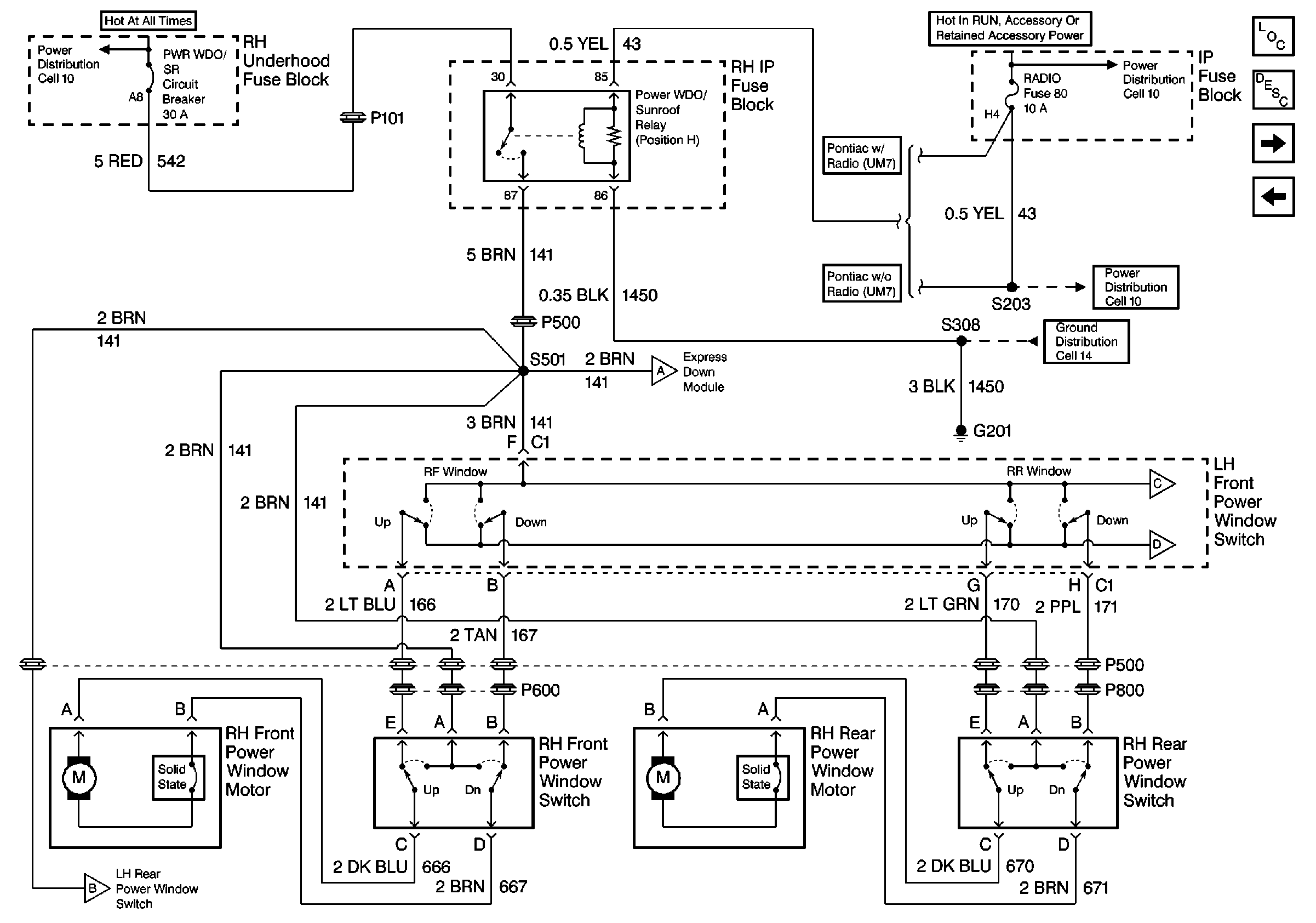
Cell 120: Right Power Window Motors - Pontiac
Cell 120: Right Power Window Motors - Oldsmobile
Cell 14: G202 Continued
Cell 120: Right Power Window Motors - Oldsmobile
Cell 120: Right Power Window Motors - Oldsmobile
Figure 3:

Cell 120: Right Power Window Motors - Pontiac


Object Number: 342974  Size: FS
Cell 10: A/C, PCM/VATS, HORNS/DR LKS/TRNK RLY Fuses, and PWR WDO/SR Circuit Breaker
Cell 120: Left Power Window Motors - Pontiac
Cell 120: Left Power Window Motors - Pontiac
Cell 10: RADIO and WPR/WSHR Fuses
Cell 10: RADIO and WPR/WSHR Fuses
Cell 14: G201 (1 of 2)
Power Door Systems Components
Power Windows Circuit Description
Cell 120: Left Power Window Motors - Pontiac
Cell 120: Left Power Window Motors - Oldsmobile/Buick
Cell 120: Left Power Window Motors - Pontiac
Cell 120: Left Power Window Motors - Pontiac
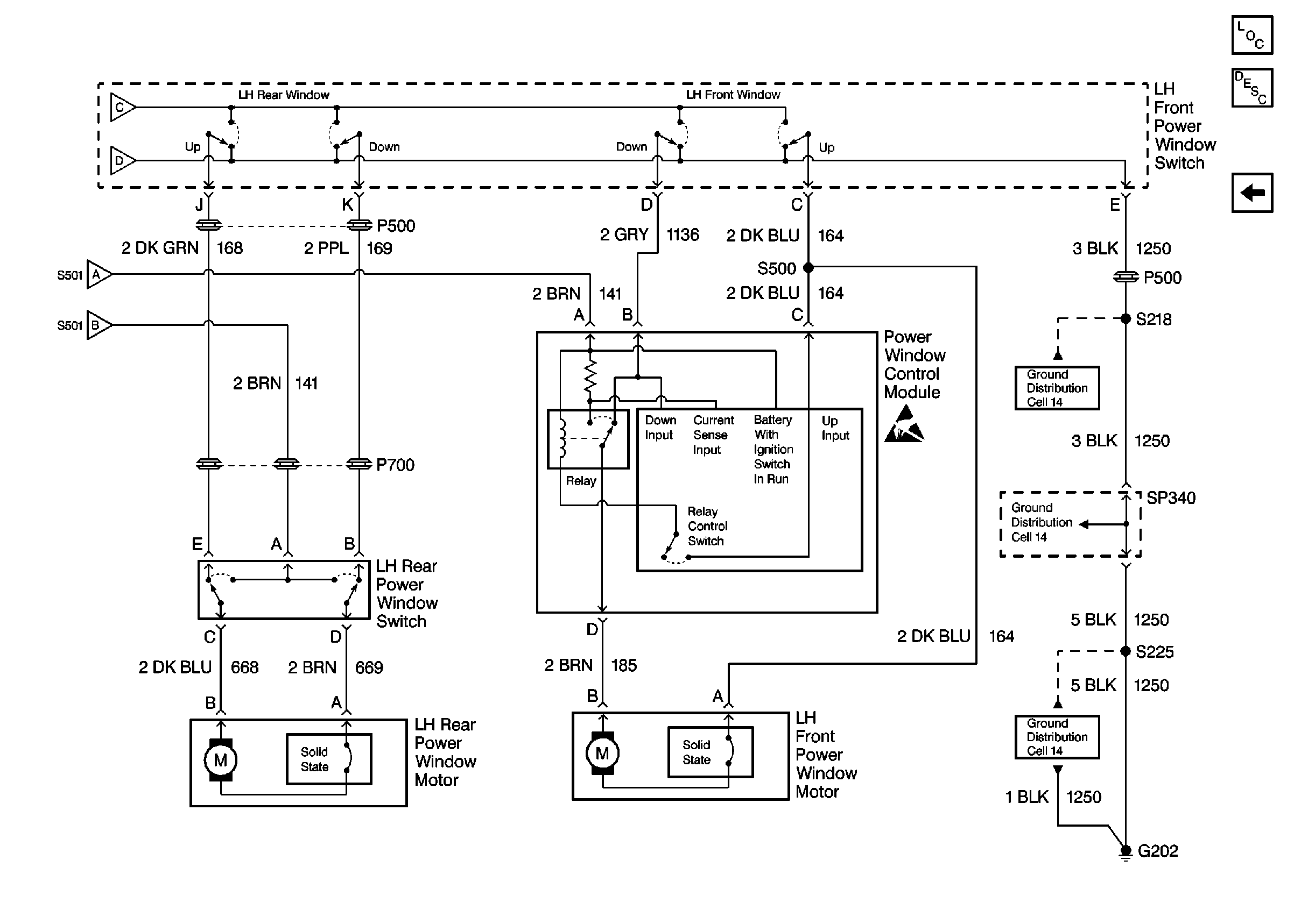
Figure 4:

Cell 120: Left Power Window Motors - Pontiac


Object Number: 342977  Size: FS
Cell 120: Right Power Window Motors - Pontiac
Cell 120: Right Power Window Motors - Pontiac
Handling ESD Sensitive Parts Notice
Cell 14: G202 Continued
Cell 14: G202
Power Door Systems Components
Power Windows Circuit Description
Cell 120: Right Power Window Motors - Pontiac
Cell 120: Right Power Window Motors - Pontiac
Cell 120: Right Power Window Motors - Pontiac
Cell 14: G202 Continued