GM Service Manual Online
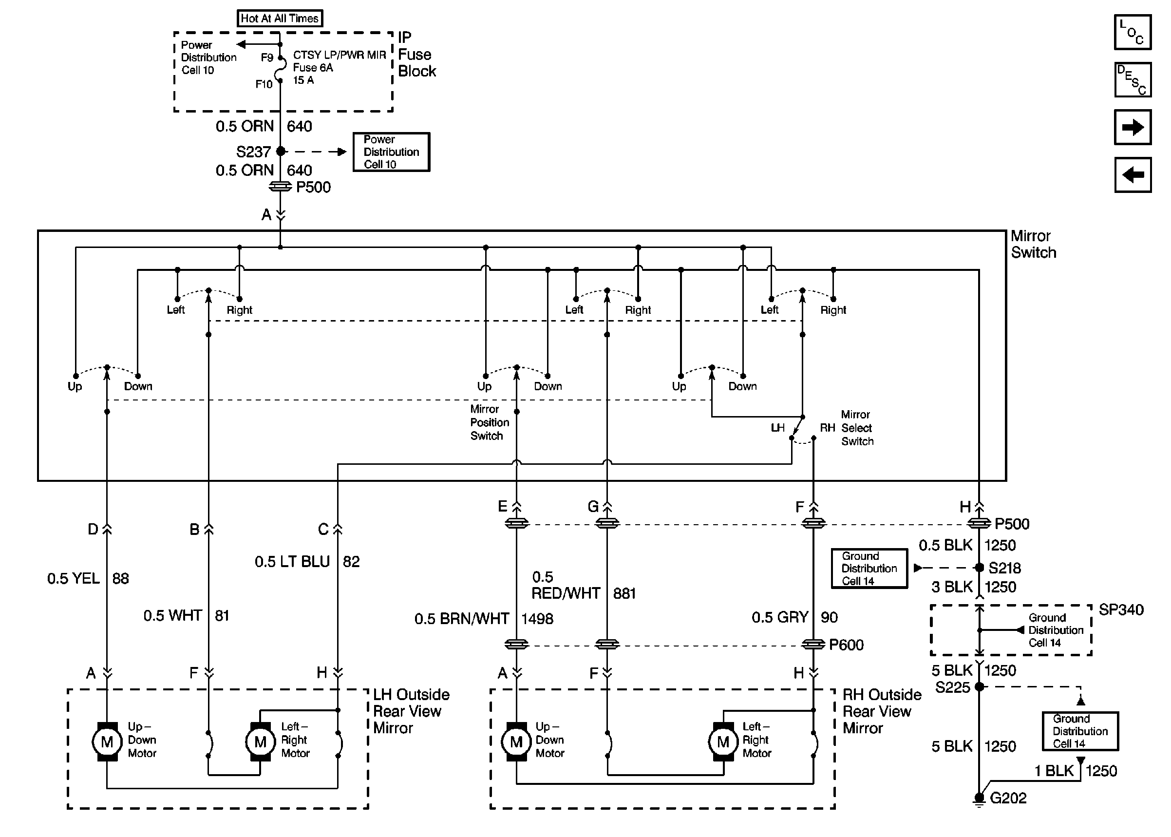
For 1990-2009 cars only
Figure 1:

Cell 147: Oldsmobile Without Memory Mirrors


Object Number: 343035  Size: FS
Power Door Systems Components
Outside Mirrors Circuit Description Without Memory
Cell 147: Buick
Cell 10: BRK/HZRD LPS, FOG LPS, CTSY LP/PWR MIR, and PARKLPS/INT LPS Fuses
Cell 10: BRK/HZRD LPS, FOG LPS, CTSY LP/PWR MIR, and PARKLPS/INT LPS Fuses
Cell 14: G202 Continued
Cell 14: G202
Cell 14: G202 Continued
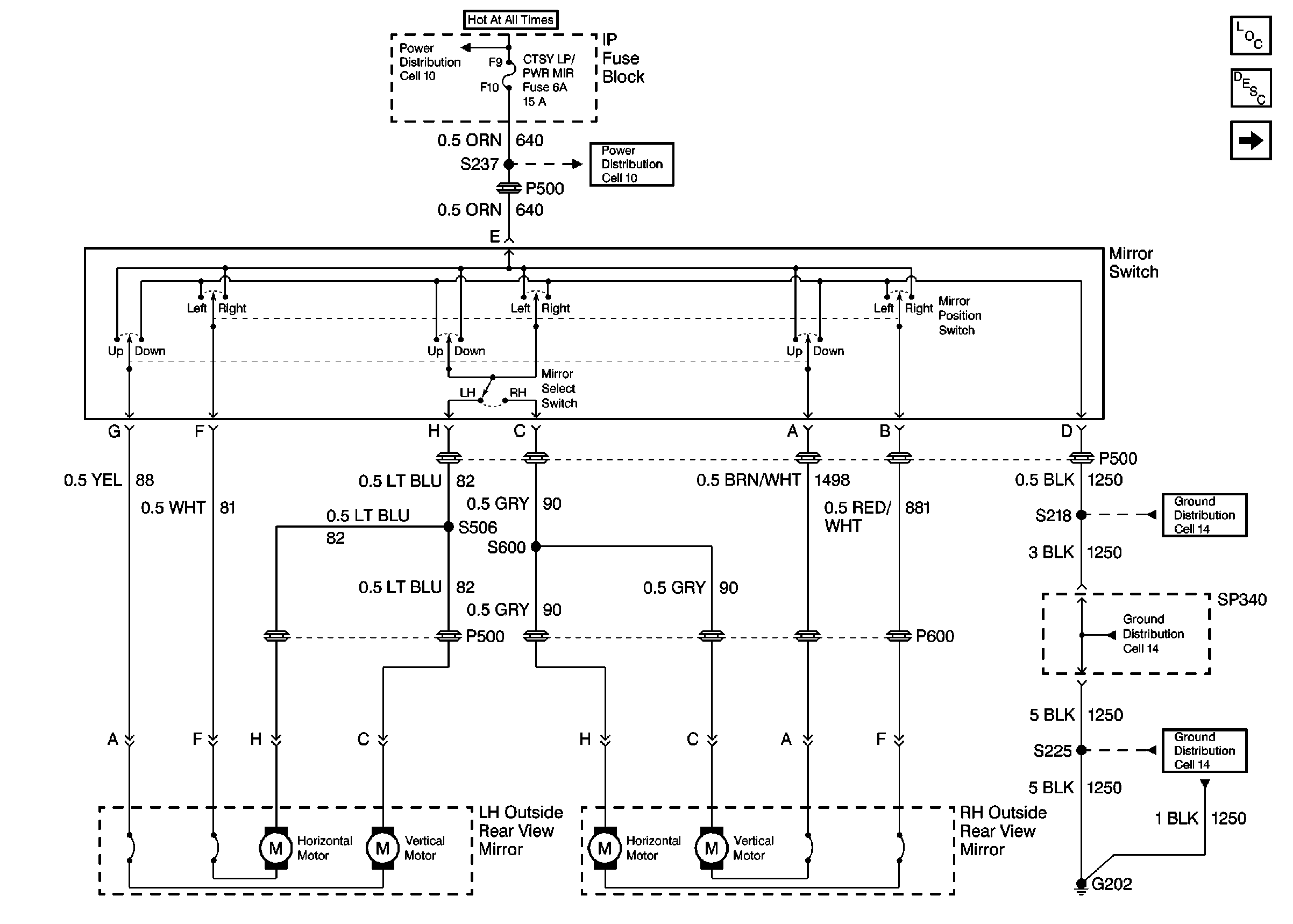
Figure 2:

Cell 147: Buick


Object Number: 343039  Size: FS
Power Door Systems Components
Outside Mirrors Circuit Description Without Memory
Cell 147: Pontiac
Cell 147: Oldsmobile Without Memory Mirrors
Cell 10: BRK/HZRD LPS, FOG LPS, CTSY LP/PWR MIR, and PARKLPS/INT LPS Fuses
Cell 10: BRK/HZRD LPS, FOG LPS, CTSY LP/PWR MIR, and PARKLPS/INT LPS Fuses
Cell 14: G202 Continued
Cell 14: G202
Cell 14: G202 Continued
Figure 3:

Cell 147: Pontiac


Object Number: 343042  Size: FS
Power Door Systems Components
Cell 147: Oldsmobile with Memory Mirrors
Outside Mirrors Circuit Description Without Memory
Cell 147: Buick
Cell 10: BRK/HZRD LPS, FOG LPS, CTSY LP/PWR MIR, and PARKLPS/INT LPS Fuses
Cell 10: BRK/HZRD LPS, FOG LPS, CTSY LP/PWR MIR, and PARKLPS/INT LPS Fuses
Cell 14: G202 Continued
Cell 14: G202
Cell 14: G202 Continued
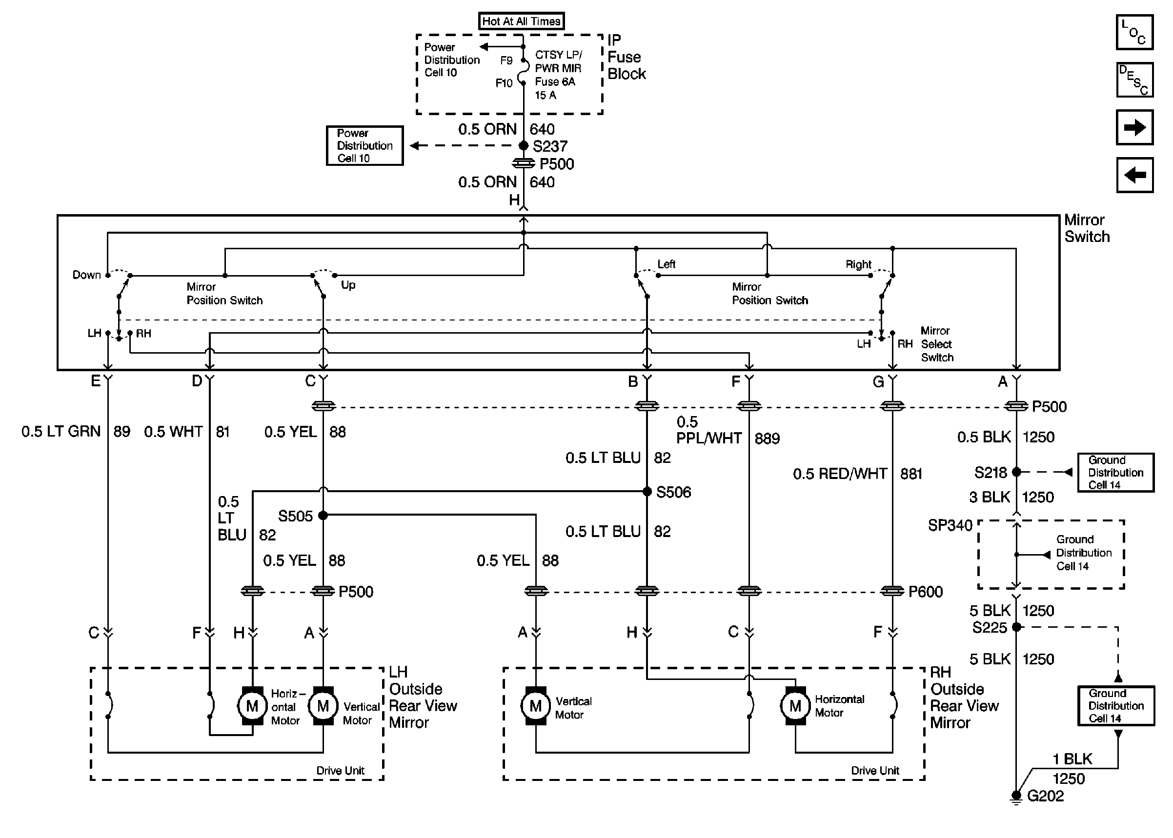
Figure 4:

Cell 147: Oldsmobile with Memory Mirrors


Object Number: 343046  Size: FS
Power Door Systems Components
Outside Mirrors Circuit Description With Memory
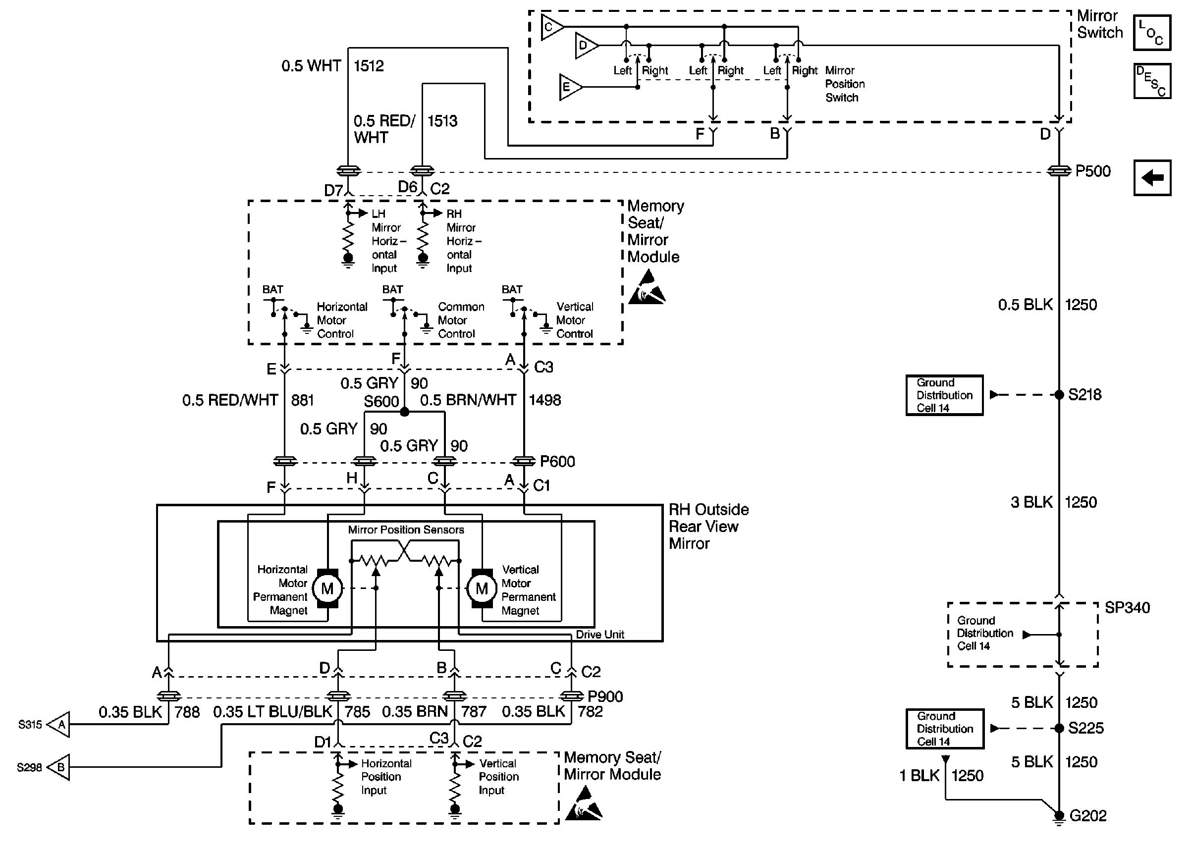
Cell 147: Oldsmobile with Memory Mirrors, Right Side
Cell 147: Pontiac
Cell 147: Oldsmobile with Memory Mirrors, Right Side
Cell 147: Oldsmobile with Memory Mirrors, Right Side
Cell 10: BRK/HZRD LPS, FOG LPS, CTSY LP/PWR MIR, and PARKLPS/INT LPS Fuses
Cell 10: BRK/HZRD LPS, FOG LPS, CTSY LP/PWR MIR, and PARKLPS/INT LPS Fuses
Handling ESD Sensitive Parts Notice
Cell 147: Oldsmobile with Memory Mirrors, Right Side
Cell 147: Oldsmobile with Memory Mirrors, Right Side
Cell 147: Oldsmobile with Memory Mirrors, Right Side
Cell 141: Seat Motors and Position Sensors
Cell 141: Seat Motors and Position Sensors
Figure 5:

Cell 147: Oldsmobile with Memory Mirrors, Right Side


Object Number: 343050  Size: FS
Power Door Systems Components
Outside Mirrors Circuit Description With Memory
Cell 147: Oldsmobile with Memory Mirrors
Cell 14: G202
Cell 14: G202 Continued
Handling ESD Sensitive Parts Notice
Handling ESD Sensitive Parts Notice
Cell 147: Oldsmobile with Memory Mirrors
Cell 147: Oldsmobile with Memory Mirrors
Cell 147: Oldsmobile with Memory Mirrors
Cell 147: Oldsmobile with Memory Mirrors
Cell 147: Oldsmobile with Memory Mirrors
Cell 14: G202 Continued