GM Service Manual Online
For 1990-2009 cars only
Makes
🢒
Buick
🢒
2000
🢒
LeSabre
🢒
Transmission/Transaxle
🢒
Automatic Transaxle - 4T65-E
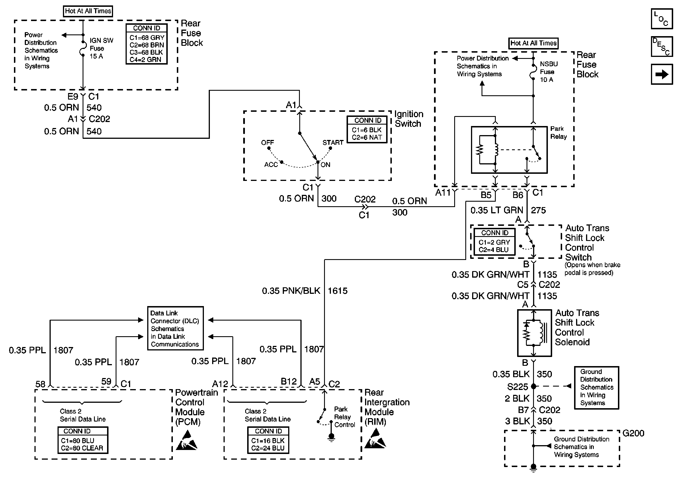
🢒 Shift Lock Control Schematics
Figure
1:
Auto Trans Shift Lock Control Solenoid: Class 2
Automatic Transmission Components
Automatic Transmission Shift Lock Control Circuit Description
Internal Mode Switch Inputs
PARK and REVERSE Relay, NSBU and IGN SW Fuses (Rear Fuse Block)
G200 (1 of 2)
G200 (1 of 2)
Serial Data Class 2
PARK and REVERSE Relay, NSBU and IGN SW Fuses (Rear Fuse Block)
Handling ESD Sensitive Parts Notice
Handling ESD Sensitive Parts Notice
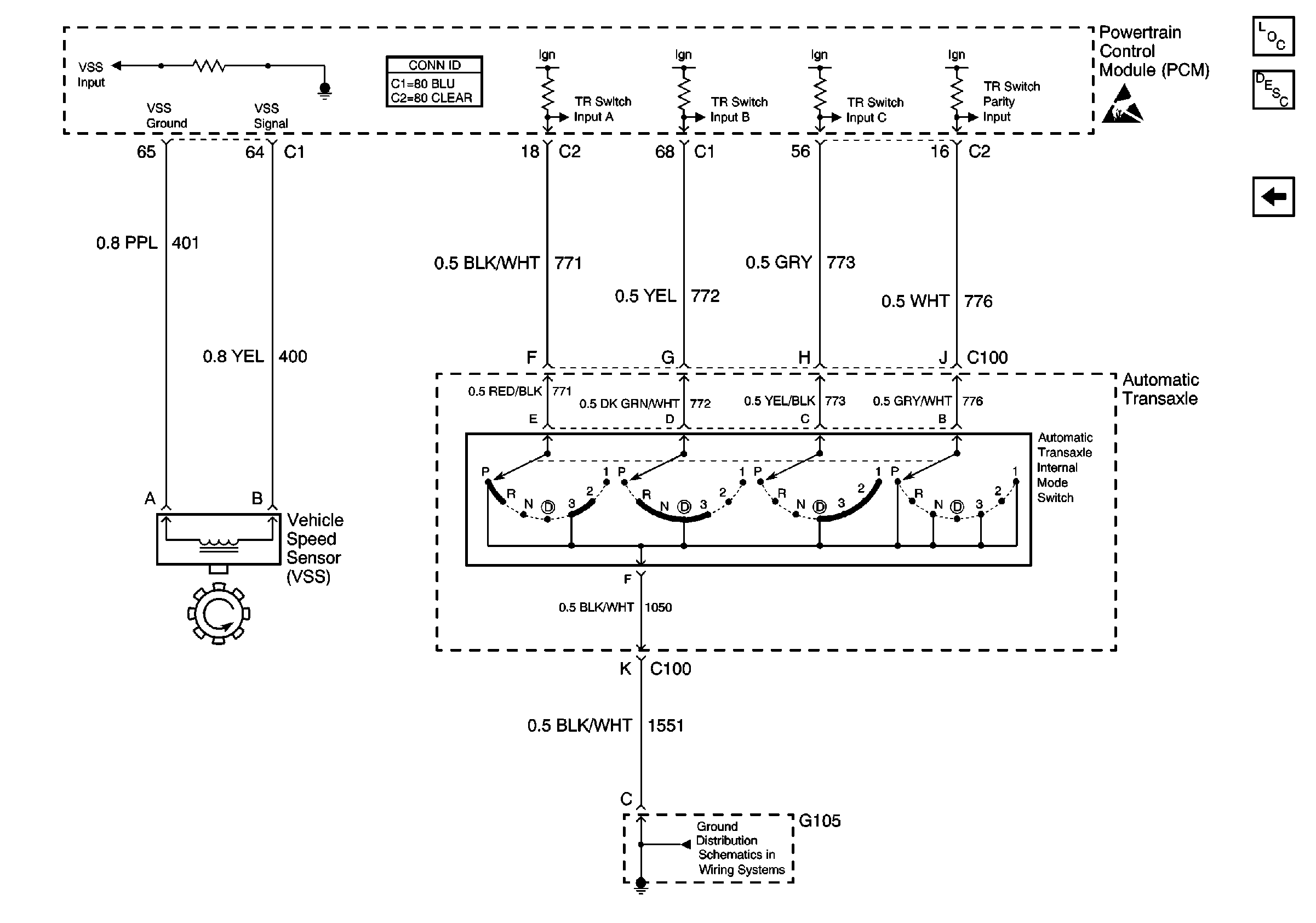
Figure
2:
Internal Mode Switch Inputs
Automatic Transmission Components
Automatic Transmission Shift Lock Control Circuit Description
Auto Trans Shift Lock Control Solenoid: Class 2
G104 and G105
Handling ESD Sensitive Parts Notice