GM Service Manual Online
For 1990-2009 cars only
Figure 1:

IGN Switch, PCM Feeds


Object Number: 410110  Size: FS
Engine Controls Components
Powertrain Control Module Description
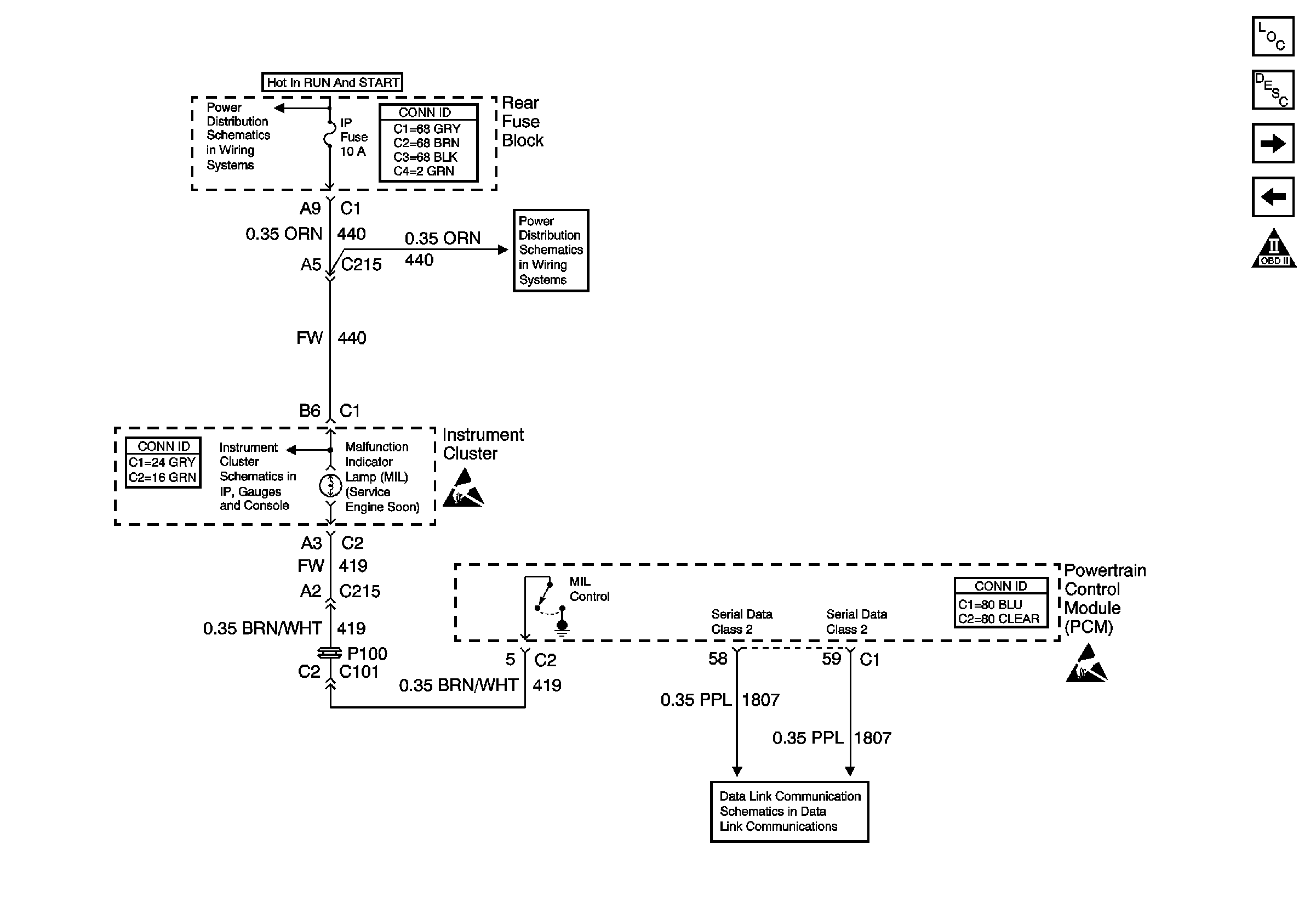
MIL, Data Link Feed
IGN-1 Relay, TRANS, DIS, OXY SEN and IGN 1 Fuses (Underhood Fuse Block)
Ignition Switch (1 of 2)
Handling ESD Sensitive Parts Notice
G104 and G105
Figure 2:

MIL, Data Link Feed


Object Number: 410111  Size: FS
Engine Controls Components
Information Sensors/Switches Description
IC Module, CMP and CKP Sensors
IGN Switch, PCM Feeds
IP, CIGAR, AUX PWR, and C/LTR Fuses and CIGAR Relay
IP, CIGAR, AUX PWR, and C/LTR Fuses and CIGAR Relay
PCM, IPC, Inputs
Handling ESD Sensitive Parts Notice
Handling ESD Sensitive Parts Notice
Serial Data Class 2
Figure 3:

IC Module, CMP and CKP Sensors


Object Number: 410109  Size: FS
Engine Controls Components
Electronic Ignition (EI) System Description
Fuel Pump and Relay
MIL, Data Link Feed
Handling ESD Sensitive Parts Notice
Handling ESD Sensitive Parts Notice
IGN-1 Relay, TRANS, DIS, OXY SEN and IGN 1 Fuses (Underhood Fuse Block)
Handling ESD Sensitive Parts Notice
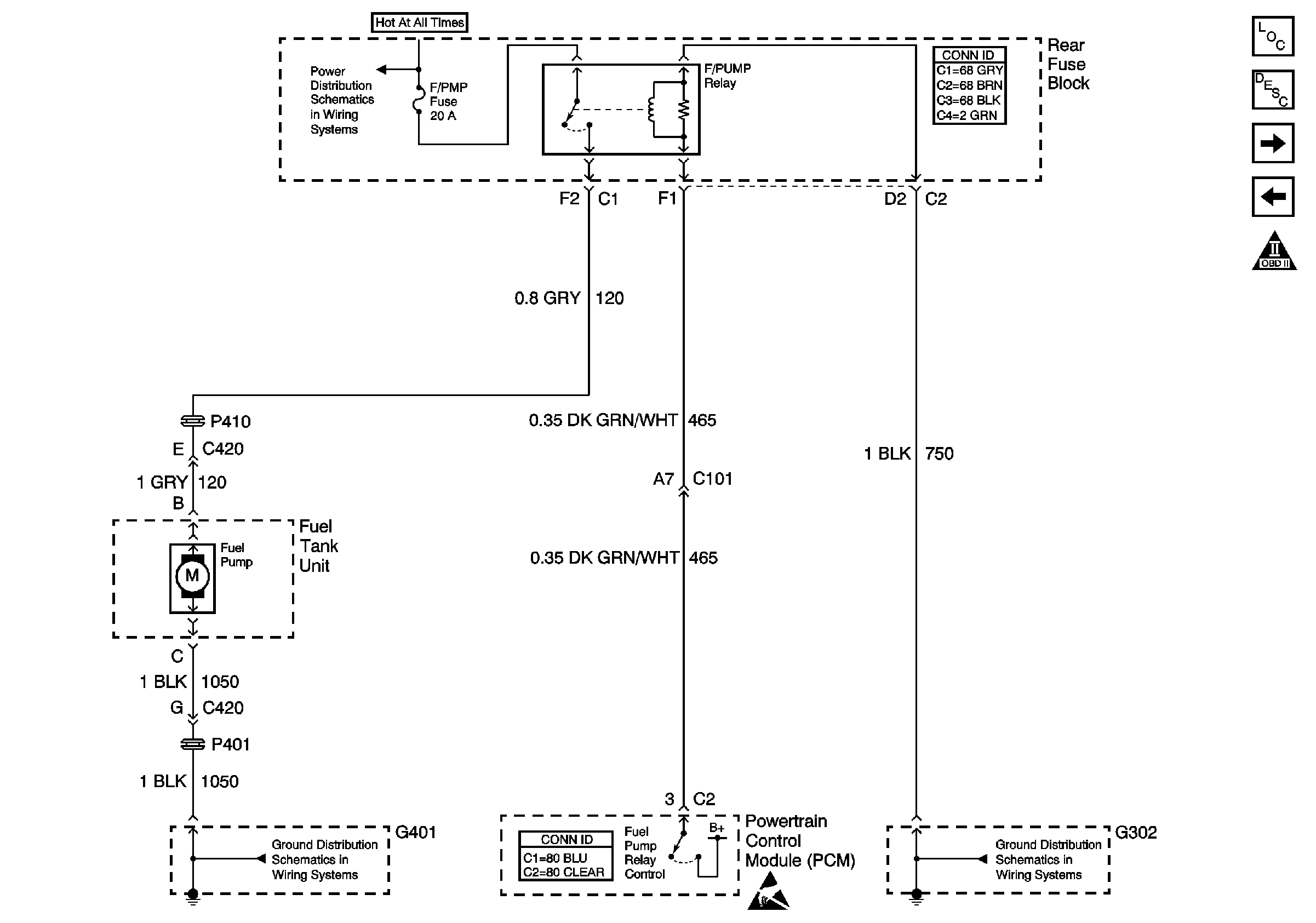
Figure 4:

Fuel Pump and Relay


Object Number: 397490  Size: FS
Engine Controls Components
Fuel System Description
Fuel Injectors
IC Module, CMP and CKP Sensors
HVAC BLO and AUDIO AMP Fuses, RAP and F/PMP Relays (Rear Fuse Block)
G401 (2 of 2)
G302
Handling ESD Sensitive Parts Notice
Figure 5:

Fuel Injectors


Object Number: 391151  Size: FS
Engine Controls Components
Fuel Metering System Component Description
Sensors
Fuel Pump and Relay
START 1 Relay, INJR 2, PCM IGN, CR CONT, and INJR 1 Fuses (UnDERhood Fuse Block)
Handling ESD Sensitive Parts Notice
Figure 6:

Sensors


Object Number: 391154  Size: FS
Engine Controls Components
Information Sensors/Switches Description
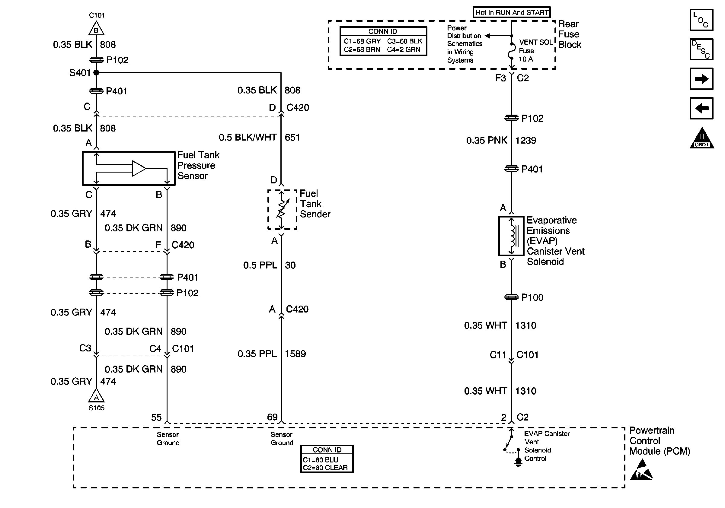
Fuel Tank Pressure Sensor, EVAP Canister Vent Solenoid
Fuel Injectors
Fuel Tank Pressure Sensor, EVAP Canister Vent Solenoid
Fuel Tank Pressure Sensor, EVAP Canister Vent Solenoid
Handling ESD Sensitive Parts Notice
Handling ESD Sensitive Parts Notice
Figure 7:

Fuel Tank Pressure Sensor, EVAP Cansiter Vent Solenoid


Object Number: 391146  Size: FS
Engine Controls Components
Fuel System Description
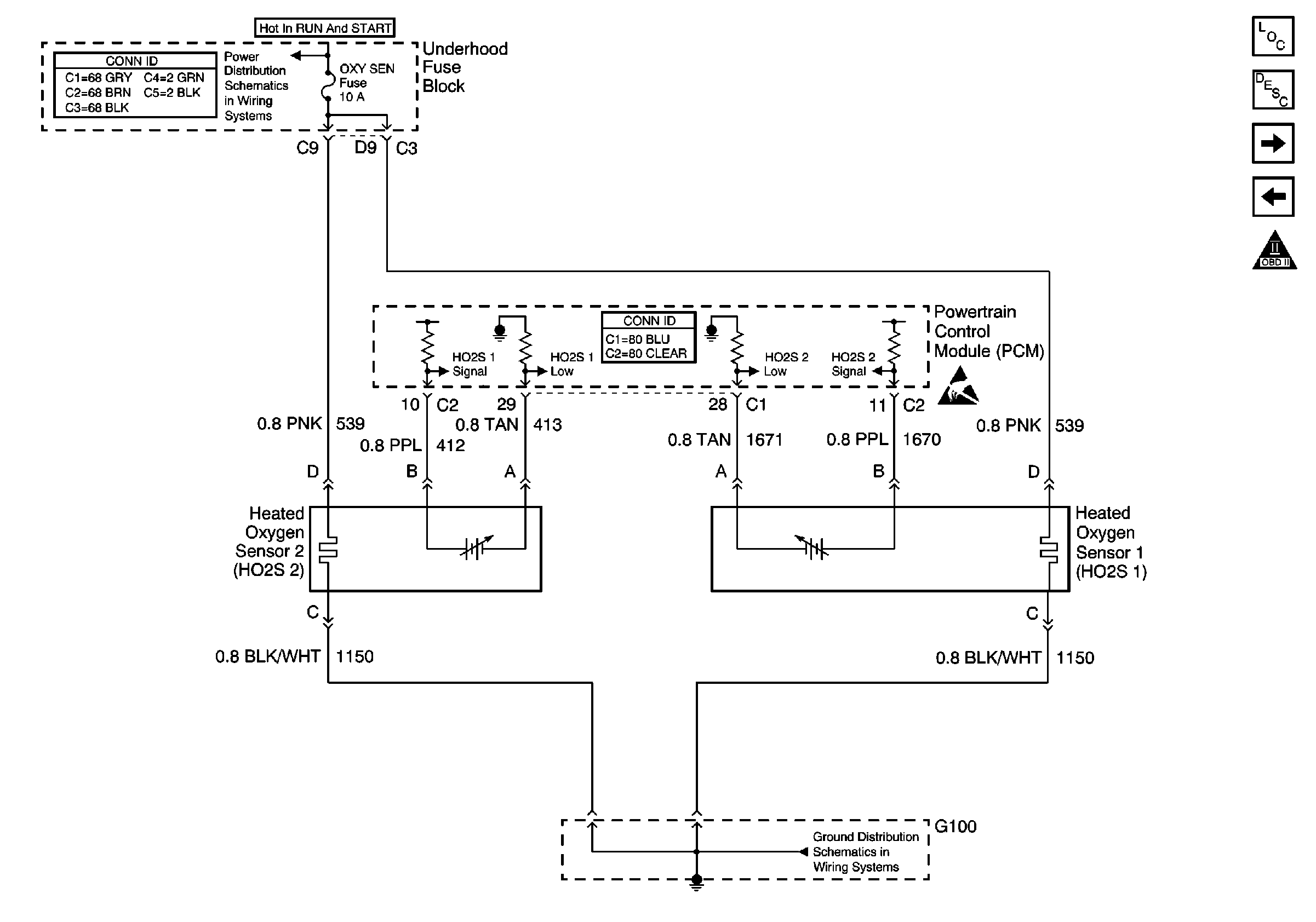
HO2S 1, HO2S 2
Sensors
Battery Feed to the Rear Fuse Block
Sensors
Sensors
Handling ESD Sensitive Parts Notice
Figure 8:

HO2S 1, HO2S 2


Object Number: 391184  Size: FS
Engine Controls Components
Information Sensors/Switches Description
Fuel Tank Pressure Sensor, EVAP Canister Vent Solenoid
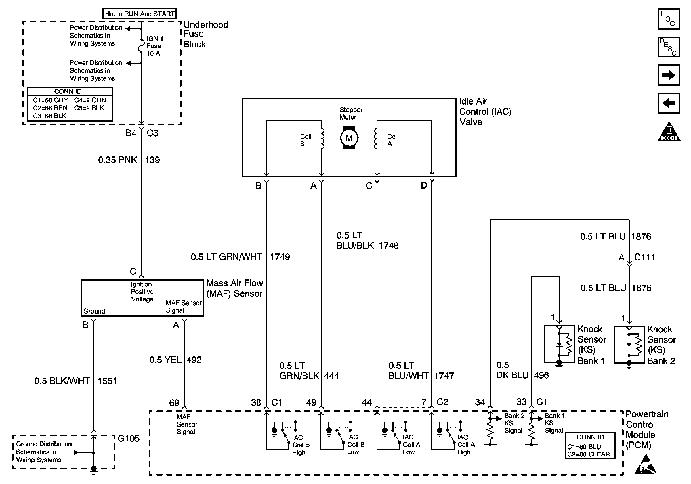
IAC Valve, MAF and Knock Sensors
Handling ESD Sensitive Parts Notice
IGN-1 Relay, TRANS, DIS, OXY SEN and IGN 1 Fuses (Underhood Fuse Block)
G100 and G102
Figure 9:

IAC Valve, MAF and Knock Sensors


Object Number: 391162  Size: FS
Engine Controls Components
Knock Sensor (KS) System Description
Cruise Control Module and VSS
HO2S 1, HO2S 2
IGN-1 Relay, TRANS, DIS, OXY SEN and IGN 1 Fuses (Underhood Fuse Block)
G104 and G105
Handling ESD Sensitive Parts Notice
Figure 10:

Cruise Control Module and VSS


Object Number: 410105  Size: FS
Engine Controls Components
Information Sensors/Switches Description
Secondary Air Bypass Valve, EGR Valve
IAC Valve, MAF and Knock Sensors
CCM, PCM Controls and Vehicle Speed Input
Handling ESD Sensitive Parts Notice
Handling ESD Sensitive Parts Notice
Handling ESD Sensitive Parts Notice
Figure 11:

Secondary Air Bypass Valve, EGR Valve


Object Number: 391156  Size: FS
Engine Controls Components
Evaporative Emission Control System Operation Description
Generator, EBCM, Oil level and Auto Trans Shift Lock Control Switches
Cruise Control Module and VSS
IGN-1 Relay, TRANS, DIS, OXY SEN and IGN 1 Fuses (Underhood Fuse Block)
Handling ESD Sensitive Parts Notice
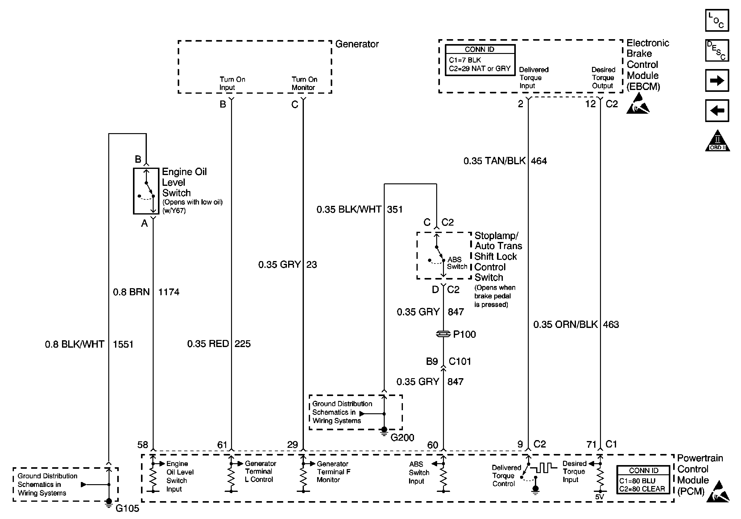
Figure 12:

Generator, EBCM, Oil level and Auto Trans Shift Lock Control Switches


Object Number: 397481  Size: FS
Engine Controls Components
Powertrain Control Module Controlled Generator Description
A/C Clutch and Relay
Secondary Air Bypass Valve, EGR Valve
Handling ESD Sensitive Parts Notice
G104 and G105
G200 (1 of 2)
Handling ESD Sensitive Parts Notice
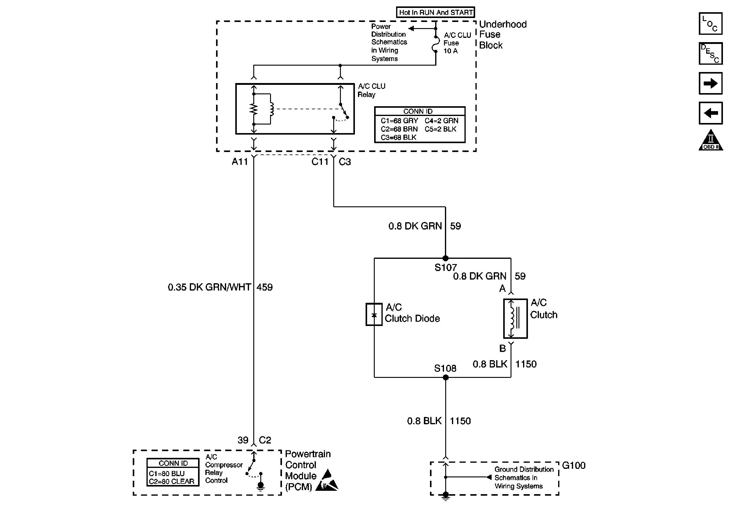
Figure 13:

A/C Clutch and Relay


Object Number: 391194  Size: FS
Engine Controls Components
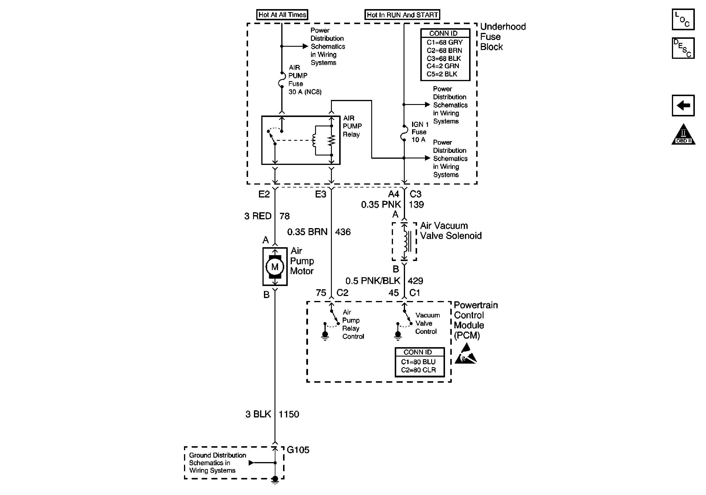
Powertrain Control Module Controlled Air Conditioning Description
Air Pump Motor and Vacuum Valve Solenoid, NC8 Only
Generator, EBCM, Oil level and Auto Trans Shift Lock Control Switches
START Circuit Breaker, START, HORN and A/C CLUTCH Relay, HORN and A/C CLU Fuses (Underhood Fuse Block)
G100 and G102
Handling ESD Sensitive Parts Notice
Figure 14:

Air Pump Motor and Vacuum Valve Solenoid, NC8 Only


Object Number: 578434  Size: FS
Engine Controls Components
A/C Clutch and Relay
OBD II Symbol Description Notice
Handling ESD Sensitive Parts Notice
AIR PUMP and ACCY Relays, AIR, C/LTR, AUX PWR, WSW and ACCY Fuses (Underhood Fuse Block)
IGN-1 Relay, TRANS, DIS, OXY SEN and IGN 1 Fuses (Underhood Fuse Block)
G104 and G105