GM Service Manual Online
For 1990-2009 cars only
Makes
🢒
Buick
🢒
2000
🢒
LeSabre
🢒
Body and Accessories
🢒
Instrument Panel, Gauges, and Console
🢒 Audible Warnings Schematics
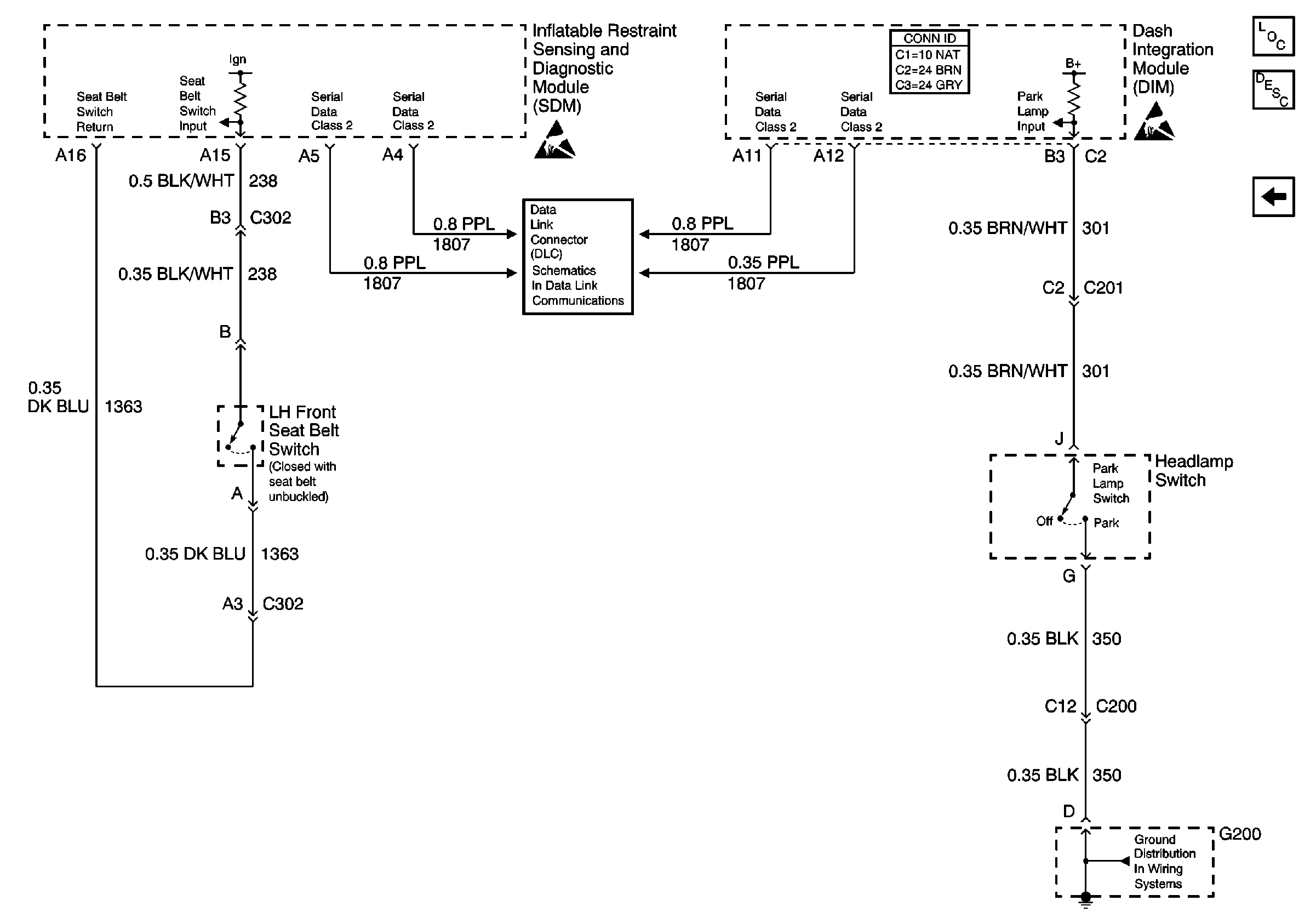
Figure
1:
Radio Output, Door, Ignition Switch
Instrument Cluster and HUD Components
Audible Warnings Circuit Description
Seat Belt, Headlamp Switches
Handling ESD Sensitive Parts Notice
Handling ESD Sensitive Parts Notice
Handling ESD Sensitive Parts Notice
Handling ESD Sensitive Parts Notice
Serial Data Class 2
Serial Data Class 2
G200 (1 of 2)
G200 (1 of 2)
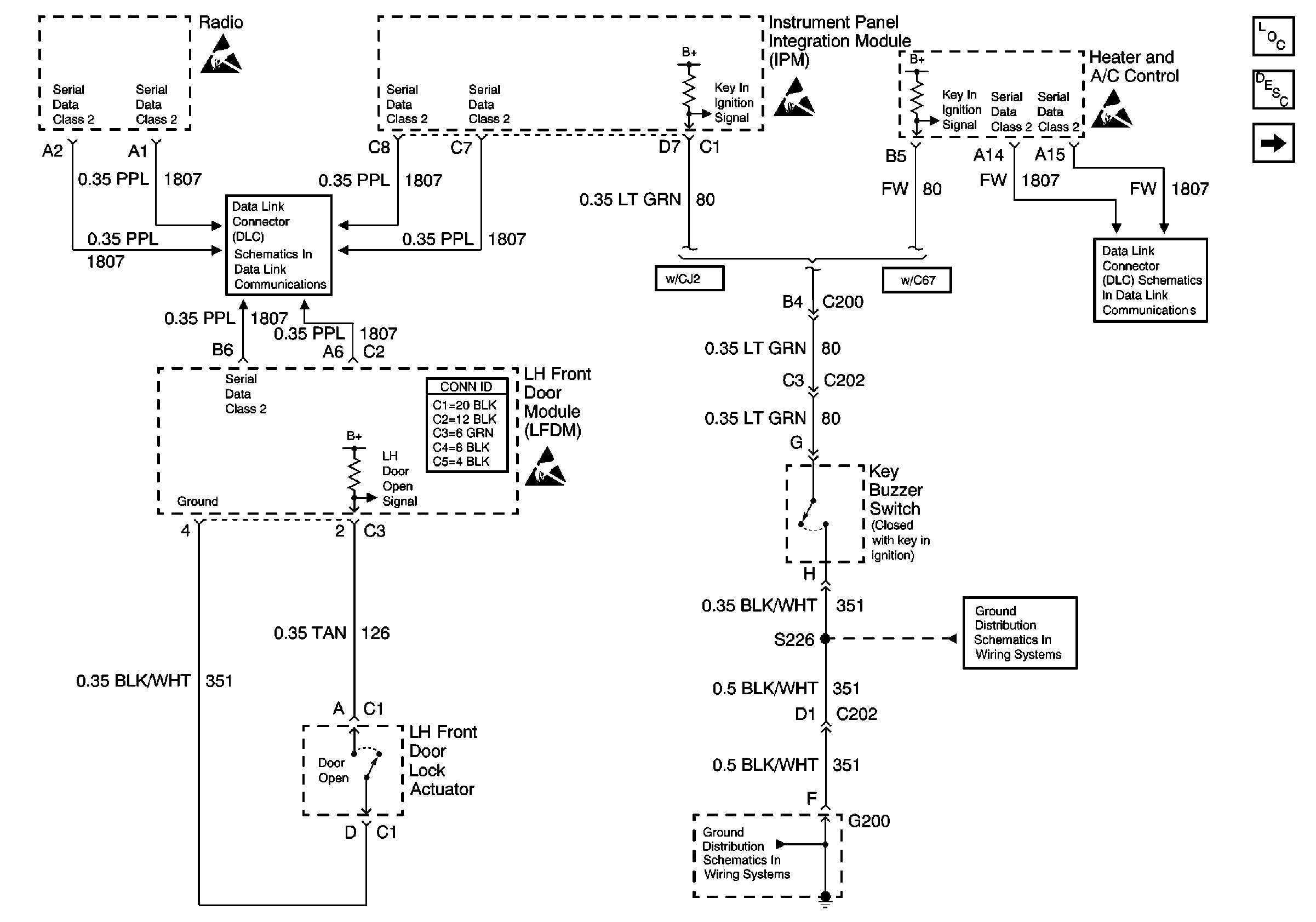
Figure
2:
Seat Belt, Headlamp Switches
Instrument Cluster and HUD Components
Audible Warnings Circuit Description
Radio Output, Door, Ignition Switch
Handling ESD Sensitive Parts Notice
Handling ESD Sensitive Parts Notice
Serial Data Class 2
G200 (1 of 2)