GM Service Manual Online
For 1990-2009 cars only
Makes
🢒
Buick
🢒
2000
🢒
LeSabre
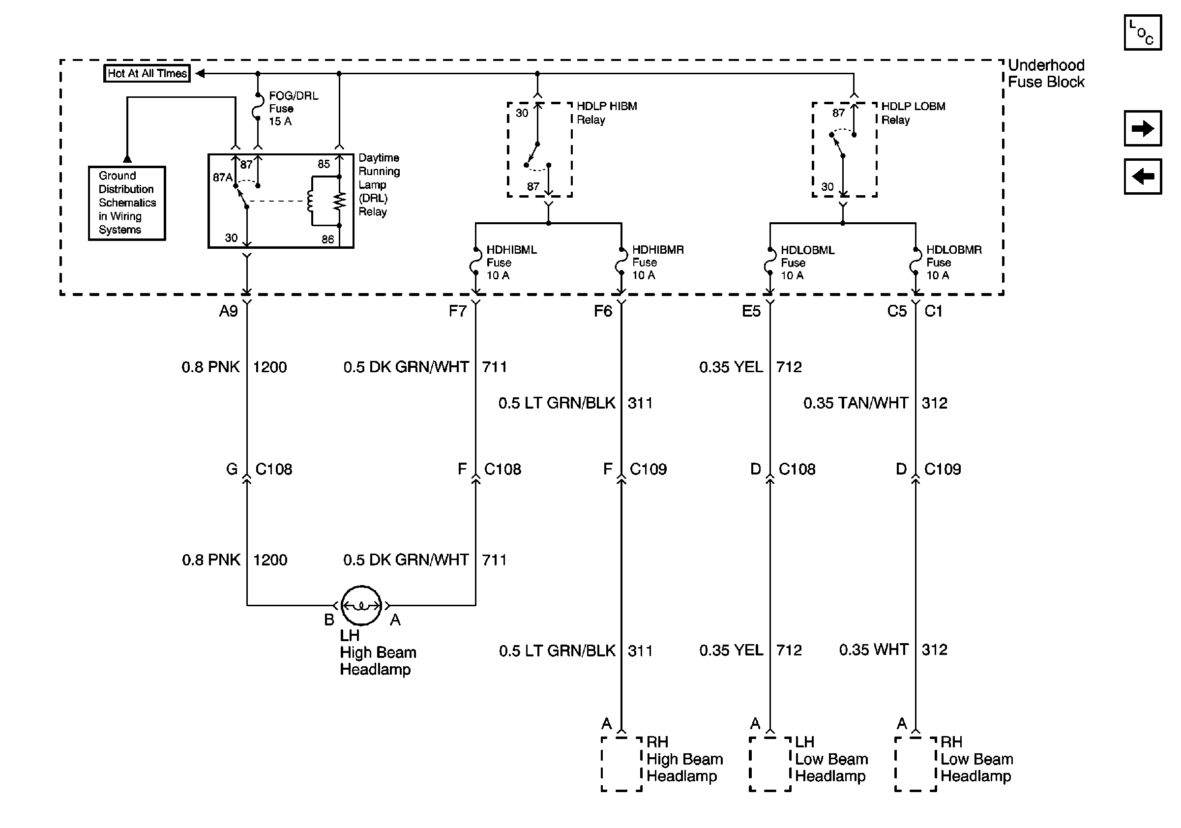
🢒 High Beam, Low Beam and DRL Relays, High Beam and Low Beam Fuses (U/HBEC)
High Beam, Low Beam and DRL Relays, High Beam and Low Beam Fuses (U/HBEC)
High Beam, Low Beam and DRL Relays, High Beam and Low Beam Fuses (U/H BEC)
Power and Grounding Components
ABS and PCM BATT Fuses (Underhood Fuse Block)
START Circuit Breaker, START, HORN and A/C CLUTCH Relay, HORN and A/C CLU Fuses (Underhood Fuse Block)
Battery Feed to the Underhood Fuse Block
G103
DRL, High Beam Headlamps, Dimmer Switch