GM Service Manual Online
For 1990-2009 cars only
Makes
🢒
Buick
🢒
2000
🢒
LeSabre
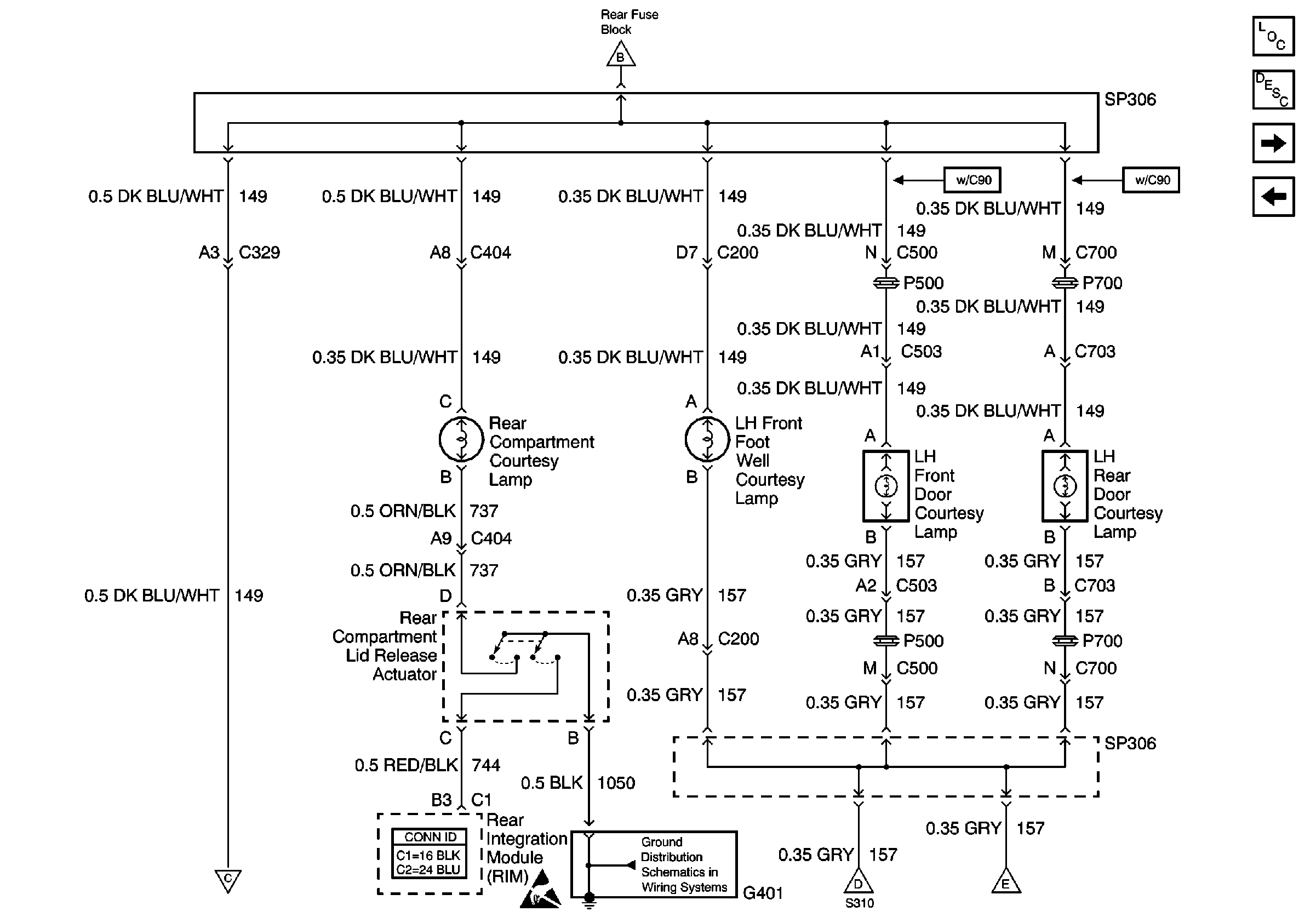
🢒 LH Courtesy Lamps
LH Courtesy Lamps
LH Courtesy Lamps
Interior Lamp Relay
Courtesy/Reading Lamps and Vanity Mirrors
ABS and PCM BATT Fuses (Underhood Fuse Block)
Handling ESD Sensitive Parts Notice
G401 (1 of 2)
RH Courtesy Lamps
Lighting Systems Components
Courtesy/Reading Lamps and Vanity Mirrors
Interior Lights Circuit Description
RH Courtesy Lamps
Door Jamb Switches