GM Service Manual Online
For 1990-2009 cars only
Makes
🢒
Buick
🢒
2000
🢒
LeSabre
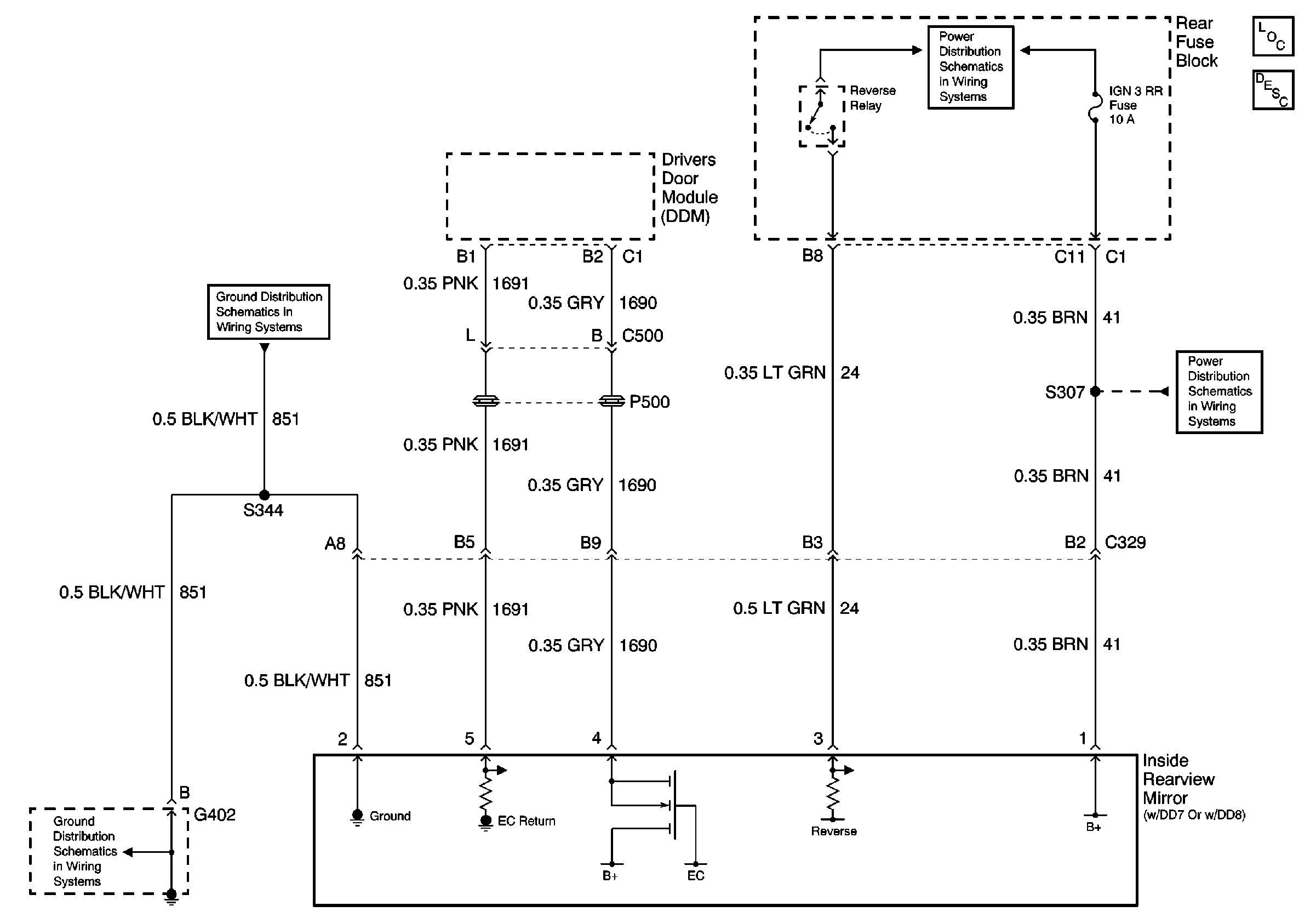
🢒 Inside Rear View Mirror W/DD7 or DD8
Inside Rear View Mirror W/DD7 or DD8
Inside Rear View Mirror W/DD7 or DD8
IGN3 and ABS Fuses (Rear Fuse Block)
IGN3 and ABS Fuses (Rear Fuse Block)
160/220/310 CELL 14 G404, G310
G402