GM Service Manual Online
For 1990-2009 cars only

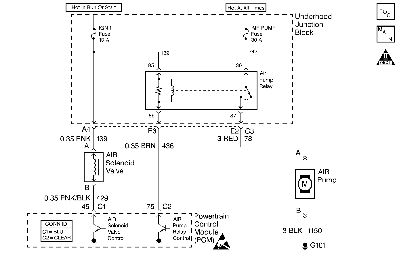
Object Number: 475500  Size: MF
Engine Controls Components
IGN Switch, PCM Feeds
OBD II Symbol Description Notice
Handling ESD Sensitive Parts Notice

Circuit Description

Ignition Voltage is supplied directly to the AIR vacuum control solenoid. The PCM controls the solenoid by grounding the control circuit via an internal solid state device called a driver. The primary function of the driver is to supply the ground for the component being controlled. Each driver has a fault line which is monitored by the PCM. When the PCM is commanding a component on, the voltage of the control circuit should be low (near 0 volts). When the PCM is commanding the control circuit to a component off, the voltage potential of the circuit should be high (near battery voltage). If the fault detection circuit senses a voltage other than what is expected, this DTC will set.

The PCM will monitor the control circuit for the following:

    • A short to ground
    • A short to voltage
    • An open circuit
    • An open solenoid
    • An internally shorted or excessively low resistance solenoid

When the PCM detects any of the above malfunctions, this DTC will set and the affected driver will be disabled.

Conditions for Running the DTC

    • The ignition voltage is between 9-18 volts.
    • The engine speed is more than 80 RPM.
    • The PCM driver transitions from ON to OFF or from OFF to ON.

Conditions for Setting the DTC

    • A short to ground, an open circuit, or a short to battery voltage is detected on the control circuit.
    • The condition is present for at least 30 seconds.

Action Taken When the DTC Sets

    • The PCM illuminates the malfunction indicator lamp (MIL) on the second consecutive ignition cycle that the diagnostic runs and fails.
    • The PCM records the operating conditions at the time the diagnostic fails. The first time the diagnostic fails, the PCM stores this information in the Failure Records. If the diagnostic reports a failure on the second consecutive ignition cycle, the PCM records the operating conditions at the time of the failure. The PCM writes the conditions to the Freeze Frame and updates the Failure Records.

Conditions for Clearing the MIL/DTC

    • The PCM turns the MIL Off after three consecutive drive trips that the diagnostic runs and does not fail.
    • A last test failed (current DTC) clears when the diagnostic runs and does not fail.
    • A History DTC clears after forty consecutive warm-up cycles, if this or any other emission related diagnostic does not report any failures.
    • Use a scan tool in order to clear the MIL/DTC.
    • Interrupting the PCM battery voltage may or may not clear DTCs. This practice is not recommended. Refer to Powertrain Control Module Description , Clearing Diagnostic Trouble Codes.

Diagnostic Aids

Notice: Do not operate the AIR pump for more than 60 seconds. Continuous operation of the AIR pump in excess of 60 seconds will damage the AIR pump.

Notice: Use the connector test adapter kit J 35616-A for any test that requires probing the following items:

   • The PCM harness connectors
   • The electrical center fuse/relay cavities
   • The component terminals
   • The component harness connector
Using this kit will prevent damage caused by the improper probing of connector terminals.

If the problem is intermittent, refer to Intermittent Conditions .

Test Description

The numbers below refer to the step numbers on the diagnostic table.

  1. The powertrain OBD System Check prompts you to complete some basic checks and store the freeze frame and failure records data on the scan tool.

  2. Listen for an audible click when the solenoid operates. Command both the ON and OFF states. Repeat the commands as necessary.

  3. Tests for voltage at the feed side of the solenoid.

  4. Verifies that the PCM is providing ground to the solenoid.

  5. Tests if ground is constantly being applied to the solenoid.

  6. The PCM utilizes Electrically Erasable Programmable Read Only Memory (EEPROM). When the PCM is replaced, the new PCM must be programmed.

Step

Action

Value(s)

Yes

No

1

Did you perform the Powertrain On-Board Diagnostic (OBD) System Check?

--

Go to Step 2

Go to Powertrain On Board Diagnostic (OBD) System Check

2

  1. Turn ON the ignition, with the engine OFF.
  2. With a scan tool, command the AIR Solenoid ON and OFF.

Does the solenoid turn ON and OFF with each command?

--

Go to Diagnostic Aids

Go to Step 3

3

  1. Turn OFF the ignition.
  2. Disconnect the solenoid.
  3. Turn ON the ignition, with the engine OFF.
  4. Probe the coil feed circuit of the solenoid with a J 35616-200 test lamp that is connected to a good ground.

Does the test lamp illuminate?

--

Go to Step 4

Go to Step 10

4

  1. Connect a test lamp between the control circuit of the solenoid and the coil feed circuit of the solenoid.
  2. With a scan tool, command the AIR Solenoid ON and OFF .

Does the test lamp turn ON and OFF with each command?

--

Go to Step 8

Go to Step 5

5

Does the test lamp remain illuminated with each command?

--

Go to Step 7

Go to Step 6

6

Test the control circuit of the solenoid for a short to voltage or an open. Refer to Wiring Repairs in Wiring Systems.

Did you find and correct the condition?

--

Go to Step 13

Go to Step 9

7

Test the control circuit of the solenoid for a short to ground. Refer to Wiring Repairs in Wiring Systems.

Did you find and correct the condition?

--

Go to Step 13

Go to Step 9

8

Inspect for poor connections at the solenoid. Refer to Testing for Intermittent Conditions and Poor Connections and Connector Repairs in Wiring Systems.

Did you find and correct the condition?

--

Go to Step 13

Go to Step 11

9

Inspect for poor connections at the PCM. Refer to Testing for Intermittent Conditions and Poor Connections and Connector Repairs in Wiring Systems.

Did you find and correct the condition?

--

Go to Step 13

Go to Step 12

10

Repair the feed circuit of the solenoid. Refer to Wiring Repairs in Wiring Systems.

Did you complete the repair?

--

Go to Step 13

--

11

Replace the solenoid.

Did you complete the replacement?

--

Go to Step 13

--

12

Important: Perform the set up procedure for the PCM.

Replace the PCM. Refer to Powertrain Control Module Replacement/Programming .

Did you complete the replacement?

--

Go to Step 13

--

13

  1. Use the scan tool in order to clear the DTCs .
  2. Operate the vehicle within the Conditions for Running the DTC as specified in the supporting text.

Does the DTC reset?

--

Go to Step 2

System OK