GM Service Manual Online
For 1990-2009 cars only
Figure 1:

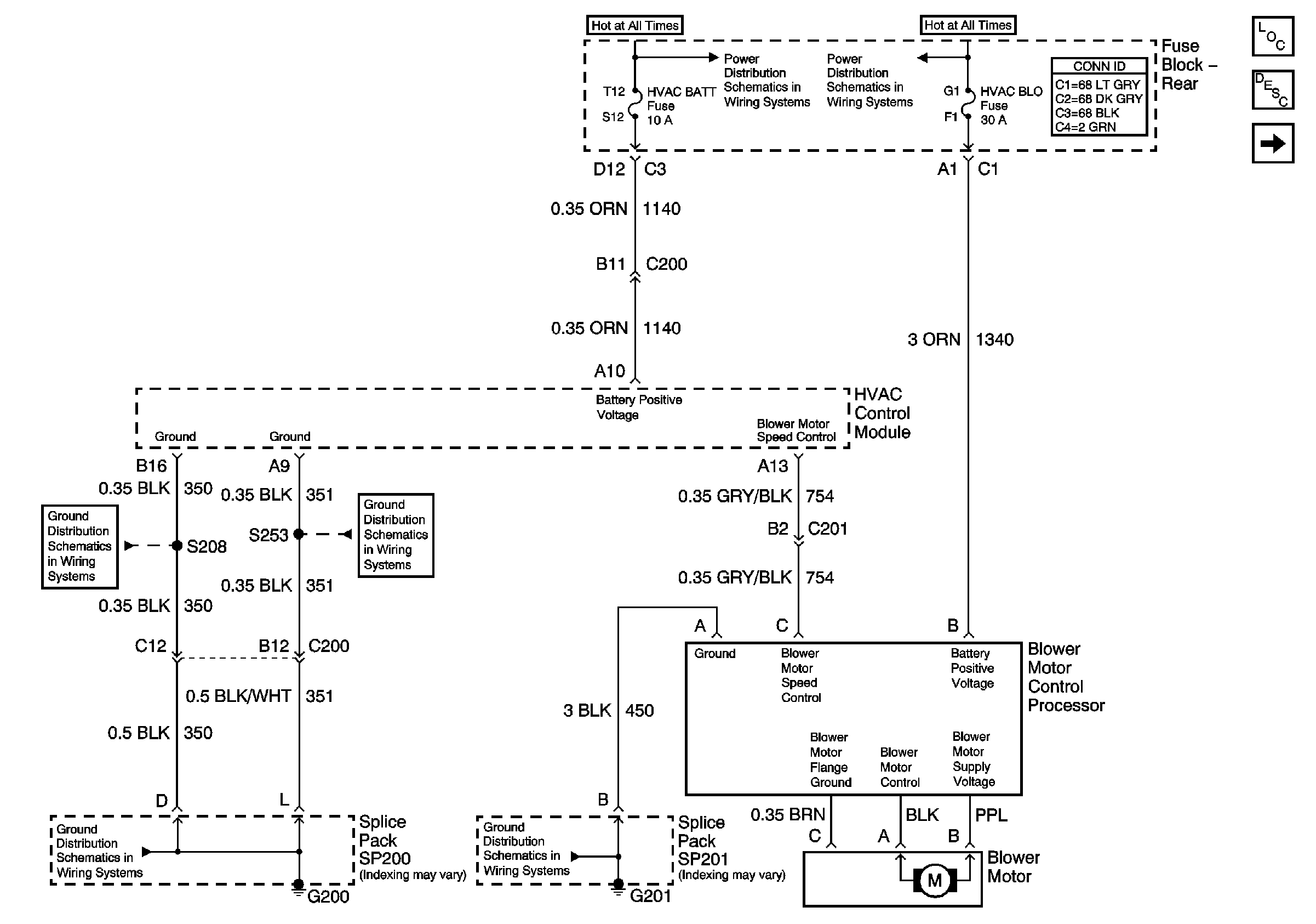
Blower Control w/C67


Object Number: 685740  Size: FS
Master Electrical Component List
Air Temperature Description and Operation
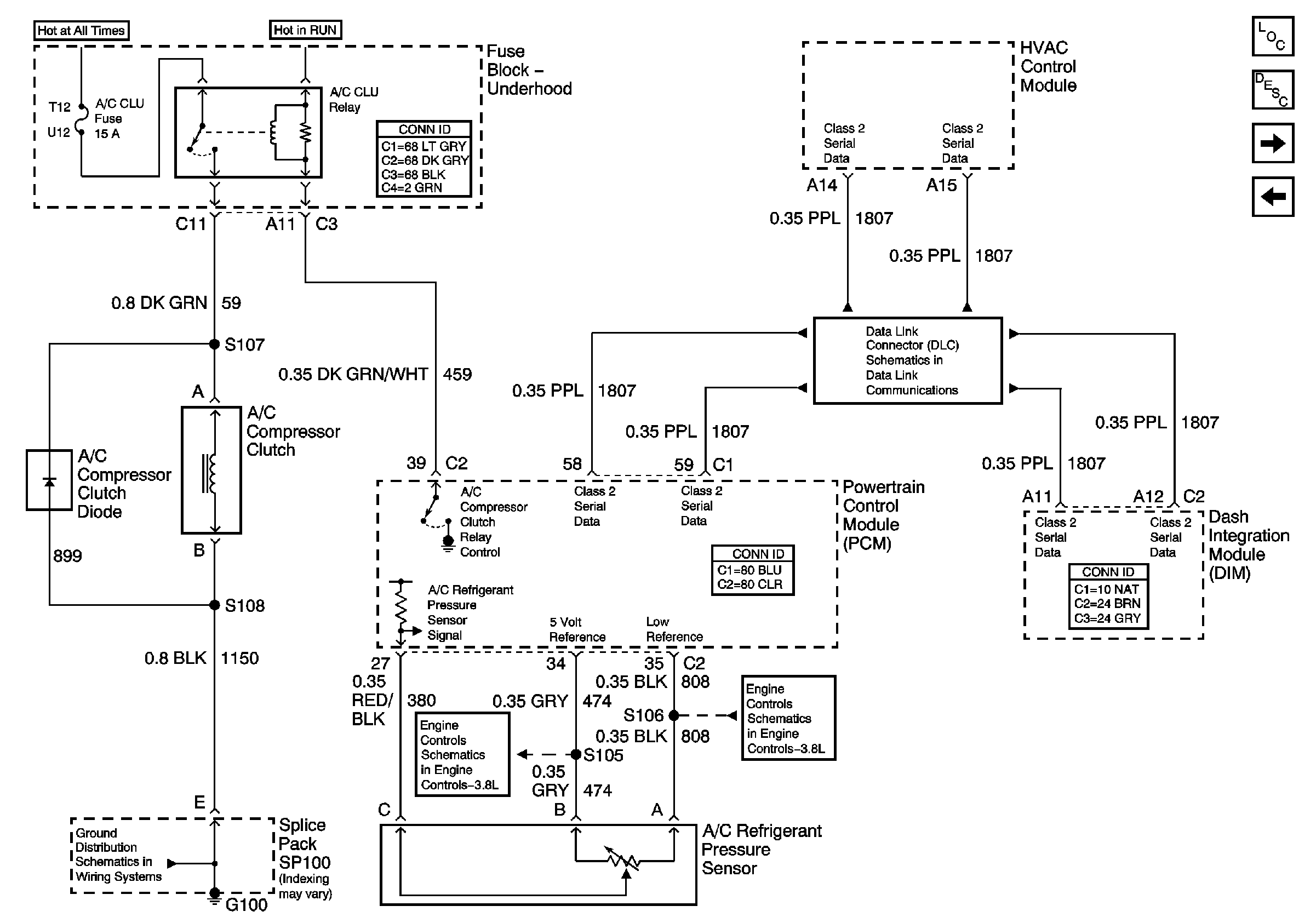
Compressor Control w/C67
G201
G200 (1 of 2)
G200 (2 of 2)
G200 (2 of 2)
G200 (1 of 2)
HVAC BLO and AUDIO AMP Fuses, RAP and F/PMP Relays (Rear Fuse Block)
HTDST RF, HTDST LF, DIM, and MEM Fuses (Rear Fuse Block)
Figure 2:

Compressor Control w/C67


Object Number: 685744  Size: FS
Master Electrical Component List
Air Temperature Description and Operation
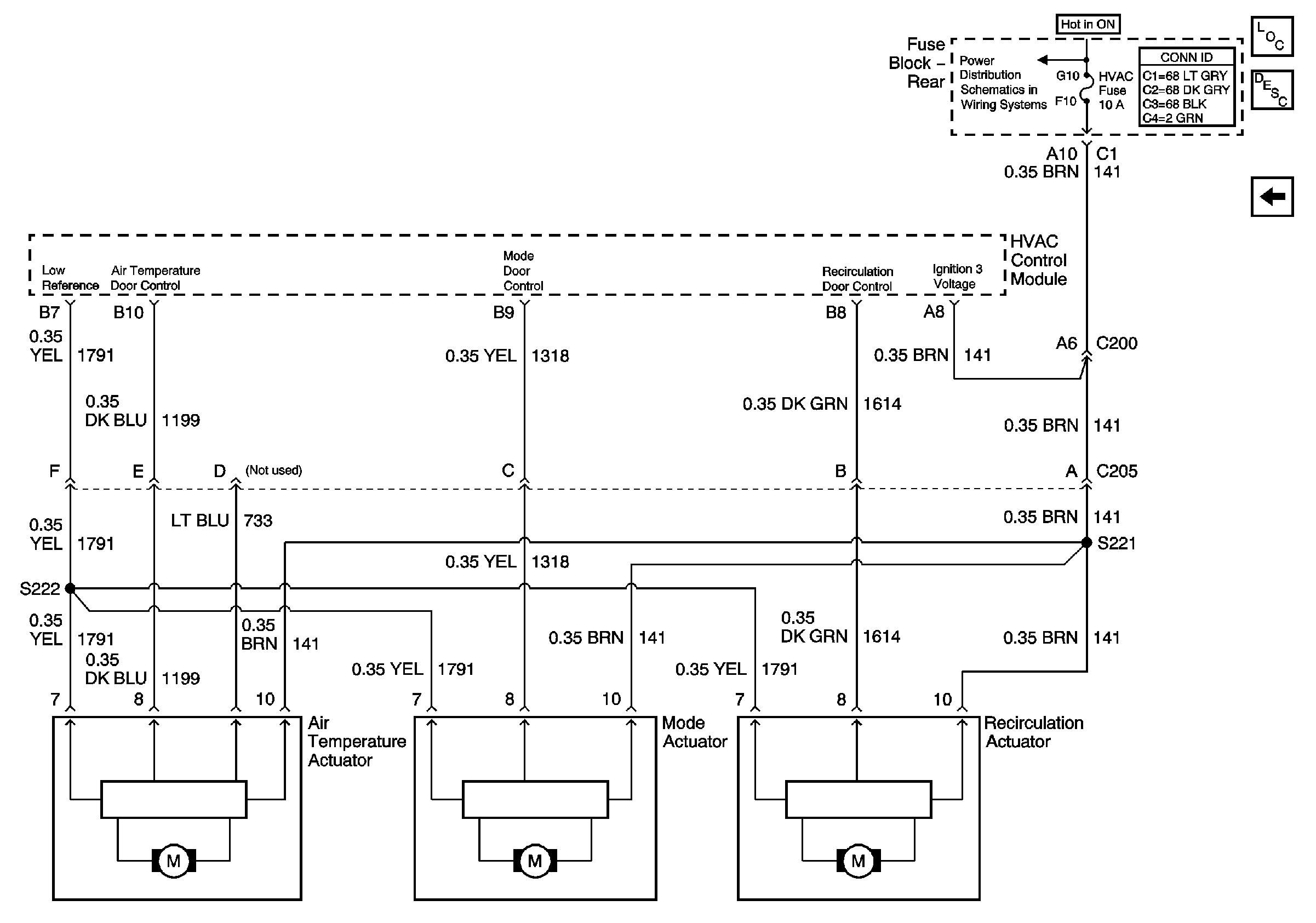
Air Delivery w/C67
Blower Control w/C67
Serial Data Class 2
Sensors
Sensors
G100 and G102
Figure 3:

Air Delivery w/C67


Object Number: 685747  Size: FS
Master Electrical Component List
Air Temperature Description and Operation
Compressor Control w/C67
HVAC Fuse Rear Fuse Block)