GM Service Manual Online
For 1990-2009 cars only
Figure 1:

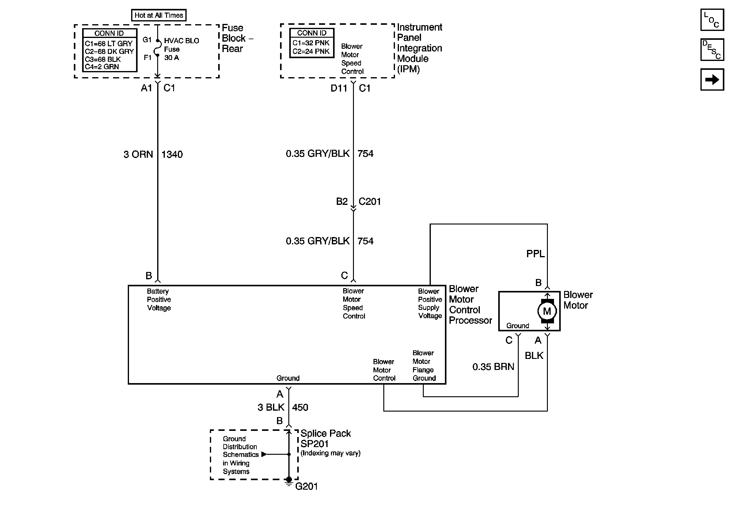
Blower Control w/CJ2


Object Number: 675984  Size: FS
Master Electrical Component List
Air Delivery Description and Operation
G201
Figure 2:

Heater AC Control w/CJ2


Object Number: 675985  Size: FS
Master Electrical Component List
Air Delivery Description and Operation
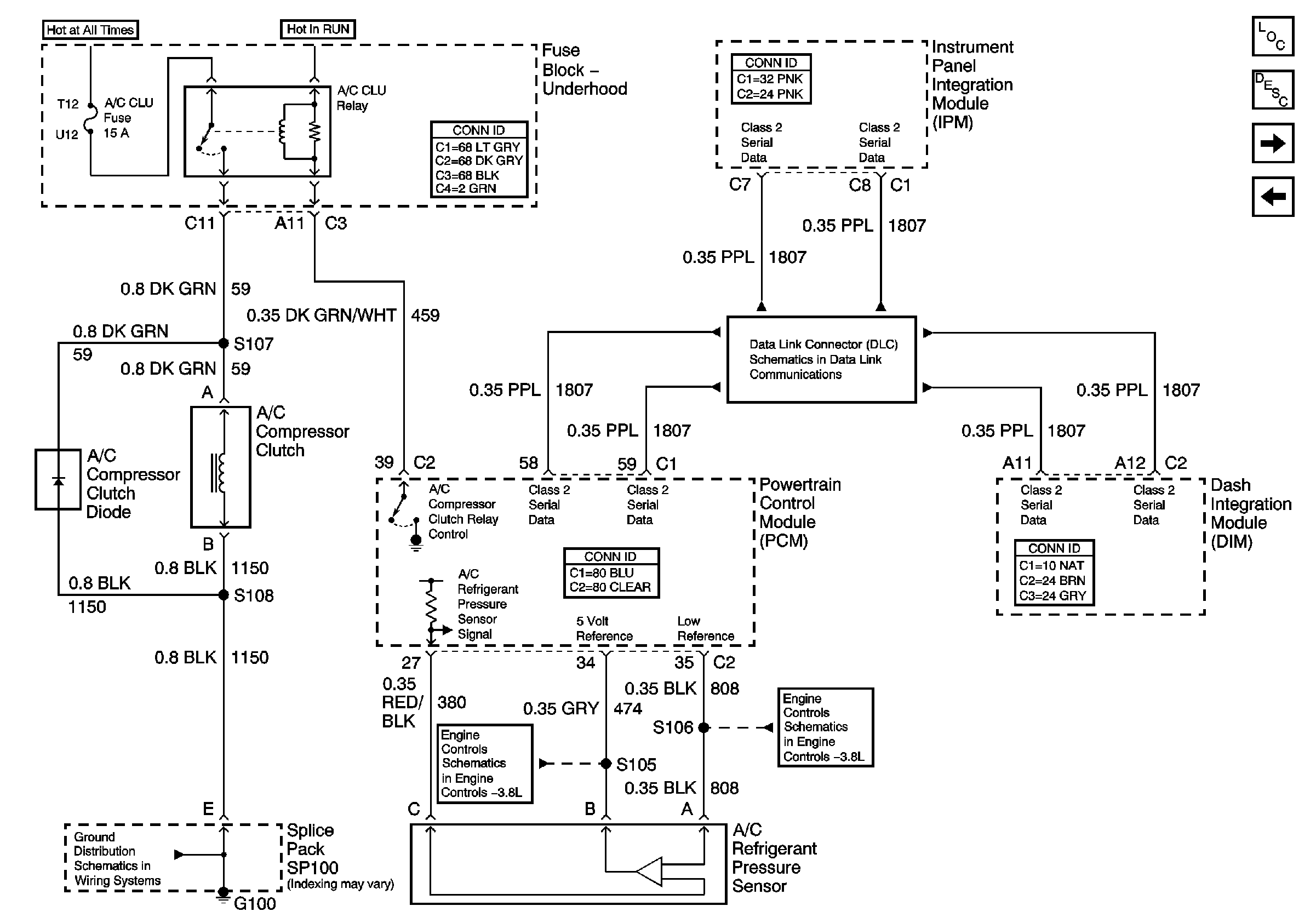
Compressor Control w/CJ2
IGN 3 and ABS Fuses (Rear Fuse Block)
G200 (2 of 2)
G200 (2 of 2)
G200 (1 of 2)
Serial Data Class 2
G200 (1 of 2)
Dimming Control
IGN 3 and ABS Fuses (Rear Fuse Block)
Figure 3:

Compressor Control w/CJ2


Object Number: 675988  Size: FS
Master Electrical Component List
Air Delivery Description and Operation
Heater AC Control w/CJ2
Serial Data Class 2
Sensors
Sensors
G100 and G102
Figure 4:

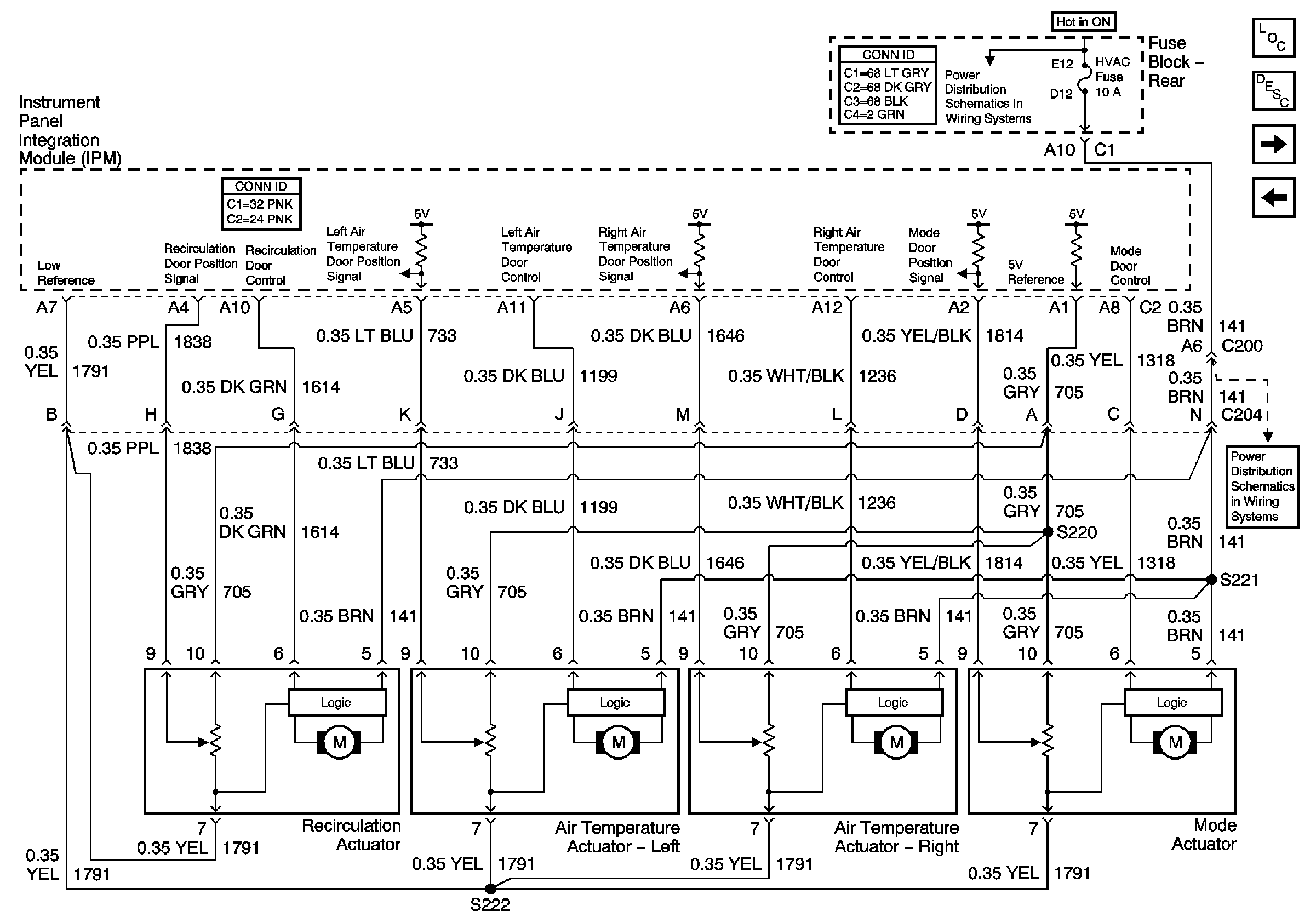
Air Delivery w/CJ2


Object Number: 675992  Size: FS
Master Electrical Component List
Air Delivery Description and Operation
Temperature Sensors w/CJ2
HVAC Fuse Rear Fuse Block)
HVAC Fuse Rear Fuse Block)
Figure 5:

Temperature Sensors w/CJ2


Object Number: 675997  Size: FS
Master Electrical Component List
Air Temperature Description and Operation
Air Delivery w/CJ2
Heater AC Control w/CJ2
Dimming Control
Headlamp Switch, Ambient Light Sensor (CJ2)
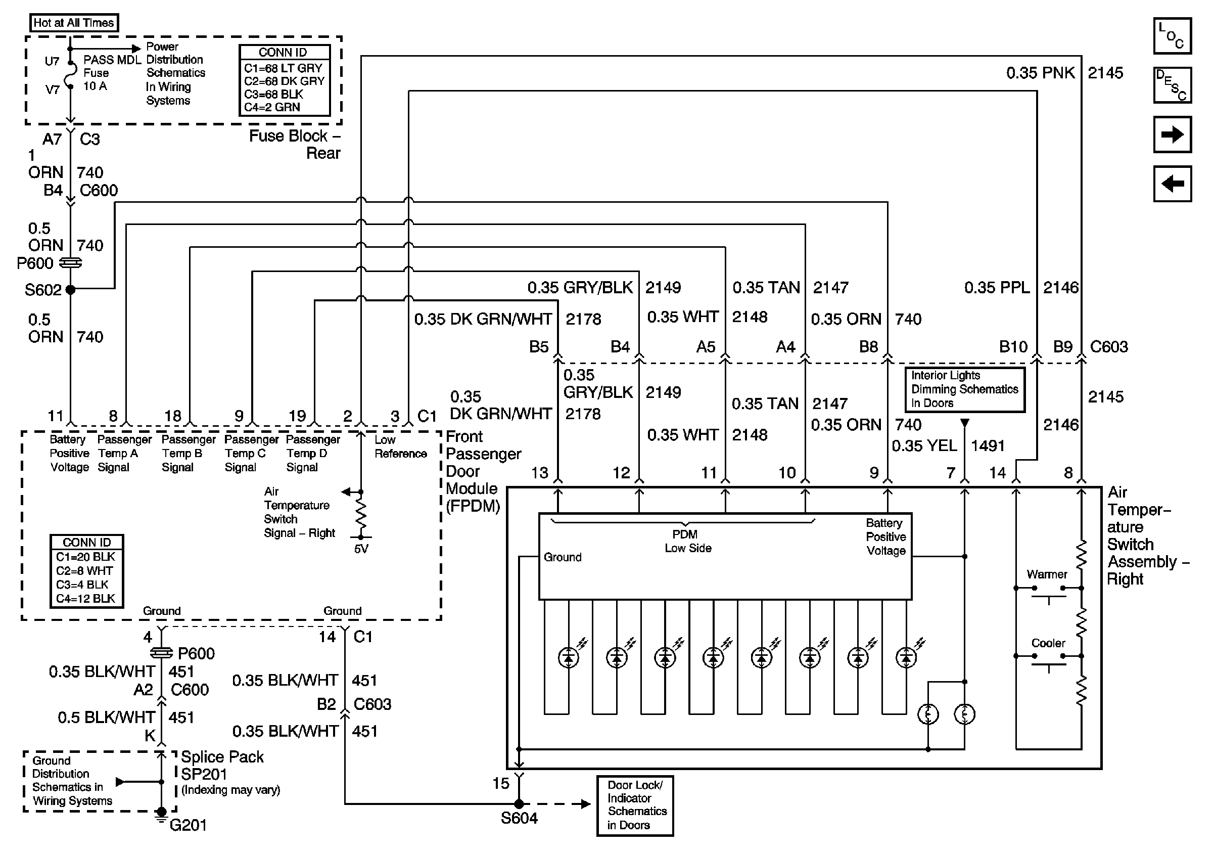
Figure 6:

Passenger Side Climate Control w/CJ2


Object Number: 676001  Size: FS
Master Electrical Component List
Air Temperature Description and Operation
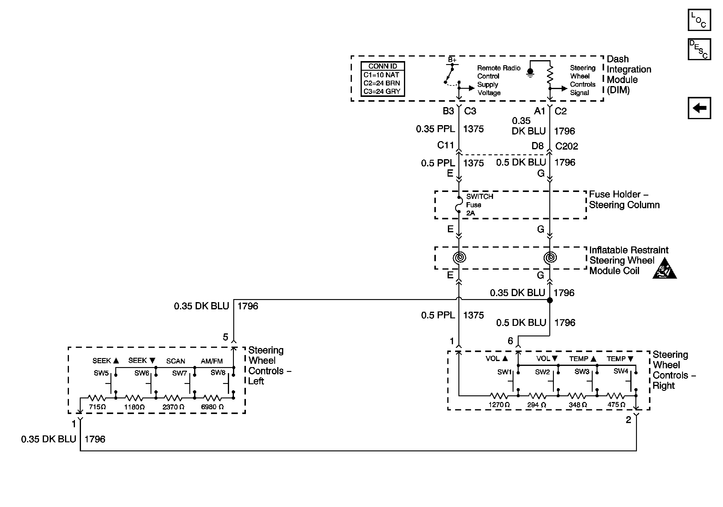
Steering Wheel Controls
Temperature Sensors w/CJ2
Dimming Control
RH Front Door
G201
HTDST RF, HTDST LF, DIM, and MEM Fuses (Rear Fuse Block)
Figure 7:

Steering Wheel Controls


Object Number: 676006  Size: FS
Master Electrical Component List
Air Delivery Description and Operation
Passenger Side Climate Control w/CJ2
SIR Schematic Icons
SIR Schematic Icons
G200 (1 of 2)
G200 (1 of 2)
Dimming Control