GM Service Manual Online
For 1990-2009 cars only
Makes
🢒
Buick
🢒
2001
🢒
LeSabre
🢒
Body and Accessories
🢒
Instrument Panel, Gauges, and Console
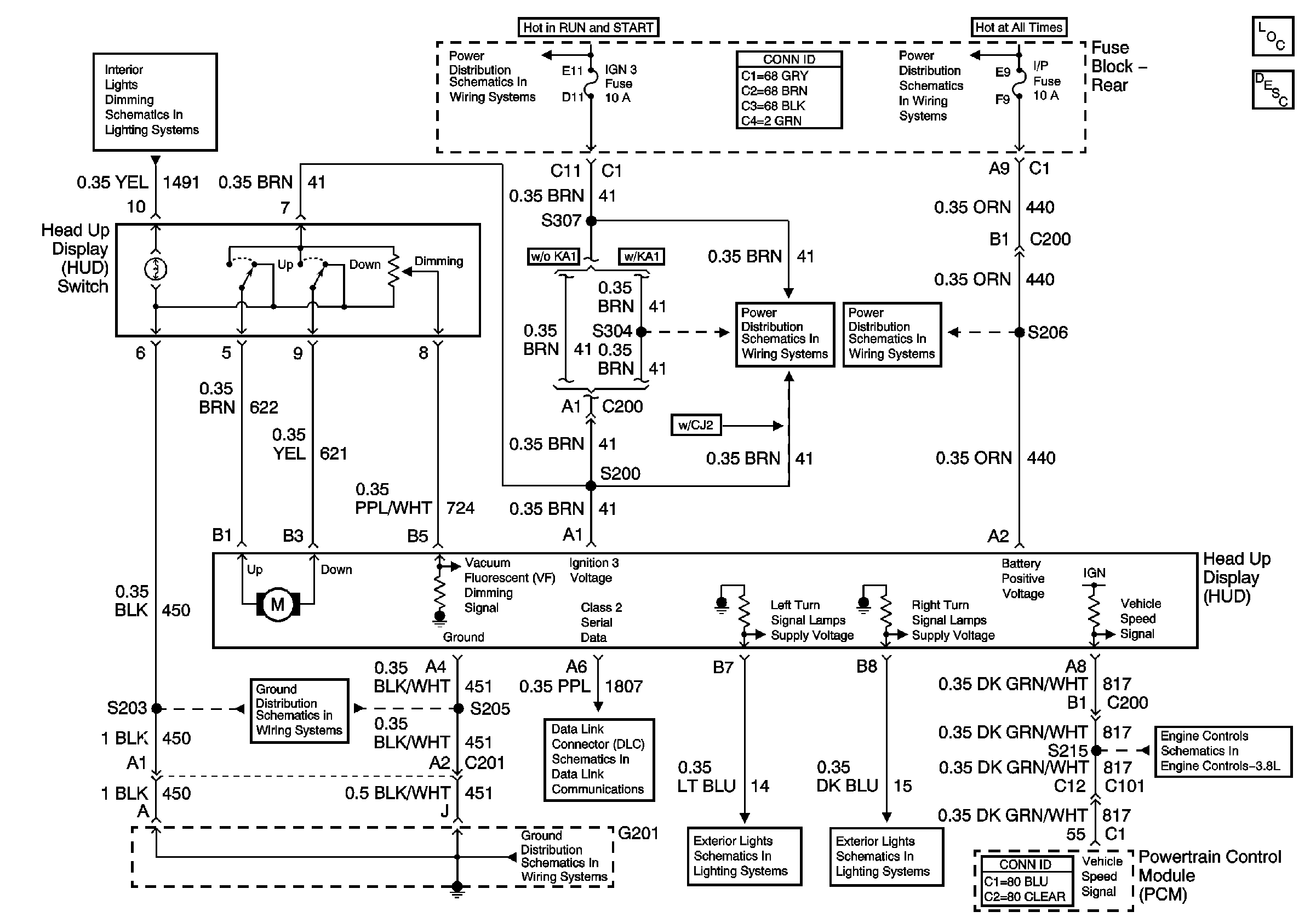
🢒 Head Up Display Schematics
Master Electrical Component List
Head Up Display (HUD) Description and Operation
Cruise Control Module and VSS
RH Exterior Lamps
LH Exterior Lamps
G201
Serial Data Class 2
G201
Front Door Dimming
IGN 3 and ABS Fuses (Rear Fuse Block)
IGN 3 and ABS Fuses (Rear Fuse Block)
IP, CIGAR, AUX PWR and C/LTR Fuses, and CIGAR Relay
IP, CIGAR, AUX PWR and C/LTR Fuses, and CIGAR Relay