GM Service Manual Online
For 1990-2009 cars only
Makes
🢒
Buick
🢒
2001
🢒
LeSabre
🢒
Body and Accessories
🢒
Garage Door Opener
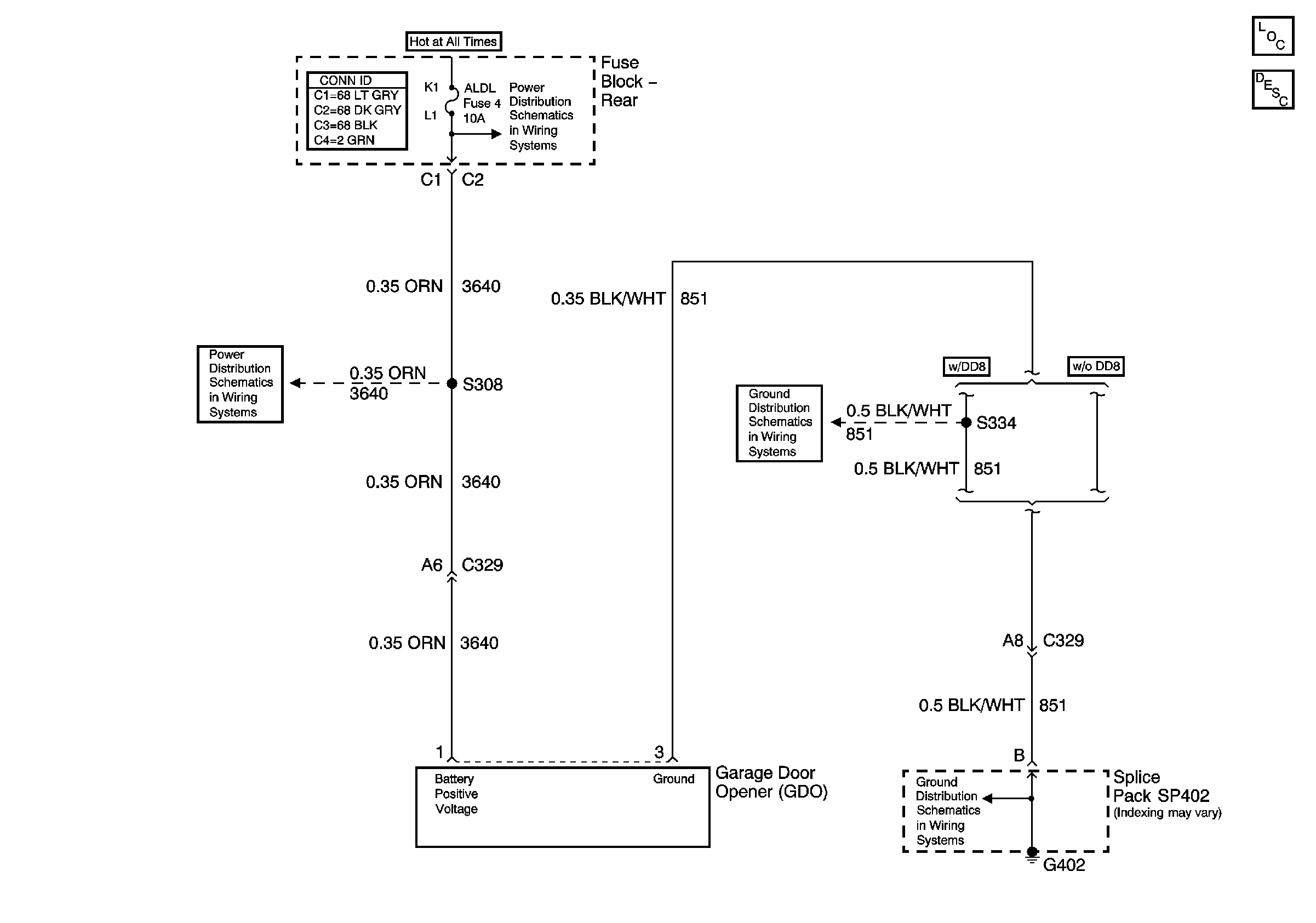
🢒 Garage Door Opener Schematics
Master Electrical Component List
Garage Door Opener Description and Operation
G402
G402
ELC, REAR DEFOG and TRK/REL Relays, REAR DEFOG and ALDL Fuses (Rear Fuse Block)
ELC, REAR DEFOG and TRK/REL Relays, REAR DEFOG and ALDL Fuses (Rear Fuse Block)