GM Service Manual Online
For 1990-2009 cars only
Figure 1:

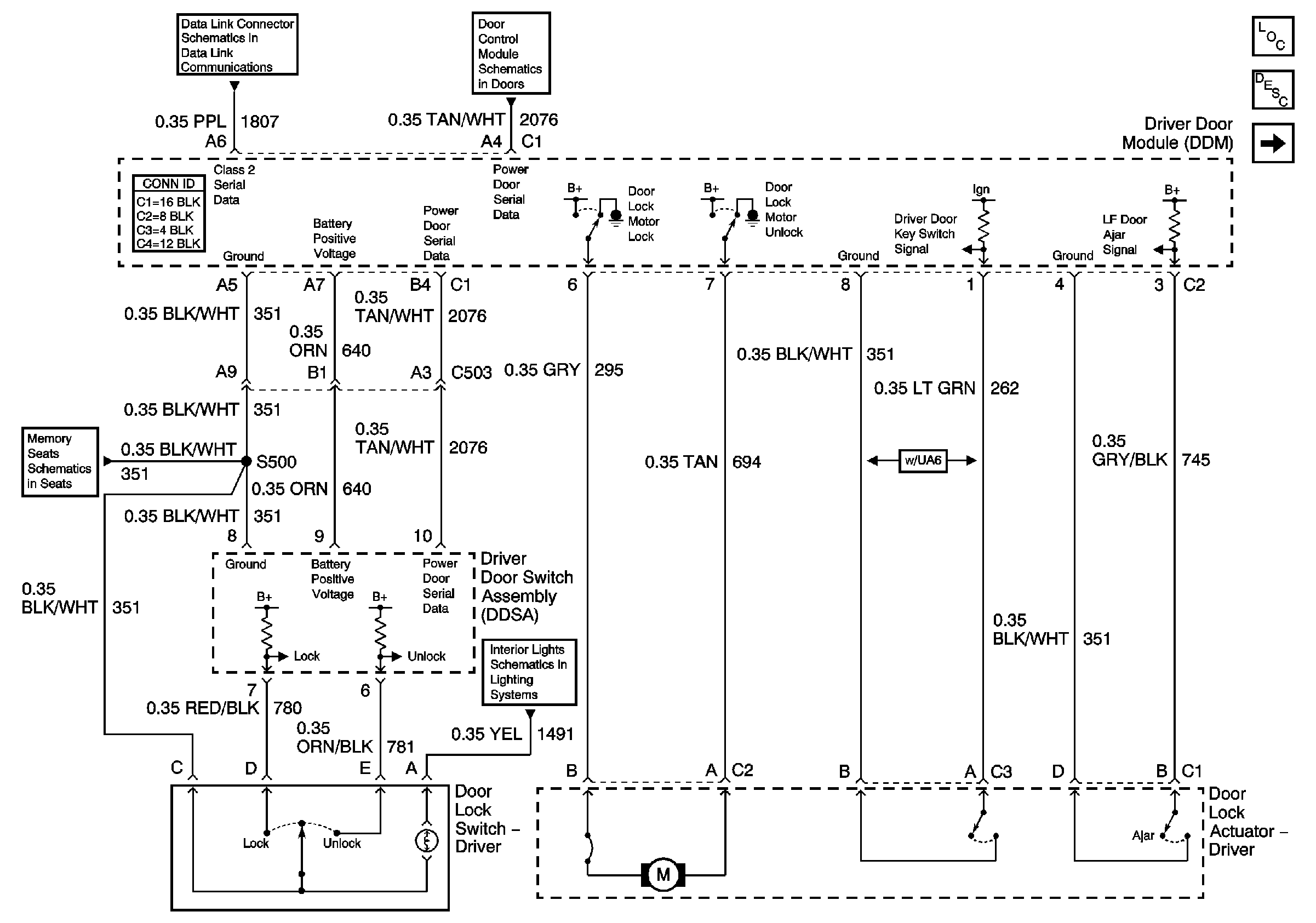
LH Front Door


Object Number: 675941  Size: FS
Master Electrical Component List
Door Ajar Indicator Description and Operation
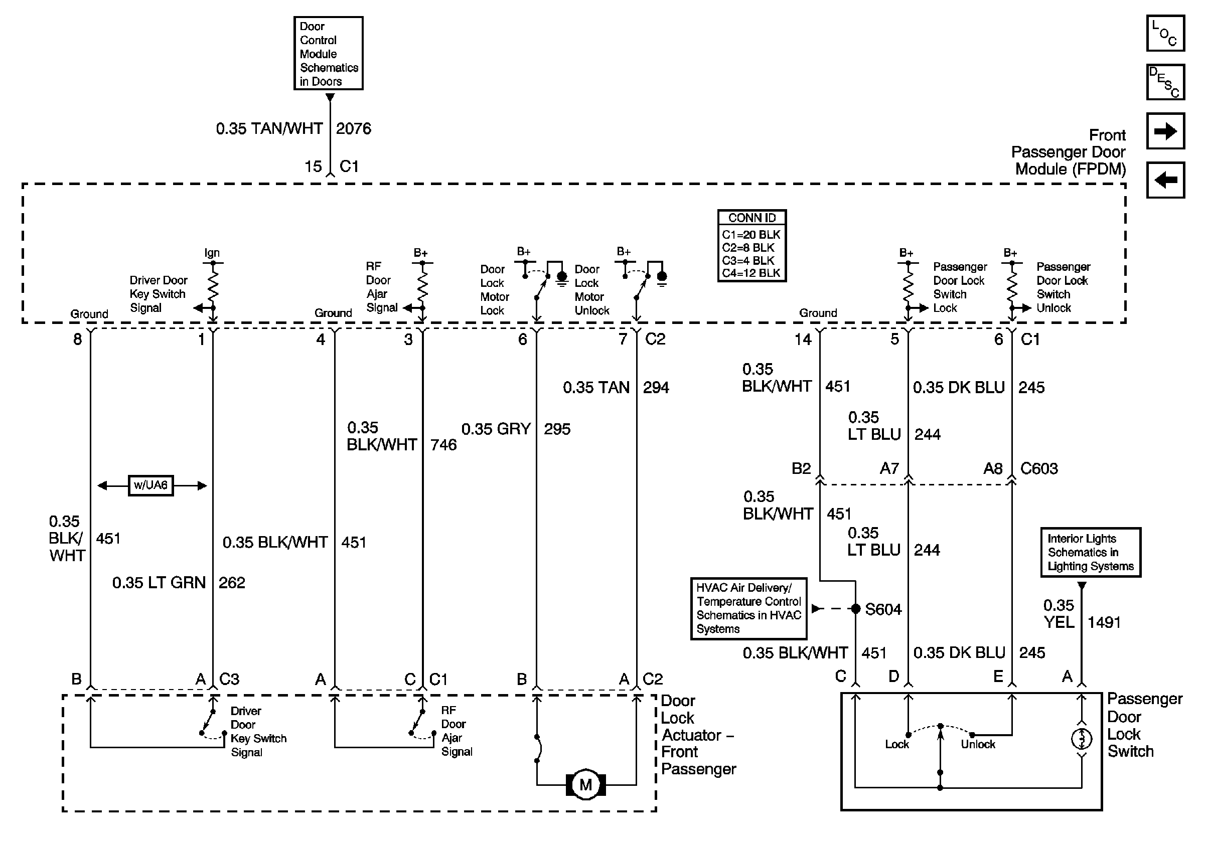
RH Front Door
Instrument Panel And Console Dimming
G200 (2 of 2)
Serial Data Class 2
Simple Buss Interface
Figure 2:

RH Front Door


Object Number: 675942  Size: FS
Master Electrical Component List
Door Ajar Indicator Description and Operation
LH Rear Door and RH Rear Door
LH Front Door
Dimming Control
Passenger Side Climate Control w/CJ2
Simple Buss Interface
Figure 3:

LH Rear Door and RH Rear Door


Object Number: 675944  Size: FS
Master Electrical Component List
Door Ajar Indicator Description and Operation
RH Front Door
Simple Buss Interface
Simple Buss Interface