GM Service Manual Online
For 1990-2009 cars only
Makes
🢒
Buick
🢒
2001
🢒
LeSabre
🢒
Body and Accessories
🢒
Seats
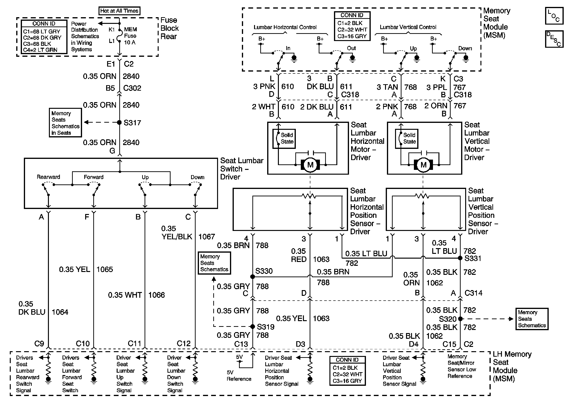
🢒 Lumbar Support Schematics
Lumbar (w/ Memory)
Master Electrical Component List
Lumbar Support Description and Operation with A45
Vertical and Horizontal Motors and Sensors
Vertical and Horizontal Motors and Sensors
Power, Ground, LH Seat Switch and MSM
HTDST RF, HTDST LF DIM and MEM fuses (Rear Fuse Block)