GM Service Manual Online
For 1990-2009 cars only
Makes
🢒
Buick
🢒
2001
🢒
LeSabre
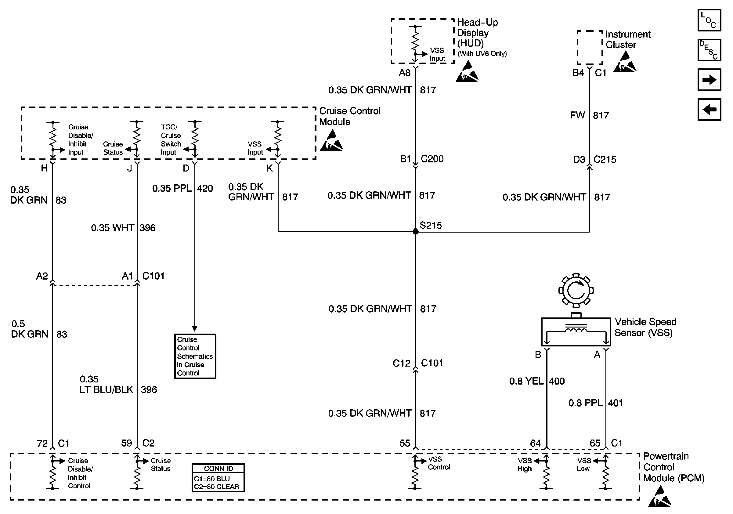
🢒 VSS, HUD, Cruise, IP
VSS, HUD, Cruise, IP
VSS, HUD, Cruise, IP
Engine Controls Components
Powertrain Control Module Description
EVAP Purge Valve, EGR Valve
IAC Valve, MAF and Knock Sensors
Handling ESD Sensitive Parts Notice
Handling ESD Sensitive Parts Notice
Handling ESD Sensitive Parts Notice
Handling ESD Sensitive Parts Notice
CCM, PCM Controls and Vehicle Speed Input