GM Service Manual Online
For 1990-2009 cars only
Makes
🢒
Buick
🢒
2001
🢒
LeSabre
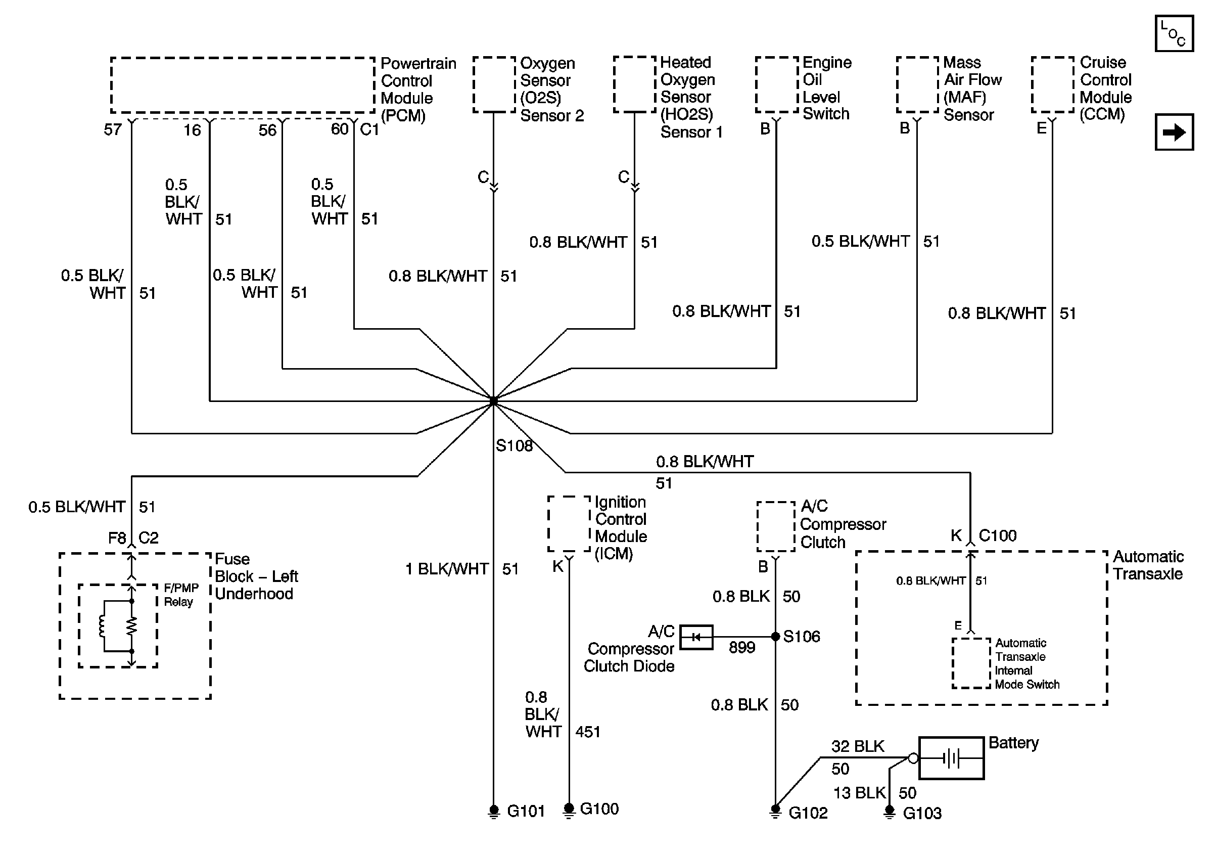
🢒 G100, G101, G102 and G103
G100, G101, G102 and G103
G100, G101, G102 and G103
Master Electrical Component List
G105
Underhood Fuse Block and Underhood Maxi-Fuse Block