GM Service Manual Online
For 1990-2009 cars only
Makes
🢒
Buick
🢒
2001
🢒
LeSabre
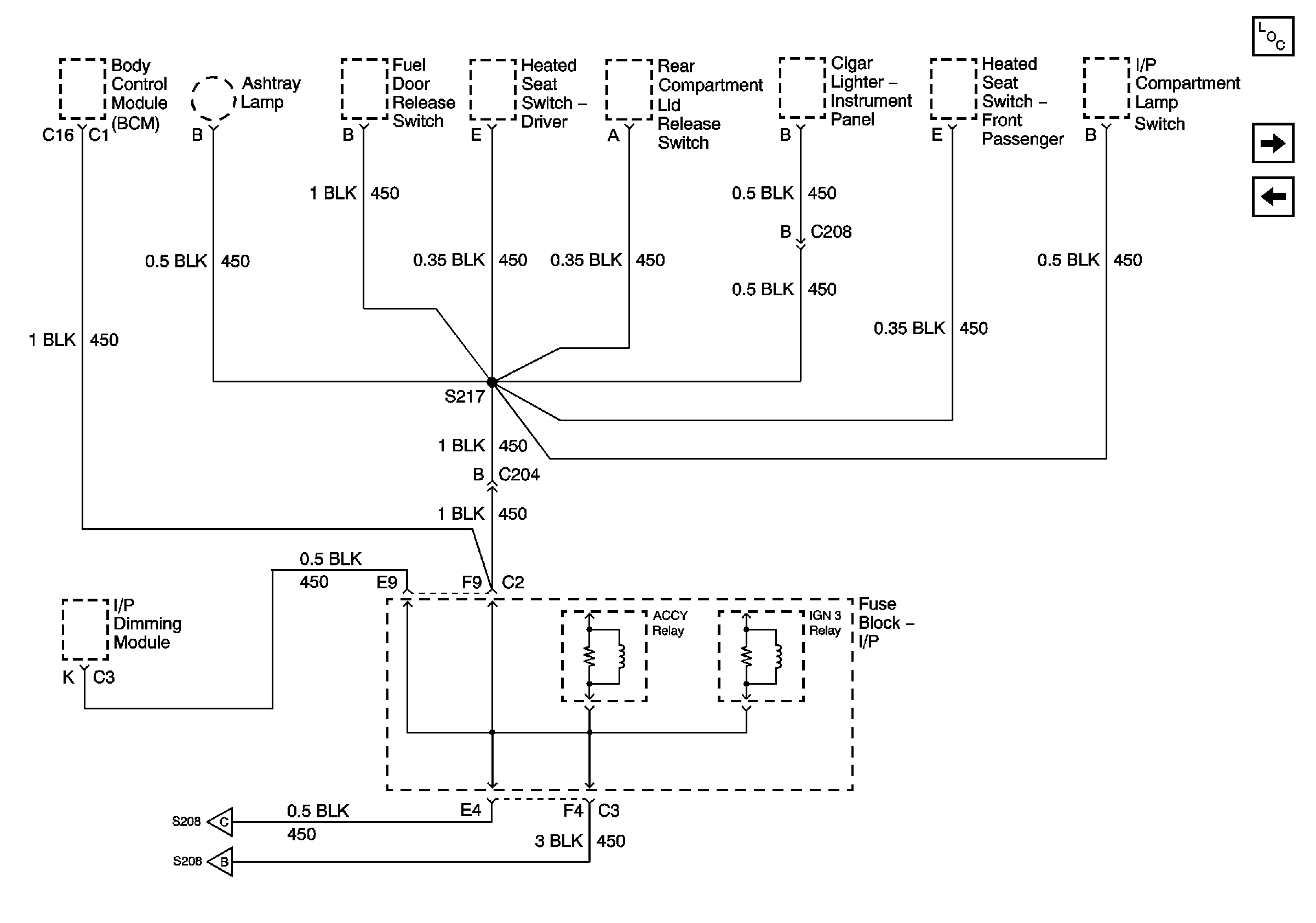
🢒 G201 (2 of 2)
G201 (2 of 2)
G201 (2 of 2)
Master Electrical Component List
G202 (1 of 4)
G201 (1 of 2)
G201 (1 of 2)
G201 (1 of 2)