GM Service Manual Online
For 1990-2009 cars only
Makes
🢒
Buick
🢒
2001
🢒
LeSabre
🢒 Horns Schematics
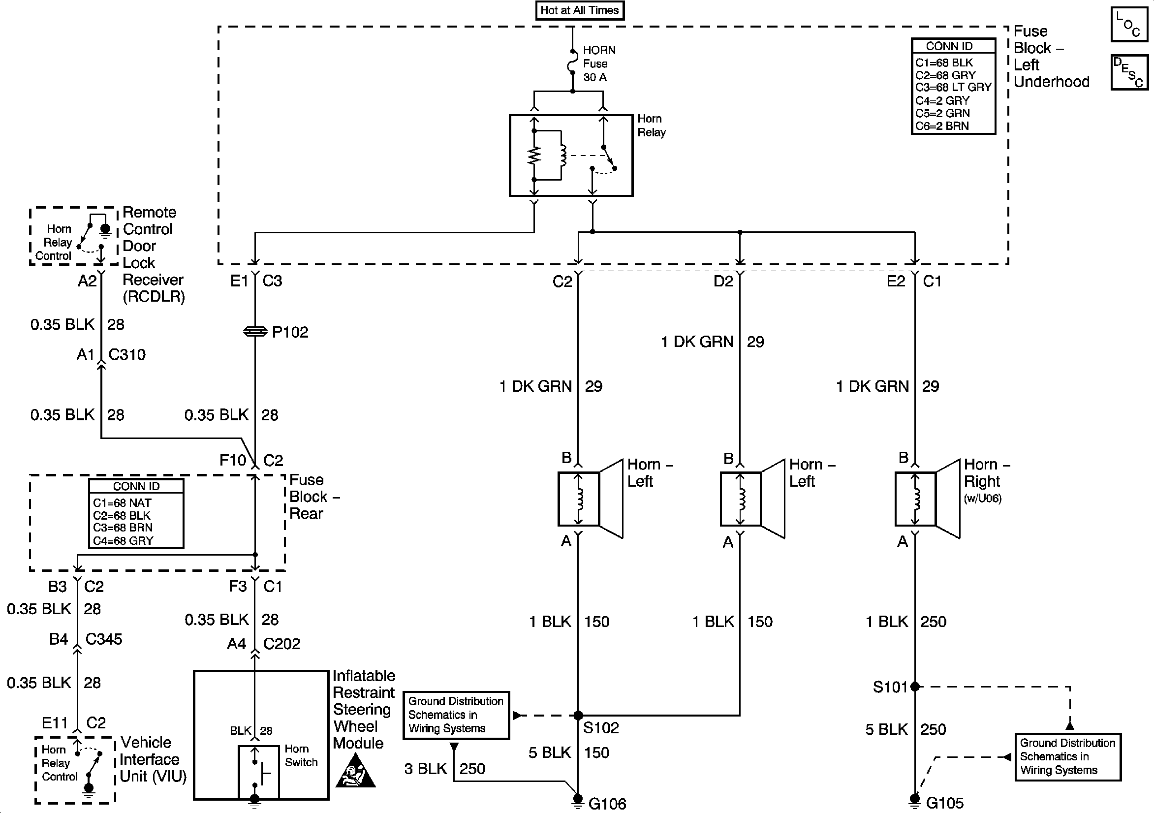
Horns Schematics
Master Electrical Component List
Horns System Description and Operation
VIU Output Signals
SIR Caution
G104 and G106
G105